Cost: $100+
About These Ratings
Difficulty: Advanced; special skills needed. Danger 4: (POSSIBLY LETHAL!!) Utility:

------------------------

A Homemade Mercury-Vapor Ion Laser That Emits Both Green and Red-Orange

---------------------

by Jearl Walker
October, 1980

---------------------

DEAN MORELLI OF RYE, N.Y., WHOSE HOMEMADE spectrophotometer I described in this department in January, has devised a way for an amateur to build a mercury-vapor ion laser. Morelli's laser emits bright pulses of green light (wavelength 567.7 nanometers) and dimmer pulses of red-orange light (615 nanometers). This type of laser is distinctive in several respects. It was the first gaseous-ion laser. Its gain and the width of its beam are unusually large for a laser emitting visible light. (Indeed, it was with this type of gas laser that high gain and high power were first demonstrated in the visible range.) The laser's emissions near 615 nanometers are almost purely monochromatic, that is, its range of frequencies and wavelengths in that region is very narrow, so that it could serve as a standard of frequency. Construction of Morelli's laser is in many respects easier than building a helium-neon laser.

Figure 1: The mercury-vapor ion laser built by Dean Morelli

The gain of a laser is a measure of how much the intensity of light is amplified in the laser (through stimulated emission) compared with the losses (through scattering, diffraction and absorption). In the green emissions Morelli's laser probably has a gain of about 50 percent per meter along the length of the laser tube. Between the mirrors of the laser the intensity of the light is quite high. Several experiments in spectroscopy can be done by putting the object of study inside the cavity of the laser, where it intercepts part of the intense light. (The part of the beam that emerges from the laser can still be utilized in other laser-beam experiments.)

The tube of Morelli's laser contains mercury vapor. The laser is electrically excited by a high-voltage discharge through the tube. When an electron in the discharge collides with an atom of mercury, an electron is removed from the atom and the result is a singly ionized mercury ion that is at an excited energy level. The mercury ions are excited into a variety of energy levels, from which they spontaneously drop to lower levels, emitting light as they do so. This light is the glow-not the beam- from the laser tube. Some of the ions will be at a level of energy that is important to the laser process (the level labeled 5f27/2 in spectroscopic notation). An ion at this level can emit a photon at a wavelength of 567.7 nanometers if it drops to the lower energy level 6d2D5/2.

A few of the photons thus emitted go down the axis of the laser tube. As such a photon passes other mercury ions at the 5f2Fo7/2 level the electric fields of the photon can stimulate those ions to make the same downward transition. With each transition another photon is emitted; it is identical with the passing photon in phase, associated wavelength and direction of travel. By the time the initial photon reaches the end of the tube it has stimulated the emission of a large number of identical photons.


Figure 2: Features of the discharge tube

The picture of stimulated emissions is usually made clearer at this point by switching from a description of light in terms of photons to one in terms of waves. The light waves generated by the stimulated emission are said to be coherent because they travel in the same direction, have the same wavelength and are in step. They therefore interfere constructively, thereby augmenting one another, and so they yield a wave of large amplitude, which means that the light is bright.

The waves are reflected back and forth through the tube of mercury vapor by the mirrors built into the laser, stimulating still more emissions at the wavelength of 567.7 nanometers. Part of the light leaks through the mirrors to form the external laser beam. What happens to the rest of the light emitted by the mercury atoms in the tube, both the unionized ones and the singly ionized ones that do not participate in stimulated emission? Each of those atoms either is at the wrong energy level or emits light spontaneously before being stimulated by a passing photon. The light from such atoms goes outward from the tube in all directions and merely contributes to the glow of the tube. This light is incoherent, that is, the emitted waves are not all at the same wavelength, do not go in the same direction and do not proceed in step.

Most of the energy levels attained by the singly ionized atoms of mercury do not participate in the laser action because on the average the ions stay too briefly at those levels. If a particular transition between energy levels is to contribute to laser action, more atoms must be in the upper level than are in the lower one. This situation is called a population inversion.

Suppose population inversion is absent, so that there are more atoms in the lower level of a pair of levels than there are in the upper one. A fortuitous downward transition by an atom could still send a photon down the laser tube, and the photon could cause a stimulated emission if it passes another mercury ion in the upper energy level. Without inversion, however, the stimulated photons are likelier to encounter lower-level atoms than upper-level ones. A passing photon meeting a lower-level atom will be absorbed by it. Absorption dominates, and the result is an absence of laser action.


Figure 3: The angle of the Brewster window

Population inversion is possible if there is an energy level at which an atom can stay for a long time compared with its lifetime at a lower level to which it can make a transition. The atoms at the lower level drop to still lower levels quite quickly, leaving the level they vacated empty and the topmost level relatively full; the result is a population inversion.

The energy level of the singly ionized mercury ion that can give rise to laser light at 615 nanometers is the one labeled 7p2P03/2. The transition is to the level 7s2s1/2. Part of the stimulated light leaks through a mirror to form another laser beam, which is in the red-orange region of the visible spectrum.

In the right conditions Morelli's laser can emit both wavelengths (567.7 and 615 nanometers) simultaneously. The two colors can be separated by passing the output of the laser through a prism. The red-orange output is relatively weak, however, and so Morelli has designed his laser to enhance the green output.

Morelli made his tube from a standard length (122 centimeters, or four feet) of Pyrex glass tubing that had a standard wall and an outside diameter of 15 millimeters. He cut another piece of the same kind of tubing to a length of 7.5 centimeters and sealed it at right angles to the long tube 7.5 centimeters from one end, employing a gas-oxygen torch to make the seal. A neon-sign electrode 15 millimeters in diameter was fused to the open end of the shorter tube. An identical electrode assembly: was mounted at the other end of the long tube.


Figure 4: The role of the Brewster window in polarization

Another section of tubing, four centimeters long with an outside diameter o f seven millimeters, was joined to one of the electrode tubes to serve as a vacuum port. A second section of the seven-millimeter tubing was fused to the center o f the long tube on the side opposite to the electrode arms. This section, 2.5 centimeters long, served as the source of the mercury vapor.

If you do not have a gas-oxygen torch, you can make your tubing of soda-lime glass that can be fused with a propane torch of the kind available in hardware stores. Two of the books cited in the bibliography for this month are particularly helpful: Creative Glass Blowing for the work with glass and Light and Its Uses for a number of pointers on the construction of lasers.

Morelli sealed the ends of the long tube with Brewster windows, which are made of flat glass of optical quality. Each piece is mounted on the tube at a precise angle chosen to minimize the loss of light reflecting from the windows. The angle is measured between the axis of the tube and a line perpendicular to the surface of the window.

This Brewster angle, as it is called, is equal to the arc tangent of the window's index of refraction. The angle has a bearing on the polarization of the light. Early in the laser process the light incident on the window is unpolarized. Because of the Brewster angle, however, one type of polarization is enhanced, and it quickly comes to dominate the laser process.

Suppose a ray of unpolarized light is incident on a Brewster window. The electric fields of the light oscillate along all possible axes in a plane perpendicular to the ray. It is helpful to imagine that the oscillations are along two perpendicular axes. One axis, labeled x, is in the same plane as the incident ray and the reflected ray. The other axis, labeled y, is perpendicular to x. Because of the particular geometry of the Brewster window the light reflected from the surface of the window is entirely polarized in the y direction. This light is reflected out of the laser tube and no longer contributes to the laser process. None of the x-polarized light is reflected, and so it goes through the window and is sent back through the tube by one of the laser mirrors. In this way the x-polarized light comes to dominate the laser process. Thereafter the light created by stimulated emission is almost entirely polarized to avoid reflection at the windows and little light is lost by them.


Figure 5: The wood support for the discharge tube

Morelli employed quartz windows for which the index of refraction was 1.459 for light at the wavelength of 567.7 nanometers. The arc tangent of 1.459 is 55 degrees 34 minutes, which therefore was the angle of mounting of the Brewster windows. (The emission at 615 nanometers does not reach the windows at exactly the proper angle, because the index of refraction is slightly lower for this longer wavelength. The Brewster angle, however, is almost the same for the two wavelengths and so the laser will work at 615 nanometers.)

Morelli prepared the ends of the tube for the windows by sawing them at the complement of the Brewster angle, 34 degrees 26 minutes. He made the cut with a hacksaw that had a brass blade .025 inch thick, holding the tube and a pair of saw guides in a miter box. A mixture of No. 120 abrasive and water served as the lubricant. Morelli points out that the saw must be moved slowly and carefully to avoid chipping the edges of the glass. Chipped edges give rise to a loss of gas as the laser runs.

When the sawing is half completed, the tube is turned over for the rest of the cut. Then the ends are polished flat by grinding them against a flat glass tool supplied with progressively finer abrasive (the last and finest being No. 600). The cuts should not deviate from the complement of the Brewster angle by more than half a degree.


Figure 6: A system for aligning the mirrors

Having finished the cutting and polishing, Morelli cleaned the long tube and mounted it on its support. With an eyedropper he put a few drops of mercury into the side arm of the tube by tilting the tube slightly and carefully letting the drops run down the inside. This mercury must be very clean. Morelli worked with mercury that had been distilled three times.

Once the mercury is in place the side arm is immersed in a beaker containing dry ice and ethanol until the mercury is frozen. Now the long tube is connected to a vacuum pump at the vacuum port. With the pump running, the windows are carefully held against the ends of the long tube. (You may need a helper here.) If the ends of the tube are sufficiently flat, the suction from the pump should hold the windows firmly. The slightest leak will call for more polishing to make the ends of the tube flatter. If the contact is airtight, the windows can be glued to the tube. Morelli did his gluing with a disposable hypodermic syringe that had a needle of large bore. With the syringe he applied a coat of epoxy around the connections between the tube and the windows. The suction should be maintained until the epoxy hardens.

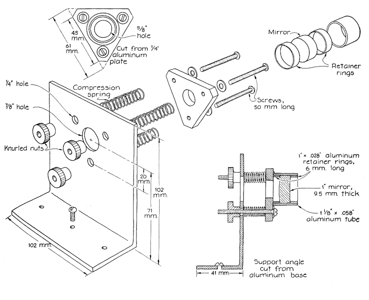
The base for the tube and the mirrors was a rectangular piece of aluminum tubing 72 inches long, with a cross section of four inches by 13/4 inches and walls 1/8 inch thick. It is the kind of tubing sold for the making of metal doors and windows. Two supports cut from 3/4-inch plywood were attached to the base to support the laser tube. Epoxy was applied between the support and the base and the support and the laser tube. (In order to apply epoxy to aluminum, Morelli prepared the aluminum by scrubbing it with a toothbrush dipped in an abrasive cleaning powder. He kept at it until water on the metal formed a thin layer with no tendency to bead.)


Figure 7: Details of a mirror cell

Each mirror was mounted in a cell that could be adjusted with three knurled nuts. Morelli aligned his mirrors with the laser tube by means of a standard technique involving two index cards, a small flashlight and a microscope slide that served as a beam splitter. A circular hole was punched in each card. A card was attached to each end of the laser tube so that the hole was aligned with the tube. The beam splitter was put between a mirror and one end of the tube at an angle of about 45 degrees with respect to the axis of the tube. The cell holding the nearest mirror was removed so that the observer could look down the axis of the tube and see the mirror at the far end.

The flashlight, which should have a bulb with a small filament, was positioned near the slide so that its light was reflected from the slide and entered the laser tube through the hole in the nearby index card. The screws on the distant mirror were adjusted (again by a helper if one was available) until light was reflected back to the observer sighting through the tube. The alignment is correct when the light from the far mirror is brightest.

The support cell was removed from the base without disturbing the adjusting screws. That cell would remain in adjustment when it was reattached to the base. Meanwhile Morelli aligned the second mirror in the same way.

The mirrors were spherical, had equal radii and were separated from each other by slightly less than one radius (an arrangement called a confocal cavity). Their radius of curvature was 147 centimeters; they were 25.4 millimeters in diameter and 9.5 millimeters thick. The back of each mirror was ground to be convex. The separation between the mirrors was about 140 centimeters. (The mirrors could be flat on the outside surface if an external lens was employed to collimate the external beam. They could even be flat on the inside surface, but a spherical-mirror system is easier to align than a flat-mirror one.)

Each mirror was mounted in an aluminum tube 29 millimeters (1 1/8 inches) wide and 21.5 millimeters long. The wall of the tube was 1.5 millimeters (.058 inch) thick. With epoxy the tube was fastened to a triangular plate that was attached to a support plate by three screws. An aluminum retainer ring 25.4 millimeters (one inch) wide and six millimeters long was slipped into the tube and glued into place. The mirror and another ring were then slipped in. Morelli held the ring in place with transparent tape. It would not do to glue the ring, he notes, because the mirrors must be removed at times for cleaning.


Figure 8: The circuit of the power supply

The mirrors ordinarily installed in lasers that emit visible light have several layers of dielectric thin films designed to increase the reflectivity of light at a certain wavelength. Morelli had his mirrors designed to reflect best for a wavelength of 567.7 nanometers. The thin film next to the glass had a refractive index higher than that of the glass. Its optical thickness was one-fourth of the designated wavelength.

On top of this film is another layer with a lower refractive index. More layers are added, alternating between high and low refractive indexes. The outermost layer of each pair has the higher value. Each layer reflects part of the light reaching the mirror. With this design all the reflected rays interfere constructively, yielding a bright reflection. A mirror usually reflects about 99.8 percent of the light reaching it. Without the dielectric coatings the reflectivity would be considerably lower.

The range of wavelengths over which a mirror will reflect depends on the ratio of the refractive indexes of the dielectric-coating films. Morelli's mirrors reflect about 99.S percent of the light with a wavelength of 567.7 nanometers. The range of reflection extends over about 100 nanometers and includes the 615nanometer emission that can also be obtained with his laser. He notes, however, that the reflection is relatively poor at this wavelength, with the result that the emission may be dim or absent.

The laser is excited by a high-voltage discharge through the laser tube. A variable autotransformer feeds current to the primary winding of a neon sign transformer rated at 9,000 volts (at 20 milliamperes). The output from the transformer is rectified by a bridge of four diodes and then fed to a capacitor connected across the laser tube. When the voltage difference between the electrodes in the laser tube reaches about 5,000 volts, the gas in the tube becomes ionized and so can conduct electricity, thereby enabling the capacitor to discharge its current through the tube. The high-current arc lasts for about a microsecond. Depending on the setting of the autotransformer, the discharge can be repeated as often as several hundred times per second. At such a rapid repetition the laser output appears to be a steady beam.

The capacitor should have a capacitance of about .01 microfarad and a breakdown voltage of 15 kilovolts. Morelli makes it from a piece of double-sided printed-circuit (PC) board. The required area of board (in square-meter units) is determined by the formula a = ct/d, where is 8.85 X 10-12 farad per meter, c is the capacitance in farads, t is the thickness of the dielectric in meters and d is the dielectric constant of the insulating material. The epoxy-glass material in the PC board has a dielectric constant of 4.8 and a breakdown voltage of 95 kilovolts per millimeter of thickness.

Morelli etched away one centimeter of the copper along the perimeter of the board on both sides to prevent arcing in that region. Then he experimented to find the best area of the board for the laser. The larger the area, the larger the optimum capacitance. The capacitance is smaller for the brightest output at 567.7 nanometers than it is for the 615 nanometer beam.


Figure 9: The vacuum system

The two electrodes must be protected from the bombardment of electrons they receive as the electric arcs course through the tube. Morelli obtained commercial electrodes that were coated with a mixture of barium and strontium carbonate suspended in a binder of nitrocellulose. After he had sealed the laser tube he heated the electrodes in order to convert the coating into a protective layer. He did the heating with a coil of wire slipped over the electrode assembly and excited by a high-frequency oscillator. The oscillating current in the coil induced an oscillating current in the electrode. He connected a variable capacitor in parallel with the coil so that he could generate a resonance between the oscillator and the capacitor-coil system. The oscillator should be rated for at least 50 watts.

The heating of the electrodes decomposed the nitrocellulose, liberating hydrocarbon gas. The carbonates were converted into oxides and released carbon dioxide. The oxides protected the electrodes from the arcing current. In addition the reactions gave rise to metallic barium and strontium that acted as "getters," removing active but unwanted gases from the tube.

Morelli's vacuum system consisted of a two-stage mechanical pump, an oil diffusion pump, a closed-end mercury manometer, a mercury McLeod gauge, a cold trap, a flask of helium and two stopcocks. He says the difusion pump is helpful but not crucial. Plans for making the gauges are given in Creative Glass Blowing. Additional instructions for the gauges and other elements of the vacuum system appear in Light and Its Uses (see the chapters on helium-neon lasers and argon lasers).

Morelli's first step toward operating the vacuum system was to freeze the mercury in the central side arm. Then he turned on the pumps and began heating the laser tube with a Bunsen burner to remove molecules of gas adhering to the walls of the tube. He took care to avoid heating the Brewster windows and the mercury in the side arm.

Having prepared the electrodes with oxide coating, Morelli connected them to the alternating-current output of the neon-sign transformer. Helium was let into the tube under a pressure of a few torr. The glow discharge that built up while the helium was in the tube cleaned the interior of the tube. The helium was pumped out and fresh helium was admitted, and the procedure was repeated until the discharge through the tube generated a pink glow. Then the helium pressure was adjusted to be between .5 and one torr. The side arm of mercury was put in a beaker of water at a temperature of 40 degrees Celsius and the electrodes were connected to the pulse-power supply.

Once mercury has diffused into the tube adjust the mirrors until the laser begins to operate, at least in the green region. Several adjustments should be made to maximize the output. The cells holding the mirrors may need further adjustment. The operator can also vary the gas pressure, the temperature of the side arm holding the mercury and the capacitor of the power supply.

Morelli suggests that all the leads on the electrodes be reversed periodically so that the electrodes exchange roles as anode and cathode. This procedure prevents one of the electrodes from receiving the entire bombardment of electrons. It also keeps the mercury ions from being pumped toward only one end of the tube. The gas pressure will gradually drop as some of the helium is buried under sputtered electrode material. The helium must be replenished after the laser has been operating for several hours.

I cannot overemphasize the potential danger of a laser. Most people realize that a laser beam entering the eye can permanently damage the retina, but the danger extends to stray reflections of the beam from objects in the room. You must also beware of the high currents developed by the power supply. This danger is particularly acute if you work with the laser in partial darkness that prevents the circuit from being fully visible. Insulate all the exposed leads. Finally, work carefully with the mercury which evaporates not only at high temperature but also at room temperature. The vapor is poisonous. Make sure the room is well ventilated when you load the mercury into the side arm.

If you want to buy parts for this mercury-vapor laser or other lasers that have been described in this department check the advertisements in two publications: Laser Focus and EOSD (ElectroOptical Systems Design). They specialize in lasers and publish an annual directory of suppliers of laser equipment. A library is not likely to have either publication; you may have to borrow a copy from someone in the physics or engineering department of a university or in n a local company that works with lasers.

Morelli bought his mirrors, windows, glass, electrodes and accessories from North Country Scientific, R.F.D. 1, Plymouth, N.H. 03264. The abrasives came from the A. Jaegers Optical Corporation, 691 South Merrick Road, Lynbrook, N.Y. 11563. The glass-blowing equipment and supplies were from the Wale Apparatus Company, 400 Front Street, Hellertown, Pa. 18055. Helium in glass flasks is available from the EGL Co., 730 South 13th Street, Newark, N.J. 07103. The neon-sign transformer was manufactured by the Jefferson Electric Company, 840 25th Avenue, Bellwood, I11.60104. The vacuum pumps can be obtained from the Sargent-Welch Scientific Company, 7300 North Linder Avenue, Skokie, III. 60077, or from Edwards High Vacuum, 3279 Grand Island Boulevard, Grand Island, N.Y. 14072. Morelli's vacuum gauges were from Ace Glass, Inc., P.O. Box 688, Vineland, N.J. 08360.

Bibliography

VISIBLE LASER TRANSITIONS IN HG+. W. E. Bell in Applied Physics Letters, Vol. 14, No. 2, pages 34-35; January 15, 1964.

CREATIVE GLASS BLOWING. James E. Hammesfahr and Clair L. Stong. W. H. Freeman and Company, 1968.

LIGHT AND ITS USES: MAKING AND USING LASERS, HOLOGRAMS, INTERFEROMETERS AND INSTRUMENTS OF DISPERSION. T. D. Walker. W. H. Freeman and Company, 1980.

Suppliers and Organizations

The Society for Amateur Scientists (SAS) is a nonprofit research and educational organization dedicated to helping people enrich their lives by following their passion to take part in scientific adventures of all kinds.

The Society for Amateur Scientists
5600 Post Road, #114-341
East Greenwich, RI 02818
Phone: 1-401-823-7800

Internet: http://www.sas.org/




At Surplus Shed, you'll find optical components such as lenses, prisms, mirrors, beamsplitters, achromats, optical flats, lens and mirror blanks, and unique optical pieces. In addition, there are borescopes, boresights, microscopes, telescopes, aerial cameras, filters, electronic test equipment, and other optical and electronic stuff. All available at a fraction of the original cost.

SURPLUS SHED
407 U.S. Route 222
Blandon, PA 19510 USA
Phone/fax : 610-926-9226
Phone/fax toll free: 877-7SURPLUS (877-778-7758)
E-Mail: surplushed@aol.com
Web Site: http://www.SurplusShed.com