Cost: $0-100
About These Ratings
Difficulty: Intermediate; some special skills needed. Danger 1: (No Hazards) Utility:

------------------------

Billows in the Ionosphere Are Tracked with Transistor Radios

---------------------

by Jearl Walker
September, 1980

---------------------

THIS MONTH I SHALL DESCRIBE AN inexpensive apparatus designed by Douglas A. Kohl of Osseo, Minn., for the detection of gravity waves traveling through the ionosphere: the ion-rich layers of the earth's upper atmosphere. Although the waves are not fully understood, they are thought to be generated by such phenomena as the jet stream, severe thunderstorms and bombardment by solar particles. (They should not be confused with the gravitational waves that figure in general relativity and cosmology.) The waves travel more or less horizontally through the upper atmosphere, modifying the concentration of molecules and atoms. Therefore they also modify the concentration of ions, creating a traveling disturbance that causes variations in the reflection of radio signals by the ionosphere. Kohl monitors such variations and thereby detects the passage of the gravity waves.


Figure 1: The principles of Douglas A. Kohl's detection system

The ionosphere is transparent to radio signals with frequencies higher than about three megahertz. The signals of the television and frequency-modulation (FM) radio bands have a higher frequency, and so they travel direct through the ionosphere. The signals of the amplitude-modulation (AM) radio bands have a lower frequency, and so they are reflected by the bottom of the ionosphere. For this reason gravity waves are normally detected by variations in the reflection of such lower-frequency radio signals.

Generating your own radio waves would be expensive and would also call for permission from the Federal Communications Commission. Kohl therefore relies on the signal broadcast by a local AM radio station. He suggests choosing a station that is within 30 miles of you and operates at full power 24 hours a day. Part of the signal broadcast by the station travels direct to the detector and another part travels to the ionosphere and then to the detector. The first objective of the apparatus designed by Kohl is to eliminate the direct signal so that only the signal from the ionosphere is detected.

The detector consists of a modified transistor radio with a ferrite-core antenna. The antenna is oriented until the reflected signal from the radio station is at its maximum. This optimum orientation is usually both horizontal to and perpendicular to a line between the receiver and the transmitting antenna. The orientation is necessary because the radio signal is polarized: its electric and magnetic fields oscillate along particular axes. When the electrons in the transmitting antenna oscillate, they radiate electromagnetic waves at the AM radio frequency. The wave traveling direct to the receiver has electric fields oscillating along a vertical axis and magnetic fields oscillating along a horizontal axis. Both sets of oscillations are perpendicular to the line along which the wave is traveling. This line is called a ray. The ferrite core antenna of the radio responds to oscillations of the magnetic field, so that when it is receiving the incoming magnetic fields of the radio wave most efficiently, it is parallel to them. Hence it is horizontal and perpendicular to the ray. (The standard automobile antenna responds to oscillations not of magnetic fields but of electric fields, so that it receives AM signals most efficiently when it is vertical, which of course it usually is.)

Kohl eliminates the direct signal from the transmitter by moving the antenna of his radio until the signal from the station is at its minimum. The antenna could be horizontal and pointed in the direction of the transmitter, or it could be vertical. It receives little of the direct signal in either orientation, but it can still receive the radio signal reflected from the ionosphere because it is partially aligned with the magnetic fields in that signal.


Figure 2: How Kohl modifies a transistor radio

Many disturbances of the ions in the ionosphere arise in the lower part of the ionosphere; they include long-period waves, variations in the chemistry of the ions and variations in the concentration of the ions because of a meteor shower. Kohl wanted to detect the disturbances due to gravity waves that last for a few hours. The passage of a gravity wave through the reflective layer shifts the altitude at which radio signals are reflected and thereby changes the strength of the response in the receiving antenna. When the altitude of the point of reflection increases, the response of a horizontal antenna increases because the magnetic fields of the reflected signal are better aligned with the antenna; the response of a vertical antenna drops because the fields are less well aligned.

I shall first describe how to build a detector that will monitor the gravity wave. Then I shall describe how the system can be improved by adding more radio sets so that additional features of the gravity wave can be detected. Kohl says you should choose a portable AM transistor radio that has a ferrite-core antenna at least six inches long. The longer the antenna is, the better your results will be.

If you intend to make measurements at night, the radio should also have a tuned radio-frequency stage so that it has enough selectivity to prevent interference from long-distance radio signals. Radio signals can be detected over much greater distances at night. When the sun sets, there is no longer sunlight to ionize atoms and molecules at the bottom of the ionosphere. As a result the number of ions decreases and the altitude at which the radio signal is reflected rises. This additional altitude of reflection means that a powerful radio signal can travel farther along the curvature of the earth.


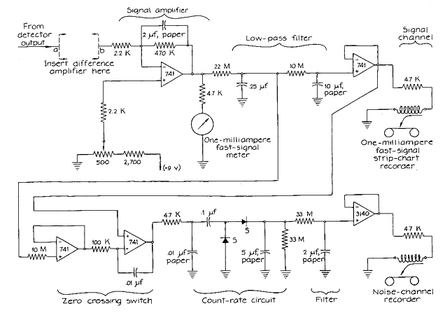
Figure 3: The arrangement for obtaining the output of the signal channel and the "noise" channel

Most portable AM transistor radios have the circuitry outlined in Figure 2 [above]. The circuit is first modified by cutting the connection at the place indicated on the diagram by an x and a y so that the automatic gain control can be converted to manual control. The cut is made next to the volume control of the radio. An additional circuit is inserted at that point to provide manual control for recording the signal reflected from the ionosphere. The weak-sensitivity section of the inserted circuit is necessary to restore the radio's sensitivity to weak stations. If the radio has n-p-n transistors instead of the p-n-p ones assumed in the diagram, the battery connection will be to the positive terminal rather than to the negative one. The polarity of the meter, the recorder and the "zero adjustment" I shall describe will have to be reversed for this type of radio.

The output signal from the manual gain control is amplified and filtered by the circuit shown in the accompanying illustration [above left]. The low-pass filter eliminates the modulation of the voice and the music of the radio signal, since you are interested only in the strength of the signal reflected from the ionosphere. The filter also eliminates any short-term clicks, pops and manmade interference caused by light switches, automobile ignitions and the like.

The filter does pass the variations in the strength of the reflected signal that materialize over several minutes. These variations, which emerge at the point labeled "Signal channel," are indicated on a strip-chart recorder connected to the other end of the low-pass filter. Kohl, found that a recording speed of one inch per hour is sufficient, and so it is possible to use an inkless strip-chart recorder. The recorder should be rated at one milliampere of direct current. Since the recorder is meant to have a slow response to the radio signal, a meter ("Fast-signal meter") is installed ahead of the lowpass filter to indicate faster variations in the signal strength. This faster response enables the experimenter to adjust the gain controls as he is setting up the apparatus. The meter should also be rated at one milliampere of direct current.


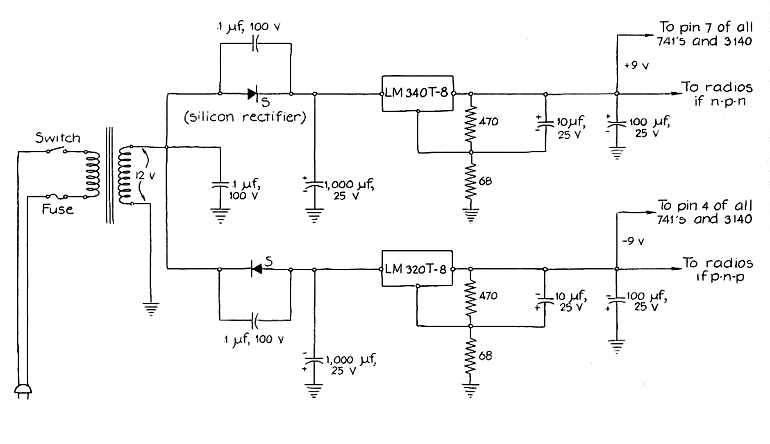
Figure 4: The power circuit of the apparatus

Besides keeping track of the periodic variations indicated on the strip-chart recorder Kohl also monitors the "noise" of the ionosphere with another circuit connected beyond the low-pass filter. This circuit measures the frequency (in times per minute) with which the signal reverses polarity. Each time the strength of the signal crosses a predetermined base line an impulse is sent to the countrate circuit. For example, if the ionosphere is relatively noisy, the signal strength may oscillate fairly rapidly around an average value several times per minute. This rapid variation will be counted. At quieter times the oscillation of the signal strength will be lower. The output of the count-rate circuit is sent through a filter and then through the "noise channel" to another strip-chart recorder of the same type as the one recording the strength of the signal.

Kohl employs the power-supply circuit shown in the illustration above to power all the circuits including the radio. Unless the radio has an unusually high current requirement the heat-sink tabs on the voltage regulators (LM 340T-8 and LM 320T-8) will not need to be mounted on heat sinks. Kohl warns against eliminating the .1-microfarad capacitors in this circuit. If they are left out, the rectifiers will interfere with the radio.

Once you are ready to monitor the ionosphere you begin by tuning the radio to a distant, weak station. (All the circuit modifications leave the audio part of the radio unaltered.) With the antenna horizontal adjust the weak-sensitivity control to maximize the sound from the station. That control is now set for the rest of the experiment.


Figure 5: How the traveling ionospheric disturbance is represented on a strip-chart recorder

Tune the radio to the local station you have chosen for the experiment. Rotate the antenna about a vertical axis until the sound level is at a minimum. (You may have to rotate the radio too if the antenna is firmly attached to the case.) Adjust the gain until the needle on the fast-signal meter is at about half scale. Check the antenna to be certain it is at the optimum orientation for the minimum sound level. If it is, the needle on the fast-signal meter should be fluctuating slowly and the sound on the radio should have varying amounts of distortion. What you are listening to is the radio signal reflected from the ionosphere.

If the detector is surrounded by a good deal of metal, as it would be in an office building or an apartment house, you may have difficulty eliminating the direct signal from the transmitter. Try different locations until you find a suitable one. You can determine the suitability of the location by watching the fast-signal meter. If the nullification of the direct signal is adequate, the needle on the meter will fluctuate steadily. The low-pass filter smoothes these rapid changes so that the strip-chart recorder on the signal-channel output responds to slower variations in signal strength. It takes about five minutes for the recorder to trace out a change in the signal strength. The noise channel requires no adjustment.

A sinusoidal trace on the signal-channel output implies that a gravity wave is passing through the region where the radio signal is being reflected. According to Kohl, the pattern emerges out of small and seemingly random changes in the display on the recorder. The time between crests on the trace may be from five to 40 minutes, but usually it ranges from 15 to 25 minutes.

One shortcoming of the basic receiver system is that it responds to interference from many sources, such as fluorescent


Figure 6: A trace from the noise channel

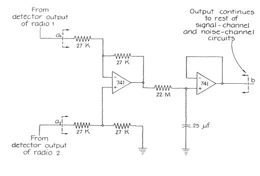
lamps and strokes of lightning. To eliminate the interference Kohl sets up another detector system near the first one. The antennas of the two receivers are approximately parallel but the second antenna is tuned to a frequency that is different by about 100 kilohertz (but a frequency not used by a local radio station). The electrical signal in one antenna therefore does not stimulate a response in the other.

The first receiver still responds to the signal reflected from the ionosphere and to interference from other sources. The second set responds only to the interference. The outputs from the two sets are run through a difference amplifier, for which the circuitry is given in Figure 7. The amplifier provides only the difference in the two signals from the receivers. As a result the final output lacks the interference signal and contains only the signal reflected from the ionosphere.

With two additional sets one can measure the altitude at which the signal was reflected in the ionosphere. The sets are identical with the first two except that their antennas are vertical. In a horizontal antenna the reflected signal induces a response proportional to the sine of the angle between the horizontal and the ray coming from the ionosphere. The response in the vertical antenna is proportional to the cosine of the angle. The tangent of the angle can be calculated by finding the ratio of the response in the horizontal antenna to the response in the vertical antenna. (The receivers should be identical or the ratio will be off.)


Figure 7: The circuitry of the difference amplifier for eliminating local interference

The ray being received left the transmitting antenna at roughly the same angle with respect to the horizontal. Calculate the altitude of the reflecting layer by estimating the horizontal distance to the transmitting antenna (on the assumption that between the detector and the transmitter the earth is flat). The altitude of the reflecting layer of the ionosphere is half the distance to the transmitter multiplied by the tangent of the angle.

The altitude of the reflection depends on the frequency of the radio signal. The higher the frequency, the greater the altitude at which the signal is reflected. One can monitor the gravity wave at two different altitudes in the ionosphere by tuning two basic receiver systems to two different frequencies. Each system has one radio receiver to monitor the reflected signal at the chosen frequency and another receiver for the purpose of eliminating the environmental interference. Kohl recommends working with the signals from two local radio stations that are in approximately the same direction from the apparatus. One receiver should operate at a frequency near 1,500 kilohertz, the other at one close to 600.

If the gravity-wave tracings are similar on the two sets, the wave extends over a rather large vertical distance Dissimilar tracings would imply that the gravity wave was propagating through a relatively narrow layer. To do the experiment thoroughly you need eight radios, four operating at each end of the AM band. Two of each four have horizontal antennas. One set is tuned to a local station and the other acts merely as a receiver for the interference so that the interference can be eliminated. The other two radios in each set of four serve in the same way except that their antennas are vertical. By finding a ratio of the responses from the vertical antennas to those from the horizontal antennas the experimenter can determine the altitude at which the radio signal was reflected. The same kind of calculation can be made at the other end of the AM band. You will find that radio signals at different frequencies reflect at different altitudes.


Figure 8: A change of polarization of a radio wave as a result of ionospheric reflection

The frequency dependence of the reflection is related to the way a radio wave is reflected by the ionosphere. The radio signal is composed of oscillating electric and magnetic fields, which interact with the ions. The primary interaction is through the electric fields, and so I shall ignore the magnetic ones. I shall also consider the radio wave to be linearly polarized, so that the electric fields oscillate along a single axis perpendicular to the ray of the radio signal. When the radio wave sweeps past the free electrons at these altitudes, its electric fields create an electric force on the electrons, causing them to share the axis of oscillation of the electric fields. (The motion of the heavier ions can be ignored. since their mass is larger, their oscillations are much smaller.) In the usual model of the interaction of radio waves and electrons the radio wave is said to be absorbed by the electrons and then reradiated by their oscillation. Unless the reradiated wave is reflected it travels in the same direction as the incident wave and appears to be a continuation of that wave.

The electrons' frequency of oscillation is called the plasma frequency. If the frequency of the radio signal is higher than the plasma frequency, the signal continues to travel through the ion layer. If the radio frequency is lower than that critical value, it penetrates only a few centimeters and then is reflected. The plasma frequency in the ionosphere is approximately three megahertz; its actual value depends on the concentration of electrons. The greater the concentration, the higher the plasma frequency. At the bottom of the ionosphere the concentration of electrons increases with altitude. Hence a radio signal propagates upward through the ionosphere until it reaches an electron concentration large enough to reflect it. If the signal does not encounter such a concentration, it simply propagates through the ionosphere and out into space.

A radio signal at the low-frequency end of the AM band reflects from a relatively low point in the ionosphere. A signal at the other end of the band must travel higher before it is reflected. Kohl employs this relation to sample the effects of gravity waves at the two altitudes of reflection.


Figure 9: The difference between an integral gravity wave and an acoustic one

As I have mentioned, in one of Kohl's setups he nullifies the direct signal from the transmitting antenna by means of a vertical receiving antenna that does not respond to the horizontally oscillating magnetic fields in the linearly polarized signal. If the signal reflected from the ionosphere were likewise linearly polarized with its magnetic fields oscillating horizontally, it too would not generate a response in the antenna. Fortunately the polarization of the signal is altered by the reflection in such a way that it can generate a response. When electrons in the ionosphere are set in motion by the oscillating electric fields of the radio wave, they are also affected by a magnetic force resulting from the presence of the earth's magnetic field. The magnetic force comes into play only when the electrons have velocity, so that the force does not operate until the radio wave arrives. The magnetic force makes the charges circle the ray of the radio signal.

The interaction of the electric fields of the radio wave, the earth's magnetic field and the motion of the electrons is usually handled mathematically by imagining that the radio wave consists of two waves traveling in the same direction. Neither wave has the linear polarization of the wave from the transmitting antenna, but the two together mathematically give rise to it. The advantage in splitting the wave into two parts is that the polarization of the reflected wave is easier to explain.

The two imaginary radio waves are polarized not linearly but circularly. The axis of polarization of one wave rotates about the ray of the radio signal in one direction, and the axis of polarization of the other wave rotates about the ray in the opposite direction. Because of the presence of the earth's field the two waves propagate through the ionosphere at different speeds. In the terminology of optics the ionosphere is birefringent.

The two radio waves not only propagate through the ionosphere differently but also are reflected differently. In some cases one wave will be partially transmitted through the ionosphere and partially reflected. The other, having the opposite sense of circular polarization, may be completely reflected. The combination of the two reflections gives rise to an elliptically polarized wave: one whose electric fields rotate about the ray tracing out an ellipse rather than a circle. (The bottom illustration at the left represents one possibility for the reflected signal.) The point is that although a linearly polarized radio wave enters the ionosphere, an elliptically polarized wave is reflected. The magnetic fields of such a radio wave also trace out an ellipse and therefore will periodically be parallel to the antenna of the radio receiver. This is the phenomenon that causes the reflected signal to generate a response in the receiver.

During the day the radio signals are reflected in a layer of the ionosphere known as the D layer. At an altitude of from 60 to 90 kilometers, this layer is characterized by gas densities that are high and electron concentrations that are low compared with the atmosphere at higher altitudes. When the sun sets, the electron concentrations decrease in this layer because the ultraviolet radiation needed to produce the ions is no longer present.

At night the signals reflect from the E layer, which extends from about 90 to 150 kilometers. The temperature rises with altitude throughout the E layer, starting at a minimum near 85 kilometers that is known as the mesopause. Above the E layer is the F layer, which extends to an altitude of about 500 kilometers.

Periodic disturbances in the three layers have long been observed. In 1960 Colin O. Hines proposed that some of the disturbances could be accounted for by atmospheric waves. The waves are still not well understood, particularly with respect to their origin and energy. They may be initiated by thunderstorms, strong winds deflected by mountains, tidal waves, earthquakes, the auroral and equatorial electrojets, the jet stream and heating during auroral and polar substorms. At times the waves appear to be ducted, that is, trapped into propagating horizontally between two boundaries, one below the duct and one above it. Such waves may leak energy into the region above the duct and promote traveling ionospheric disturbances at higher altitudes.

The gravity waves detected by Kohl's apparatus are sometimes called internal gravity waves to distinguish them from acoustic gravity waves. The internal wave is considered to be a transverse one (the air oscillates perpendicular to the direction of travel of the wave) with a period of from 270 seconds to four hours. The acoustic wave is considered to be a longitudinal one (the air oscillates parallel to the direction of travel of the wave) with a period of less than 270 seconds. Both kinds of wave can be generated by large-scale disturbances in the atmosphere.

The acoustic gravity wave is a compression wave like a sound wave. The internal gravity wave, on the other hand, requires a gradient in the atmospheric density in order to exist and therefore is not found in the air at ground level. At greater altitudes the decrease in density is sufficient to support such a wave. When a parcel of air is displaced, either its buoyancy or its weight acts to return it to its initial height. If the parcel is displaced downward, buoyancy pushes it back upward. If it is displaced upward, its weight pulls it back downward. Through this mechanism a disturbance in the atmosphere can make the parcels of air oscillate around their equilibrium height and so can support a wavelike phenomenon moving through the air.

However the wave is initiated and sustained, one of its effects is on the concentrations of the electrons that are responsible for reflecting AM radio signals. Therefore the waves can be detected and monitored with Kohl's apparatus. You may be able to demonstrate horizontal propagation of the waves if you and a friend at a distance operate similar detection systems. Although the correlation of gravity waves with events such as large thunderstorms and solar flares is difficult, you may want to try. Kohl's apparatus can also be applied in the study of other ionization phenomena such as the irregular and transient ionization known as sporadic E, which is thought to result from the interaction of the earth's magnetic field with winds in the E layer.

Bibliography

INTERNAL ATMOSPHERIC GRAVITY WAVES AT IONOSPHERIC HEIGHTS. C. O. Hines in Canadian Journal of Physics, Vol. 38, No. 11, pages 1441-1481; November, 1960.

ATMOSPHERIC WAVES AND THE IONOSPHERE. Tom Beer in Contemporary Physics, Vol. 13, No. 3, pages 247-271; May, 1972.

ATMOSPHERIC WAVES. Tom Beer. John Wiley & Sons, Inc., 1974.

 

Suppliers and Organizations

 

Fry's Electronics retails over 30,000 electronic items within each store. Fry's has been keeping hi-tech professionals supplied with products representing the latest technology trends and advances in the personal computer marketplace for 15 years. Fry's has become the place where a technical customer can shop with confidence and comfort.

The Society for Amateur Scientists (SAS) is a nonprofit research and educational organization dedicated to helping people enrich their lives by following their passion to take part in scientific adventures of all kinds.

The Society for Amateur Scientists
5600 Post Road, #114-341
East Greenwich, RI 02818
Phone: 1-401-823-7800

Internet: http://www.sas.org/