Cost: $0-100
About These Ratings
Difficulty: Beginner to intermediate Danger 1: (No Hazards) Utility:

------------------------

The Voiceprints of Birdsongs and Cockroaches in a Maze

---------------------

by C. L. Stong
February, 1974

---------------------

IT IS well known that birds can be distinguished not only by their appearance and behavior but also by their song. Some songs, however, are so much alike that it takes a trained observer to tell them apart. Moreover, there may very well be differences in birdsong that cannot be detected even by a trained observer, because of inherent limitations in the human sense of hearing. Such differences may nonetheless be revealed by electronic devices. One of a number of possible observational approaches has been taken by Gary S. Thorpe of 6127 Balcom Avenue, Reseda, Calif. 91335. Thorpe, who is a graduate student in biology at California State University at Northridge, discusses the observation of birds and describes a few recording devices that he employs to aid in their identification.


Gary S. Thorpe's directional microphone for recording birdsongs

"Essentially I collect animal sounds, including those of birds and insects, with a battery-powered tape recorder. I then feed the reproduced signals into the pen recorder of an electrocardiograph. The resulting graph displays a characteristic pattern of undulations that is unique for each individual and characteristic of each species even though it represents variations of sound amplitude at relatively low frequency rather than the fine details of the complex sound wave. Subtle differences in the sounds of birds that tend to elude the ear are often clearly recognizable when they are displayed as a graph. For this reason the field glasses, camera and notebook that were once considered to be ample aids to the bird watcher have been joined by the directional microphone, tape recorder and pen recorder.

"In my case the additional devices not only have helped me to identify specimens but also have opened a new dimension in the observation of bird behavior. As suggested by Nicholas E. Collias of the University of California at Los Angeles, sounds made by birds can be grouped in five categories. They are the noises made during flockings and group movements, the sounds made incidental to the procurement of food, warning cries emitted in response to predators and enemies, the reassuring clucks and chirps associated with parent-offspring relationships, and the impressive array of sounds characteristic of sexual behavior and aggression related to it.

"Sounds in the first two categories are regarded as being incidental. In general they are of less interest to bird watchers than the primary sounds of the other three categories. Indeed, most laymen are inclined to regard as typical of animals (including birds, insects and amphibians) only the sounds associated with sexual behavior and aggression. Among such sounds are the more melodious songs of birds, the croaking of frogs and the characteristic buzzing of many insects, including the chirping of crickets.

"Traditionally the identification of animals in the wild, including birds, has depended on visual observation at relatively close range. The method leaves much to be desired. The presence of an observer may cause the animal to avoid the area or to behave atypically. A bird may switch from song to a screech of warning at the approach of a human being.

"Numerous stratagems have been devised to solve the problem. Perhaps the most popular solution is the backyard bird feeder. Relatively few species of birds venture close to houses, however, and they display patterns of behavior that suggest partial domestication. Much of our knowledge of birds and their behavior has been recorded by observers concealed in blinds that matched the appearance of the wild environment. Blinds, however, are difficult to build, uncomfortable for the bird watcher and restrict observations to a comparatively small area.

"A bird watcher who has a good pair of binoculars, a camera with a telephoto lens, a highly directional microphone and a battery-powered tape recorder can range widely. From a distance of 100 yards or so intimate observations can be made of birds that come to rest on a crag of a sheer cliff, across the rapids of a mountain stream or in the middle of an inaccessible swamp. Moreover, the apparatus can be fitted with an electronic trigger that responds to sound. By aiming the telephoto lens and the directional microphone at an area and setting the trigger the bird watcher can relax his vigilance while the birds automatically record observations of themselves.

"The tape recorder can be of any type that is capable of reproducing sound equal in quality to a reasonably good radio set. It need not be of the high-fidelity type. My model has a tape cassette designed to record sound on four tracks. The machine is light, compact and battery-powered and thus is ideal for fieldwork. Unfortunately it is not weatherproof. I solve this problem by keeping the recorder and an electronic triggering device in a few nested plastic bags.


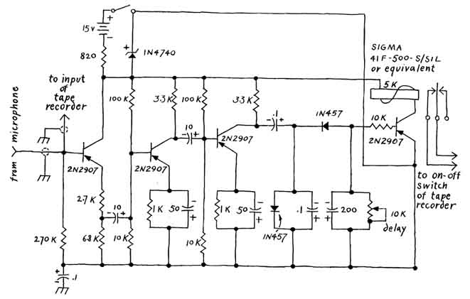
Circuitry of the triggering mechanism

"The triggering mechanism is based on a voice-operated relay circuit that was developed originally for automatically switching on a radiotelephone when the operator speaks into a microphone. I modified the circuit for field operation with the tape recorder. The triggering unit consists essentially of a three-stage transistor amplifier that operates from a high-impedance microphone [see illustration at right]. The output signal of the amplifier is converted to direct current by a diode. The direct current charges a capacitor that is coupled to the base terminal of the output transistor. The charged capacitor causes the output transistor to conduct. The interval of time during which charge remains on the capacitor, and hence the interval during which the output transistor conducts, is determined by the rate at which charge drains from the capacitor through an adjustable resistor.

"The circuit of the output transistor includes the coil of an electromechanical relay that operates when an amplified signal from the microphone causes the transistor to conduct. The contacts of the relay are coupled to the on-off switch of the tape recorder. In effect, sounds picked up by the microphone automatically start the tape recorder.


Details of hinge for paraboloid and of the microphone mounting

"The recorder continues to operate until charge drains from the capacitor in the base circuit of the output transistor. The period of operation is about two seconds if the variable resistor is adjusted to 5,000 ohms. The time can be increased by substituting a larger variable resistor. For example, at 25,000 ohms the recorder will continue to operate during silent intervals of approximately five seconds. A two-second delay is usually adequate for recording most birdsongs without annoying interruption and for economizing on tape. The relay can also be designed to actuate the electrical shutter release of a camera. Incidentally, the circuit can be made with almost any small PNP transistor that is capable of dissipating .15 watt and has a beta (current gain) of 35 or more.

"To avoid disturbing birds I make some of my observations at a distance of 100 feet or more. To record intimate sounds at such distances I set up a directional microphone, which is the acoustical counterpart of a telephoto lens. I improvised the device by rigidly supporting an inexpensive crystal microphone at the focus of a paraboloidal dish of fiberglass about three feet in diameter. The dish is sold as a sled in toy stores.

"The amount of acoustic energy that a parabolic reflector can concentrate on a microphone varies with the pitch of the sound and the diameter of the dish. A dish three feet in diameter can in effect boost the output power of a conventional microphone about 10 times at a pitch of 180 hertz and higher. (This tone is roughly equivalent to F below middle C.) Paraboloids of larger diameter increase the response to tones of lower pitch but do not otherwise appreciably improve the performance or directivity of the microphone. Instructions for making parabolic reflectors of any desired size were given in this department in December, 1973. [The equation for z that appears in that issue should read .]

"The apparatus is exceptionally handy for ascertaining what species frequent selected ranges and also the seasons and the times of their visits. Essentially the recorder and the camera act like a trap. One can often sequentially make close observations of 16 quarter-acre regions from a single fixed location.

"The primary advantage of the system, however, is that it enables one to intimately observe animals that become alarmed in the presence of a human being. (Have you ever tried to get close to a chirping cricket?) The complete system is battery-powered and can be set up quickly in places as different as bat caves, wilderness areas and the edges of swamps.

"Having recorded tapes, I transcribe them in the form of graphic patterns. This step can be accomplished in a variety of ways by means of sound spectrographs and related instruments. I am interested in the recordings primarily as aids in species identification. I learned by experiment that patterns of bird sounds made by pen recorders of the kind used in electrocardiographs are extremely useful for my purpose. Physicians and laboratories of physiology have the apparatus and will cooperate with the serious amateur. Most of my tapes have been transcribed with a Sandborn Visco EKG recorder.

"The output level of the reproduced signal that is fed to the pen recorder must be determined experimentally. To avoid damage to the instrument I set the volume control of the tape reproducer to zero and slowly increase the output until the recording pen swings to approximately 75 percent of its full excursion during passages of maximum amplitude. Any pen recorder of comparable performance will serve to transcribe the tapes. The paper speed should be about 50 centimeters per second. A homemade pen recorder of the type described in these columns by J. Barry Shackleford works nicely [see "The Amateur Scientist, SCIENTIFIC AMERICAN, March, 1972].


Graph of song of chickadee

Song of the northern Appalachian katydid

Song of the southern Appalachian katydid

"The accompanying graphs [above] depict the distinctive sound characteristics of a chickadee and two species of katydid. It is possible for the amateur to accumulate fairly rapidly a modest library of known patterns for identifying fauna of various kinds and classifying behavior. The world's largest collection of bird sounds (more than 15,000 recordings) is maintained in the Laboratory of Ornithology at Cornell University."

GENIE Floyd, a biology major at New College in Florida, has concluded from experiments at her home in Hartsville, S.C., that exposure to near-freezing temperatures significantly increases the retention by cockroaches of a learned routine. This came as something of surprise, because one might have expected the chilling to have the opposite effect. "It is well known," she writes, "that the rate of a chemical reaction is accelerated by an increase in temperature and decelerated by a decrease in temperature. Biochemical reactions, and thus life processes, should be no exception, at least within reasonable limits.

"Relatively few multicellular organisms can survive appreciably elevated temperatures, but many can tolerate reductions that approach the freezing point of water. To check the supposition that exposure to low temperatures might dull an animal's memory I designed a set of experiments with cockroaches. I chose these insects because they can survive extremes of temperature and are incredibly adaptable.

"Although cockroaches are commonly supposed to be widely available, I bought 20 specimens (Periplaneta americana) from the Carolina Biological Supply Company (Burlington, N.C. 27215). All were adults except for three nymphs that were near maturity. Until the experiments were made the roaches were kept in plastic cages in darkness, fed crumbled dog biscuit and watered with a tuft of wet cotton.

"The experiment consisted in training the roaches to run a maze according to a predetermined route. Before starting the experiment I separated the roaches into four groups of five individuals each. Each group was first trained to run the maze without error and then subjected to one of four conditioning programs. One group that served as an experimental control was allowed to rest in darkness for six hours at a temperature of 23 degrees Celsius (73 degrees Fahrenheit) immediately after it was trained. The second control group was allowed to rest in darkness at the same temperature for 12 hours. The two remaining groups- the experimental roaches-were subjected to identical conditioning except that after training one group rested in darkness for six hours at a temperature of six degrees C. (43 degrees F.) and the other rested at the same low temperature for 12 hours. Thereafter all the cockroaches remained undisturbed in their cages for one additional hour in darkness but at room temperature. This period of rest enabled the insects that had been refrigerated to recover All the roaches were then made to traverse the maze again and were retrained as necessary to make six successive runs without error.


Gene Floyd's appraratus for experiments with cockroaches

"The maze consists of a small trough of plywood in the shape of a T [see illustration at right]. The crossarm of the T contains shaded compartments at its ends, the inner surfaces of which are painted in flat black. A movable feature of the maze is a flat, rectangular grid of interlacing aluminum strips that can be electrified. The grid can be placed on the floor of either shaded compartment. A roach that steps on the metal strips receives a shock that is harmless but nonetheless punishing.

"The device consists simply of a rectangle of plywood to which I stuck a sheet of aluminum foil with doubly coated adhesive tape [see illustration lower left]. The pattern of insulated but interlaced electrodes was cut with a safety razor blade. The plug of the electrical extension cord houses a pair of one-megohm carbon resistors. One resistor is connected in series with each conductor that energizes the metal strips. The resistors limit the maximum current that can be drawn by the apparatus, even on short-circuit, to about one ten-thousandth of an ampere.

"During experiments the maze is placed inside a cardboard box that confines the roaches even if they escape from the apparatus. Attempts to escape are discouraged by coating the inner walls of the maze and the upper walls of the box with Vaseline. The apparatus is lighted by a single 150-watt incandescent lamp suspended 75 centimeters (30 inches) above the center of the maze. Roaches can be handled without injury if the experimenter is reasonably gentle and deft.


Arrangement and circuitry of the grid

"Roaches instinctively avoid lighted regions; as a biologist would put it, they are negatively phototaxic. I took advantage of this preference as the positive reward for desired behavior. Undesired behavior was punished, or negatively rewarded, by means of the electric grid.

"Before I started experimenting or had installed the punishment grid I put each individual in the maze at the base of the leg of the T and allowed it to run to one of the dark compartments. The run was repeated three times at intervals of two minutes to determine if the roach preferred to turn right or left as it entered the crossarm. Most roaches turned left. For this reason I installed the punishment grid in the left-hand compartment.

"At this stage I separated the roaches randomly into four groups of five individuals. The individuals of each group were caged separately in small plastic bottles, where they remained in darkness without access to food for one hour. All were handled as gently as possible to minimize their excitement.


Learning (color) and relearning (black) by cockroaches in the maze experiments

"After the punishment grid was installed the roaches were trained one at a time by placing each individual in the base of the leg of the T. To escape from the light the roach would scurry to the crossarm and turn left or right. Each run was tabulated. A left turn into the crossarm counted as an error. Invariably roaches that entered the left-hand compartment and received a shock promptly ran to the darkened right-hand compartment and stayed there. A roach that refused to move when placed in the maze or attempted to climb the walls was given a gentle push with a glass rod.

"A roach was considered to be fully trained when it ran without error from the base of the T to the right-hand compartment six times in succession. Individuals were allowed to relax in the refuge of the darkened compartment for two minutes between runs. The maze was wiped with alcohol after each roach completed its runs to remove spoor and other material that might influence the subsequent behavior of other roaches. Following this initial learning experience each individual was isolated in a plastic bottle with access to food and set aside for the interval of time at the temperatures I have mentioned and retrained as necessary. The tabulated results were then graphed (right).

"Contrary to my initial assumption roaches that were refrigerated after learning to run the maze made fewer errors than peers kept at room temperature. Moreover, roaches that were kept in the cold environment for 12 hours made fewer errors than those that were refrigerated for six hours. I hope other amateurs will repeat the experiments and even extend them to higher animals."

Bibliography

FIELD BOOK OF WILD BIRDS AND THEIR MUSIC. F. S. Mathews. G. P. Putnam's Sons, 1921.

"REMINISCENCE" IN THE COLD FLOUR BEETLE (TENEBRIO MOLITOR). Thomas M. Alloway and Arych Routtenberg in Science, Vol. 158, No. 3804, pages 1066-1067, November 24, 1967.

 

Suppliers and Organizations

The Society for Amateur Scientists (SAS) is a nonprofit research and educational organization dedicated to helping people enrich their lives by following their passion to take part in scientific adventures of all kinds.

The Society for Amateur Scientists
5600 Post Road, #114-341
East Greenwich, RI 02818
Phone: 1-401-823-7800

Internet: http://www.sas.org/