Cost: $100+
About These Ratings
Difficulty: Intermediate; some special skills needed. Danger 1: (No Hazards) Utility: This project is based on obsolete technology.

------------------------

Weather-Satellite Pictures Are Picked Up in the Home

---------------------

by C. L. Stong
January, 1974

---------------------

PICTURES of regional cloud cover made by weather satellites have become familiar to television audiences in metropolitan areas of the U.S. as a regular feature of the evening news. The same pictures are captured elsewhere and at more frequent intervals by radio hams, amateur weather observer and a growing number of other enthusiasts. An apparatus for receiving satellite pictures of cloud cover can be assembled by an enterprising beginner for about the cost of a moderately priced television set. A typical installation is operated by Eugene F. Ruperto, Box 166, R.F.D. No. 1, West Alexander, Pa. 15376. Explaining how one of the more highly developed weather satellites broadcasts its signals and how the amateur can make an apparatus to receive them, Ruperto writes:

"After three years of operating a weather-satellite recorder I still get a thrill out of snapping a few switches in the hills southwest of Pittsburgh and receiving from space a picture of Hudson Bay or a tropical storm approaching the coast of Yucatan. Building the station has renewed my interest in the weather and also has introduced me to the study of satellites. Most interesting, however, is the final result: a cloud-cover picture of my immediate area from a spacecraft that passed my way only minutes before.

"My apparatus monitors two polar-orbiting weather satellites, ESSA-8 and NOAA-2. The first was launched by the Environmental Science Services Administration in 1968. It is now approaching the end of its useful life, although it continues to transmit clear signals. The second satellite, NOAA-2, was launched in 1972 after the agency had been renamed the National Oceanic and Atmospheric Administration.


Satellite picture of Great Lakes cloud cover obtained by Eugene F. Ruperto's apparatus

"NOAA-2 transmits continuous weather data on a frequency of 137.5 megahertz to all parts of the earth. Both ESSA-8 and NOAA-2 make a complete orbit every 115 minutes. The following discussion is based on the more technically advanced NOAA-2, which should continue to operate for some years. In its polar orbit it swings close to the North Pole, then moves south across the Equator and finally, having traversed Antarctica, returns north for the next orbit.

"The vehicle carries a reflecting telescope, the optical axis of which remains tangent to the earth's surface and pointed in the direction of the satellite's path. The objective mirror, an ellipsoid, is set at an angle of 45 degrees with respect to the optical axis of the instrument. The mirror rotates continuously at the rate of 48 revolutions per minute, plus or minus a few parts in a million. As the vehicle moves in orbit the rotating mirror scans the earth and space in the east-west direction. A Cassegrainian optical system focuses radiation thus acquired through a beam splitter alternately to a bolometer and to a photodiode.


Hurricane Ellen over Bermuda on August 20, 1973

"The system functions as a two-channel scanner that examines the earth 48 times per minute in both infrared and visible light sequentially to disclose cloud cover on the unlighted and lighted hemispheres. Information collected during each scan is encoded and broadcast as a shortwave radio signal during an interval of 1.25 seconds. The first half of the interval, .625 second, begins with telemetry data and is followed by the infrared scan from 10.5 nanometers through 12.5 nanometers. The second half of the interval is occupied by telemetry data followed by the scan in visible light from .5 nanometer (green) through .7 nanometer (red).

"Each 1.25-second signal comprises a 'line' of picture data that is analogous to the line of a television picture. About 850 lines necessarily complete a weather-satellite picture, because the short radio waves follow a line-of-sight path that can reach any specific location on the earth's surface during a maximum interval of about 18 minutes. At my location, for example, signals are first picked up at about the time NOAA-2 approaches the latitude of Cape Farewell in Greenland, and they are lost as it approaches the Gulf coast of Yucatan.


Components of the weather-satellite receiving system

"My receiving system includes a surplus FM radio receiver and a homemade oscillator that generates a local signal of the same frequency as that of the satellite [see illustration at right]. Both signals are taped for subsequent playback and conversion into pictures by a homemade facsimile recorder. Essentially the recorder consists of a rotating drum of wood that carries a cylinder of photographic paper and a gas-discharge lamp that flickers in response to signals broadcast by the satellite. A motor-driven lead screw moves the lamp and lens system parallel to the rotating cylinder as a thin beam of light exposes the photosensitive paper line by line. The recording mechanism is housed in a lightproof cabinet when exposures are made. The radio and locally generated signals are amplified and otherwise: processed with several electronic devices.

"Surplus radio receivers of the kind in my system can be bought from the Gregory Electronics Corporation (249 Route 46, Saddle Brook, N.J. 07662). My receiver was designed for operation at 49.54 megahertz. I inserted a converter between the antenna and the receiver to reduce the frequency of the incoming signals from 137.5 megahertz to 49.54~ megahertz. Converters are available from Aerotron, Inc. (U.S. Highway 1, North Raleigh, N.C. 27608).

"Incoming signals can be reproduced directly in the form of photographs, but I prefer to record them on magnetic tape. This stratagem enables me to reproduce any number of original photographic copies and also to accumulate an inventory of signals for experiments that I do during periods when the satellite is out of range. In addition the tape affords a measure of protection against the loss of a picture if part of the system malfunctions.

"Signals from the satellite appear at the output of the receiver as an alternating current of varying voltage at a constant frequency of 2,400 hertz. The picture data are encoded as variations of the voltage. I refer to this current as the picture signal and feed it into one channel of the stereo tape recorder. Into the other channel I feed a similar current of 2,400 hertz at constant voltage that is generated by a crystal-controlled oscillator. I refer to this current as the reference signal.


The facsimile recorder

"The picture and reference signals, together with alternating current from the 60-hertz power line, operate the facsimile recorder. The size of the recorder was determined by the dimensions of Kodak Polycontrast Rapid enlarging paper, which is available in standard eight-by-10-inch sheets. The drum that carries the paper is an 11-inch rolling pin of wood 2X inches in diameter. I replaced the handles with an axial shaft of steel 1/4 inch in diameter and 13 inches long, which is fastened to the wood with epoxy cement. The improvised drum turns in bronze bearings of standard size fitted to brackets made of 1/8-inch sheet aluminum [see illustration at left].

"Photographic exposures are made by a point of light .006 inch in diameter. Rays from the lamp (a Sylvania Type R-1168 glow modulator tube) are focused on the rotating cylinder by a telescope eyepiece of one-inch focal length. When the eyepiece is in proper focus, it is within about a quarter of an inch of the paper. The lamp and the eyepiece are mounted in a 15-inch flared fitting (a short brass pipe) of the kind used to connect the trap under a kitchen sink. The optical assembly is clamped on the top of a wooden carriage that slides the length of the rotating drum on a rectangle of plate glass.


Details of the lamp

"The carriage is restrained laterally by a pair of aluminum rails and is propelled by means of a lead screw having 20 threads per inch. The screw is turned by a reversible Type CA Elurst synchronous motor. The motor operates from the 60-hertz power line. It is available from the Allied Electronics Corporation (2400 West Washington Boulevard, Chicago, Ill. 60612).

"At 12 revolutions per minute the lead screw advances the lamp carriage nine inches in 15 minutes. During this interval the satellite broadcasts about 720 lines of data. At a drum radius of 1X inches each of the 720 parallel lines of satellite data is 7.3 inches long. Hence the final image would be approximately square if all telemetry signals and both the infrared and the visible data were reproduced. I rarely reproduce all four images on a single sheet of paper, however.

"A small Alnico magnet is recessed in one end of the rolling pin and fastened by a dab of epoxy cement. Once during each revolution the magnet grazes the end of a solenoid that is rigidly fixed to the base. The solenoid consists of a laminated bar of transformer iron that carries about 3,000 turns of fine magnet wire. The magnet and the solenoid function as a magneto that generates a pulse of voltage at exactly the same point during each revolution of the drum. This point marks the edges of the picture, be cause the edges of the paper are aligned with the magnet at the time the sheet is wrapped around the drum and fastened to it with doubly coated adhesive tape.

"The drum is rotated through a worm reduction gear by a Bodine Type KYC reversible synchronous motor. The motor is available from the Minarik Electric Company (224 East Third Street, Los Angeles, Calif. 90013) Both the drum motor and the carriage motor are fitted with reversing switches. After picture has been made I reverse both motors. The next picture can then be made without returning the carriage to its starting point.

"The speed of the drum motor is determined by the reference oscillator's frequency, which is fixed by a piezo-electric crystal of quartz. The crystal oscillator previously described in this department is suitable [see "The Amateur Scientist, SCIENTIFIC AMERICAN, May, 1973]. Incidentally, the pin numbers of the oscillator circuit that were specified in that article apply only to integrated circuits of the flat-pack type.

"The same article explains how to design digital circuits for dividing frequencies by any amount. Circuits of this kind are required by the satellite receiver. For example, I divide the 2.4-megahertz output of my crystal by 1,000 with a string of Type 7490 decade counters. This output can be momentarily lowered to 2,355 hertz with the device known as a phase-locked oscillator. Another string of integrated-circuit devices subsequently divides this frequency to 48 hertz. After appropriate amplification alternating current at this frequency energizes the drum motor. [Schematic diagrams of Ruperto's reference oscillator, phase-locked oscillator and other required devices for operating the drum motor will be forwarded without charge on receipt by this department of a self-addressed, stamped envelope.]


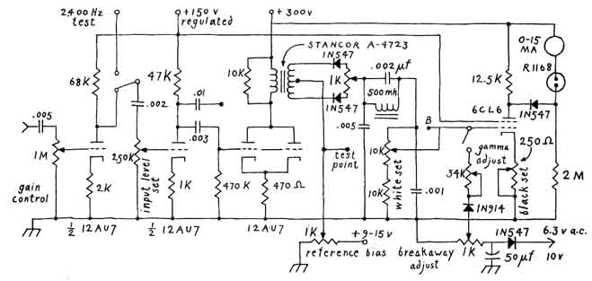
Circuitry of the video amplifier

"As I have mentioned, the satellite transmits infrared data and visual data sequentially 48 times per minute If the recording drum ran at this speed, both images would appear as slender strips divided by two patterns of telemetry signals. Each infrared pattern or picture of cloud cover can be made to occupy the full width of the photographic paper by running the drum at double speed: 96 revolutions per minute. Each full revolution then accommodates half of the data of each line, either infrared or visual. A photograph so made would be built up of alternate lines of both infrared and visual data.

"Occasionally I run my recorder at this speed and unscramble the images with the electronic device known as a line blanker. This device is essentially an electronic switch that automatically turns off the lamp when alternate lines of data appear. The line blanker is actuated by pulses from the magneto. A selector switch enables me to reproduce either the infrared image or a picture of cloud cover.

"The pulse of the magneto also enables the experimenter to adjust the phases of the synchronized drum and the satellite mirror so that lines of picture data begin and end at the edges of the photographic paper. I make this adjustment with a cathode ray oscilloscope Signals from the satellite are fed to the vertical plates of the oscilloscope. The horizontal sweep of the oscilloscope is initiated by magneto pulses from the recording drum.

"If the drum and the satellite mirror are rotating in the desired lockstep, the oscilloscope displays at its left edge a somewhat ragged square wave of substantial amplitude followed by an undulating pattern of lesser amplitude. The undulating pattern represents the picture data. Unless the phase relation between the drum and the satellite mirror has been adjusted, however, the square wave usually appears at an intermediate point on the face of the oscilloscope, flanked by undulating patterns.

When this configuration appears, I operate the push button of the phase-locked oscillator. This has the effect of lowering the speed of the drum motor. The square wave drifts toward the left of the oscilloscope display. When it reaches the extreme left edge, I release the push button. Thereafter the drum and the satellite mirror run in lockstep, and the lines of the picture begin and end at the edges of the paper. One can also 'phase' the drum and the mirror by interrupting the circuit of the drum motor momentarily, thus dispensing with the luxury of the phase-locked oscillator. Phasing in this way is a matter of hit or miss-mostly miss.

"A problem I encountered when I first tried to use the oscilloscope for making the phase adjustment was that the horizontal sweep of the instrument refused to work reliably at a frequency of less than two hertz. I solved the problem by again doubling the speed of the facsimile drum. At 192 revolutions per minute the drum magneto generates 3.2 pulses per second, a frequency to which the horizontal sweep responds nicely. This second speedup was accomplished by recording all signals at a tape speed of 33i inches per second and reproducing them at seven inches per second.

"Of course, the speed of the lead screw also had to be doubled. I accomplished this by changing the ratio of the gears that couple the motor to the lead screw. The final increase in speed had the incidental advantage of cutting in half the time required to make a picture.

"Before the system is turned on for the first time the contrast controls of the video amplifier should be adjusted. One control alters the density of the white areas of the image and the other one alters the dark areas. To make these adjustments, first record on magnetic tape a 2,400-hertz signal of constant amplitude. The signal can be taken from the output of the reference oscillator.

"Feed the reproduced signal into the input terminals of the video amplifier. Connect a vacuum-tube voltmeter or an equivalent meter that will measure peak-to-peak potential between test point A and the chassis. Adjust the amplitude of the input signal to the point at which 10 volts peak to peak appears at point A. Then adjust the white control to the point at which the meter in the lamp circuit indicates 1.5 milliamperes.

"Lower the input signal until the potential between point A and the chassis falls to two volts. Adjust the black control to the point at which the meter in the lamp circuit indicates 14 milliamperes. The contrast of the developed photographs depends on a number of factors including the characteristics of the photosensitive emulsion. For this reason the white and black controls may require a bit of fine adjustment by the time-honored technique of 'cut and try.'

"Perfectionists can improve the picture quality even more by fiddling with the gamma adjustment and the breakaway adjustment. Set each adjustment at the midpoint of its excursion. Thereafter alter each setting slightly in one direction or the other just before making a picture. Keep a record of the settings and the corresponding results. Eventually a combination will be found that produces the most pleasing pictures. I should point out, however, that the influence of these controls is small.

"How does one learn the time at which signals from weather satellites will appear and the direction from which they will come? The schedule is routinely announced by WlAW, the official station of the American Radio Relay League at Newington, Conn. This station broadcasts daily except holidays on all shortwave radio bands that have been assigned to amateurs from 1.8 to 14.5 megahertz. On some bands the broadcasts are picked up worldwide. The schedule includes a variety of bulletins of interest to amateurs. The schedule of WlAW is published monthly by the league's official journal, QST. The journal is available to members of the league and also is distributed by some newsstands and by dealers in amateur radio supplies.


Circuitry of the line blanker

"The bulletins give the exact time at which NOAA-2 will cross the Equator in that portion of its orbit where it intercepts the plane of the ecliptic in moving from south to north: the 'ascending node.' The location where it crosses the Equator is expressed in degrees of longitude west of Greenwich in England. The time of the crossing is stated in Greenwich Mean Time, which is reckoned on a 24-hour day beginning at zero hours (midnight). To convert Greenwich Mean Time into local U.S. time subtract from Greenwich Mean Time the number of hours that your standard time zone is west of Greenwich. The zone of Eastern Standard Time, where I live, is five hours west of and earlier than Greenwich. Central, Mountain and Pacific standard time zones are successively one hour earlier.

"To convert Greenwich 24-hour time into 12-hour time, subtract 12 hours from Greenwich time if it exceeds 12 hours and label the difference 'P.M.' Greenwich time that does not exceed 12 hours is labeled 'A.M.' For example, assume that NOAA-2 is scheduled to cross the Equator at 20:34 GMT at 92 degrees west longitude. When might I expect to pick up its signals here in Pennsylvania? The crossing would come at 20:34 - 5:00, or 15:34 hours EST, which, as expressed by clocks, is 15:34 -12:00, or 3:34 P.M.

"As I have mentioned, shortwave radio signals from NOAA-2, which orbits at an altitude of about 800 miles, reach my location when the vehicle is roughly between the latitudes of Greenland and the Gulf coast of Yucatán. The Gulf coast of Yucatán is at 20 degrees north latitude and 92 degrees west longitude. The satellite completes a 360-degree orbit in about 115 minutes, or at a rate of 3.1 degrees per minute. Therefore when the satellite is headed north, it will make the trip from the Equator to the Gulf coast of Yucatan in 20/3.1 = 6.5 minutes. Assuming that NOAA-2 crossed the Equator at 15:34 GMT, as predicted by WlAW, I can expect to pick up its signals six minutes and 30 seconds later -at about 3:40:30 P.M. Eastern Standard Time.

"The signals can also be picked up when the vehicle comes within line of sight of my location on its descending node, when it is traveling south. Thirty minutes or more must be added to the predicted times, depending on the position of the orbit and the node.

"After two passes have been recorded the amateur can easily predict following orbits for a few days. For example, if a pass comes at 13:25 GMT on Wednesday, you can expect to pick up the signal of NOAA-2 one hour later on the following day. By then the satellite will have drifted somewhat west of its Wednesday crossing. On Friday, two days later, it will have drifted still farther west-indeed so much farther that the signal will reach you on the succeeding orbit at 13:20, and on Saturday at 14:20. The performance is not quite clocklike, however. Simple prediction techniques do not work for more than a few days at a time. That is why I depend on the schedule broadcast by WlAW.

"The electronic devices in the weather-satellite receiver are relatively simple compared, say, with a color television set. They involve no critical adjustments. Even so, beginners will find that neighboring radio hams and television servicemen can pass along useful construction tips. Most of the circuits of my receiver were designed by Virgil Neher, a radio ham of La Verne, Calif. I am grateful to him and also to Wendell Anderson, whose article 'Amateur Reception of Weather Satellite Picture Transmission' in the November 1965 issue of QST first kindled my interest in this fascinating avocation.

 

Bibliography

EVOLUTION OF AN AMATEUR WEATHER-SATELLITE PICTURE STATION. Charles H. McKnight in QST, Vol. 52, No. 4, pages 28-34; April, 1968.

 

Suppliers and Organizations

The Society for Amateur Scientists (SAS) is a nonprofit research and educational organization dedicated to helping people enrich their lives by following their passion to take part in scientific adventures of all kinds.

The Society for Amateur Scientists
5600 Post Road, #114-341
East Greenwich, RI 02818
Phone: 1-401-823-7800

Internet: http://www.sas.org/


Wondering where you can purchase the science supplies needed to perform this Amateur Scientist project? At WARD’S you can find everything you need need for studies in the earth, space, and environmental sciences.

WARD’S Natural Science Est.
P.O. Box 92912
Rochester, NY 14692-9012, USA
Phone: 1-800-962-2660

www.wardsci.com