Cost: $0-100
About These Ratings
Difficulty: Beginner to intermediate Danger 1: (No Hazards) Utility:

------------------------

On the Differential Operational Amplifier, a Device That Simulates Almost Anything

---------------------

by C. L. Stong
January, 1971

---------------------

A FEW EVENINGS at the workbench have convinced me that the differential operational amplifier is one of the most entertaining experimental gadgets to turn up in a long time. With a few inexpensive accessories it can simulate the performance of things as diverse as levers, cams, clocks, litmus paper, light meters, a variable weight for an analytical balance and a host of others. The following description of the amplifier and a few of the experiments that I have enjoyed is submitted by Stanley Froud, an electronics consultant of 817 West End Avenue, New York, N.Y. 10025:

"Differential operational amplifiers are made in two ways. One type is assembled with discrete parts: transistors, resistors, capacitors and related components. They are self-contained. The second type is made by chemically treating a small wafer of silicon. This type requires the addition by the user of several accessory parts. The following discussion is based on amplifiers of the self-contained type.

"Typically they resemble a small block of plastic about an inch square and ha]f as thick. Seven short stubs of wire protrude from one side of the device; they are the terminals. The internal parts include complementary transistor circuits, each consisting of several stages of amplification that terminate in a single output, plus a number of auxiliary circuit elements that automatically compensate for changes in temperature and voltage supply and for aging effects. Familiarity with the details of these highly sophisticated circuits is not essential for putting the amplifier to work. With a basic understanding of how the device operates the beginner can immediately use it as a fundamental building block in instruments and apparatus of many kinds.


Hypothetical galvanometer amplifier analogous to the differential unit

"In performance the differential operational amplifier can be roughly likened to a galvanometer with a pointer that makes frictionless contact with a resistance wire [see illustration at right]. The center of the movable coil of the galvanometer is connected to ground or to the chassis on which the instrument is mounted by a flexible lead. The center of the resistance wire is similarly grounded. A potential of 20 volts is maintained across the resistance wire by a pair of batteries connected in series. The connecting wire is also grounded.

"The sensitivity of the hypothetical galvanometer is such that a potential of 40 microvolts, applied between either end of the coil and the ground, causes the pointer to move from its normally centered position to one end or the other of the resistance wire, depending on the magnitude and polarity of the applied voltage. A flexible wire connected to the pointer, which is insulated from the coil, serves as the output terminal.

"The assembly is an amplifier. Application of 40 microvolts between either end of the coil and the ground causes a potential of 10 volts from the battery to appear between the output terminal and the ground. The voltage gain is therefore 250,000.

"A galvanometer has an adjustment screw for centering the pointer on zero at the mid-scale position. When the pointer is centered, no output voltage appears. The differential operational amplifier works the same way, but its response is much faster and more precise than that of an electromechanical device.


Electrical arrangement of the differential operational amplifier

"The amplifier is depicted in wiring diagrams by a triangle [see illustration at left]. Two short lines that extend from the base of the triangle represent the input terminals, one positive and one negative. The output terminal is represented by a similar line at the apex. Two lines that extend from opposite sides of the triangle near the base represent positive and negative terminals for connection to a pair of external power supplies, each providing a potential of 15 volts. The power supplies are connected in series by a grounded wire.

"The seventh terminal of the amplifier, known as the trim, is represented by a line adjacent to the positive power terminal. It is analogous to the zero screw of the galvanometer. A variable resistor connected between the trim terminal and the positive power terminal can be adjusted to the point where no output voltage appears until a signal is applied to the input.

"Wiring diagrams are frequently simplified by the omission of the power-supply connections, the trim adjustment and most of the ground connections. It is understood that these connections are invariably required. Currents from the signal source and the load always return through the ground. Nearly all operational amplifiers fit interchangeably into a standard socket. Printed labels on the bottom of the socket identify the terminals.

"The performance of all operational amplifiers is influenced to some extent by changes in temperature. The amplifiers can be designed for maximum stability with respect to current or to voltage, but not both. Therefore two broad families of operational amplifiers have evolved. One type is for amplifying voltage and the other is for amplifying current. For example, the Type 40J amplifier manufactured by Analog Devices, Inc., is stabilized with respect to current; the Type 118A, with respect to voltage. All the experiments to be described can be done with either of these two amplifiers or with equivalent ones made by other manufacturers, but I suggest that the experimenter get both types for observing the relative performance of each. The 40J costs $12 and the 118A $11. The sockets are $3.50. The devices are available on a cash basis from the TechnoScientific Supply Co., Inc., P.O. Box 191, Baldwin, NY 11510. The price of operational amplifiers increases with their stability. It also increases as the amount of current they draw from the signal source goes down. This current, known as the bias current, can range from to 10 ampere, depending on the design of the amplifier.

"The 40J amplifier requires an external, variable trim resistor of 1,000 ohms and the 118A a similar resistor of 50,000 ohms. To make the trim adjustment ground both input terminals of the amplifier, apply power and set the variable resistor to the point where the voltage output falls to zero, as indicated by a voltmeter. I was unable to find a source of 15-volt batteries, but the Mallory Type TR-289 batteries that develop 12 volts are adequate. A special power supply manufactured by Analog Devices and specifically designed for operational amplifiers is available from Techno-Scientific.

"Typically the devices can amplify the voltage of a direct-current signal by a factor of 200,000 or more. That much gain is rarely needed. Instead part of the output voltage is returned in opposition to the signal. This opposing voltage, a negative feedback, cancels some or all of the gain and in so doing stabilizes the performance of the overall circuit, much as the governor of a steam engine stabilizes the speed of the flywheel in spite of changes in the load. In effect, negative feedback converts the operational amplifier into a precision device.

"In general the amplifiers are used in one or another of four basic wiring schemes: noninverting, inverting, differential and current-to-voltage conversion circuits. The choice for a specific application depends largely on the internal resistance of the signal source, the amount of current or voltage that can be taken from the source and the amount of gain that will be required to operate the load. With this information at hand the design of a desired apparatus needs only a bit of arithmetic, in contrast to the tedious and complex equations that must be solved to design an equivalent circuit with transistors.

"Assume that the experimenter wants to measure the voltage across the mercury-dropping electrode of a polarograph, the low potential stored by a small capacitor or the bioelectric potential generated by the heartbeat of a microscopic animal such as the water flea Daphnia. The voltage of such a source falls if current is drawn from it, thus spoiling the measurement. The measuring instrument must present high resistance to the source-so high that almost no current is drawn. An ideal instrument for such a measurement is an operational amplifier wired in the noninverting configuration. The input resistance ranges from a million ohms to a million megohms, depending on the characteristics of the amplifier. The polarity of the output signal is the same as the polarity of the input signal, hence the name noninverting.

"The inverting configuration develops an output signal of reversed polarity with respect to the input signal. It is characterized by a unique property: the input terminal of the amplifier, as distinct from the input terminal of the circuit, remains at substantially ground potential even when more than one signal is applied to the negative, or inverting, input terminal through separate resistors. For this reason the amplifier responds to each signal as though the others did not exist. If all the input resistors are identical, the output voltage is equal to the sum of the input voltages multiplied by the gain of the amplifier. The multiplying factor, or gain, is exactly equal to the ratio of the feedback resistor (R) divided by the input resistor or resistors (R). Incidentally, the feedback resistor should have a value of not less than about 10,000 ohms in any of the four circuit configurations.

"The differential configuration compares voltages from two sources. In effect, it subtracts one quantity from another. Its applications include automatic control devices and pen recorders.


Four basic circuits for the amplifier

"The current-to-voltage configuration is a powerful circuit for amplifying the output of sources that develop small current signals rather than small voltages. An example is a photovoltaic cell. Formulas for computing the voltage gain, the voltage output and the input resistance appear in the accompanying illustration [at right].

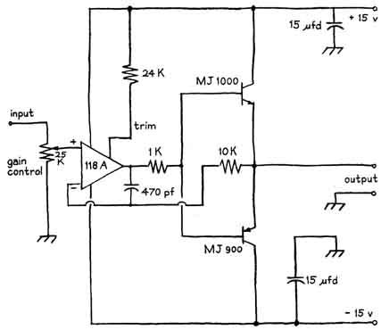
"The 40J and 118A amplifiers develop a maximum output of 10 volts and five milliamperes, as do most operational amplifiers. Additional current can be made available by connecting a transistor to the output of the amplifier. Almost any transistor rated for a potential of at least 30 volts between the collector and emitter electrodes can be employed. Of course, the transistor must also be rated for the desired current. The transistor should be included in the feedback loop by transferring the feedback connection from the output of the amplifier to the output of the transistor [see illustration at left].


The arrangement with a transistor added to the amplifier

"For general experimentation I acquired an assortment of fixed resistors ranging in value from 500 ohms to 10 megohms. A few are accurate to 1 percent. I also obtained several capacitors ranging from .1 to .0005 microfarad, a reasonably good voltmeter, half a dozen potentiometers ranging from 1,000 to 50,000 ohms, and an oscilloscope, which is handy for observing the wave form of alternating current signals but is not needed in experiments that involve direct current.

"I mounted the socket for the amplifier in the center of an aluminum chassis about a foot square. A power supply consisting of dry cells was mounted inside the chassis and permanently connected, through switches, to the power terminals of the socket. A variable trim resistor was also mounted and wired to the socket. Binding posts of the type that accept both banana plugs and spade terminals of test leads were connected to the power supply, the inputs, the output and the ground terminal of the socket.


Top view of Stanley Froud's "breadboard" for the operational amplifier (center square)

"The chassis also incorporates a voltmeter with a zero-centered scale for measuring potentials up to 15 volts. In addition I mounted four sets of binding posts, each consisting of three binding posts wired together, to serve as convenient tie points [see illustration at right]. This improvised 'breadboard' (plus an assortment of test leads equipped with banana plugs, spade terminals and alligator clips) enables me to wire up almost any circuit configuration and have it working within 10 minutes. A rather more elaborate breadboard is available from Analog Devices.


Bottom view of the breadboard

"The following experiments illustrate a few basic types of project that offer particularly suitable applications for an operational amplifier. For example, an amplifier can convert an inexpensive voltmeter into an instrument for measuring from millivolts to kilovolts and from microamperes to amperes. If the experimenter has a Zener diode, a device that develops an accurately known reference voltage, the amplifier can also be used for calibrating the original scale of the voltmeter.

"To make the calibration connect the amplifier in the inverting configuration with a pair of fixed resistors of known value. The accuracy of the calibration can be no better than the accuracy to which the values of the resistors are known. The known reference voltage of the Zener diode is applied to the input [see illustration at right below]. Connect the voltmeter that is to be calibrated to the output of the amplifier. Before applying the Zener voltage turn on the power supply and adjust the trim for zero output. Apply the Zener voltage. Record the voltage indicated by the meter adjacent to the known output voltage, as computed. Substitute another resistor of different but known value for R and again record the known and the indicated voltages. Continue until a number of calibration points have been determined throughout the range of the meter. The points can be plotted as a graph that displays the error of the meter completely across its scale.


Circuit for amplifying Zener voltage

"The same circuit can be harnessed for eliminating the awkward fraction that always appears in the rated output voltage of Zener diodes. For instance, the actual output potential of a six-volt Zener diode usually turns out to be 6.741 volts or 5.017 volts or something equally inconvenient. Substitute a variable resistor for R, connect the calibrated meter to the output of the amplifier and then, by turning the knob of the variable resistor, crank out any desired whole number that is within the range of the meter. The slight error introduced by the amplifier will lie far to the right of the decimal point.

"Many experiments require a source of current for developing a constant mechanical force, a constant electrochemical reaction, a constant source of light and so on. A convenient source of constant current can be made with the noninverting configuration. For example, a vernier for an analytical balance can be easily improvised for splitting the final milligram into fractions.

"The vernier consists of a small solenoid that applies a variable force to one end of the beam. An operational amplifier provides current to the solenoid and so controls the force. The armature of the solenoid can be a bit of iron wire snipped from the end of a paper clip. The coil of the solenoid can be a 1,000 microhenry choke of the kind that has an air core.


Constant-current circuit

"Cement the iron wire to one end of the beam with a dab of epoxy. Restore the beam to balance by adding a counterweight to the opposite end. Rigidly attach the coil to the frame of the balance at a point where the armature extends partway into the air core. Current in the coil is adjusted by a potentiometer that applies a voltage to the input of the amplifier [see illustration at left]. I used a 10-turn potentiometer and calibrated its scale in intervals of 10 micrograms. The magnitude of the force can be increased by adding a transistor to the output of the amplifier.

"The 40J amplifier can be employed as an electrostatic voltmeter for measuring potentials up to 10,000 volts to an accuracy of about 2 percent. The circuit includes a voltage divider consisting of two capacitors. The smaller capacitor, preferably one of the type that is insulated with glass plates in oil, is first charged by voltage from the source through a single-pole, double throw switch [see illustration at right below]. Charge so acquired is transferred to the larger capacitor by operating the switch. The larger capacitor should be insulated with polystyrene.


Measuring high potential

"The output voltage is measured by a conventional, low-voltage meter. The unknown voltage is equal to the output voltage multiplied by the ratio of the capacitors. The 100,000-ohm potentiometer serves as a zero adjustment. The larger capacitor is discharged by momentarily closing the single-pole switch (Sw) in preparation for the next measurement. Incidentally, capacitors can accumulate a hazardous charge even when they are connected to such normally harmless apparatus as a small electrostatic generator. When you are working with capacitors, proceed cautiously!

"Equally interesting are applications that involve automatic control. An example is an apparatus for maintaining a substance (such as a fluid) at a desired temperature. Input voltage for the amplifier is obtained from a Wheatstone bridge, one arm of which includes a thermistor as the temperature-sensing device. Current in the output is boosted by a transistor for operating a relay that turns a heating element on and off. The desired temperature is set by a variable resistor that is the balancing arm of the bridge. A diode suppresses the pulse of high voltage that appears across the coil of the relay at the instant the amplifier shuts off the current [see illustration at left below]. Thermistors are available in a range of resistances from dealers in radio supplies. The resistors in the bridge should equal the resistance of the thermistor at a temperature of 25 degrees Celsius. The apparatus will respond to changes in temperature of less than one degree C.


Circuit for maintaining constant temperature

"Although the operational amplifier is primarily a direct-current device, designers find numerous uses for it in alternating-current circuits, particularly at frequencies below 10,000 hertz (cycles per second). The gain of the amplifier is maximum for direct current and falls uniformly to unity at about one megahertz. In a typical application the amplifier generates an alternating current for driving a tuning fork of the kind used as the time reference in watch regulators. The tuning forks are available inexpensively on the surplus market.

"The tuning-fork assembly includes a pair of electromagnets. One drives the fork. The other generates signal voltage for the amplifier. The fork vibrates at a constant frequency of 400 hertz. It develops some output even when it appears to be at rest. The tines are never still but oscillate continuously at low amplitude in response to external vibrations. Although at this amplitude the electrical output amounts to less than a microvolt, it can be detected by an operational amplifier in the noninverting configuration [see illustration at right below].


Tuning-fork circuit

"When the amplifier is turned on, nothing seems to happen for about a minute. A discernible voltage then appears at the output of the amplifier. During the next three minutes the amplitude of the output voltage gradually increases to approximately 10 volts. By connecting an oscilloscope to the output you can watch the initially faint signal fight its way up through the noise to emerge as a perfect sine wave. The stability of the signal approximates one second per month.


A low-frequency oscillator

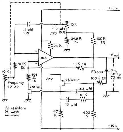
"The 118A amplifier becomes an impressively stable oscillator in its own right when it is combined with a few capacitors and resistors, a diode and a couple of transistors. The accompanying circuit configuration [illustration at left] was designed specifically to generate an alternating voltage with a frequency that can be varied continuously from 50 to 80 hertz. If the oscillator is combined with a power amplifier, the output can be harnessed for driving a telescope of any size in synchrony with the apparent motion of the fixed stars. The driving rate can be altered at the twist of a knob for locking the telescope onto the moon, the planets and comets. The short-term frequency stability of the oscillator is significantly better than that of 60-hertz power lines.

"The oscillator delivers an output of seven volts in the form of a sine wave of less than 1 percent distortion. The oscillator is automatically stabilized by a variable resistance consisting of a field effect transistor (2NT5163) in series with a fixed resistor of 806 ohms. The resistance of the field-effect transistor is controlled by the amplitude of the output voltage. Part of the output is rectified by the diode and compared with the power-supply voltage by means of the 2.N4250 transistor, which functions as an integrating amplifier. The difference voltage controls the resistance of the field-effect transistor.


A power amplifier

"A power amplifier that is designed to operate as a companion to the oscillator but can be employed for other purposes delivers up to nine volts at a maximum current of two amperes [see illustration at right]. The output potential of the amplifier can be increased to 120 volts by a transformer for operating a synchronous motor, such as the Hansen Synchron Type 900. The motor, when it has been geared down to the rate of one revolution per sidereal day, can exert a maximum torque of 150 foot-pounds on the polar shaft of a telescope.

"Operational amplifiers are designed to perform mathematical operations such as adding, subtracting, generating logarithmic functions and solving problems in the differential and integral calculus. This implies that they can perform almost any operation that can be described by an elementary mathematical equation and suggests something of their versatility as well as the breadth of the experimental opportunities opened by their development."

 

Bibliography

HANDBOOK OF OPERATIONAL AMPLIFIER APPLICATIONS. Burr-Brown Research Corporation, Tucson, Ariz.

PHILBRICK APPLICATIONS MANUAL. Philbrick Researchers, Inc., Dedham, Mass.

ELECTRONIC ANALOG AND HYBRID COMPUTERS. Granino A Korn and Theresa M. Korn. McGraw-Hill Book Company, 1964.

 

Suppliers and Organizations

The Society for Amateur Scientists (SAS) is a nonprofit research and educational organization dedicated to helping people enrich their lives by following their passion to take part in scientific adventures of all kinds.

The Society for Amateur Scientists
5600 Post Road, #114-341
East Greenwich, RI 02818
Phone: 1-401-823-7800

Internet: http://www.sas.org/