Cost: $0-100
About These Ratings
Difficulty: Beginner to intermediate Danger 2: (Minor injury possible) Utility:

------------------------

Devices for Listening to Sounds Both in Water and in the Solid Earth

---------------------

by C. L. Stong
August, 1970

---------------------

MOST OPEN bodies of water that cover a few acres or more are filled with animal sounds as diverse and intriguing as those of a deep forest, but the sounds are rarely audible to human ears. A skin diver hears such sounds to a certain extent, but hearing them well calls for a hydrophone: the device that converts underwater vibrations into weak electrical signals. After amplification the signals can be converted into audible sounds by a loudspeaker or a set of earphones or can be recorded on magnetic tape for subsequent reproduction. In this way one can tune in on the staccato clicks of a crayfish, the crunching sound of a rock bass browsing on mussels and the sonorous bellowing of a whale.


A simple hydrophone designed and built by William A. Watkins

The construction and use of two kinds of hydrophone have already been described in this department. One of the instruments is based on a magnetic property of nickel. Vibrations cause the strength of the magnetic field in nickel to vary by periodically stressing the metal. The varying field induces an electric current in a coil of wire that has been wound around the nickel. The currents comprise the signal. The other instrument is based on the piezoelectric property of barium titanate. An alternating voltage appears across opposite sides of this ceramic when it is stressed by acoustic vibrations. The two instruments are described in "The Amateur Scientist" for October, 1960, and March, 1964.

Both kinds of hydrophone work well, but both accentuate sounds of high pitch and require materials that are not readily available to most experimenters. These disadvantages are overcome in an elegantly simple apparatus that has been devised by William A. Watkins of the Woods Hole Oceanographic Institution. He writes:

"The apparatus consists essentially of a coil of wire on a bar magnet that is sandwiched between a pair of iron disks. The strength of the magnetic field is influenced by pressure applied to the disks. Sound vibrations that impinge on the disks vary the pressure periodically. Corresponding variations of the magnetic field generate electrical signals in the coil. In effect variations of pressure alter the reluctance of the magnetic circuit: the circuit's capacity to conduct magnetism. The device is accordingly known as the reluctance hydrophone. Its component parts cost less than $1.

"The details of construction and the techniques of assembly are almost as simple as the device itself. The permanent magnet should be in the form of a short right cylinder. Magnets of this kind are found in small permanent-magnet loudspeakers. I use one about 3/4 inch wide and 1/2 inch long, but these dimensions are not critical. The magnet is made into a spool by fitting the ends with a pair of paper flanges. My flanges were made of stiff paper. Cut two disks 1-1/2 inches wide and perforate the centers by making a series of straight diametric cuts 3/4 inch long. Push the resulting triangular flaps over the ends of the magnet and cement them in place. After the cement has set wind a single thickness of plastic insulating tape over the triangular flaps. The resulting spool is wound with fine insulated magnet wire. I used No. 36 gauge. The strength of the signal increases in proportion to the number of turns. The required amplification varies inversely with the number of turns. A usable signal is developed by 1,000 turns, but I recommend from three to five times that number.

"To apply the winding I attached one end of the magnet to the end of a wooden dowel with rubber cement and chucked the dowel in a hand drill that was supported by a vise. Any similarly improvised winding machine would conserve labor, but the turns can of course be applied by hand. The inner end of the coil was soldered to a short length of No. 18 gauge flexible wire coated with plastic insulation. The soldered joint was insulated with a dab of plastic cement and lashed to the magnet with silk thread. The lead was brought out radially along one flange and tied to the dowel so that it would not interfere with the winding operation. The wire was scramble-wound, that is, wound not regularly as thread comes on a spool but irregularly. The outer end of the completed coil was fitted with a No. 18 gauge flexible lead and was protected by a wrapping of plastic tape.


A method for suspending the hydrophone

"The hydrophone and amplifier were connected with a No. 18 gauge, twin-lead rubber-covered cable 50 feet long. One end of the cable was wrapped around the coil and tied. The two conductors were soldered to the leads of the coil and insulated with tape. The weight of the hydrophone is thus supported by the cable without straining the leads. For iron disks I used the covers of electrical junction boxes of the kind designed .for house wiring. The tops of tin cans will also work, but thin metal responds preferentially to high-pitched sounds. The sharp edges of the disks should be rounded with a file and smoothed with fine abrasive cloth (or taped) to prevent chafing when the assembly is put into a toy balloon. I use heavy 'Jumbo' balloons, which are available in novelty stores. Stretch the neck of the balloon to admit the disks and then insert the coil. The coil should be located somewhat toward the bottom of the disks when it hangs from the cable; otherwise the disks will be squeezed and pulled away from the magnet when the hydrophone is lowered into deep water. Allow enough air to escape from the balloon so that the assembly will sink in water, then seal the neck of the balloon to the cable with waterproof adhesive tape.

"The hydrophone responds best to frequencies below 500 cycles per second which is the range of most animal sounds. The output impedance of the coil is on the order of 50 ohms; hence the system is relatively insensitive to stray electrical noise even when it has an unshielded cable hundreds of feet long. The experimenter can vary the device in many ways. For example, its sensitivity and it frequency response can changed by varying the thickness and size of the iron disks, by supporting the disks away from the magnetic poles by sheets of rubber and by filling the balloon with damping fluid of various kinds. The output is at its maximum at from 10 to 20 cycles per second, and it decreases with frequency to 500 cycles per second (at which point the response is down about 10 decibels). Its response at higher frequencies can be increased by substituting thin iron plates for the junction-box covers and separating them from the magnet by a few thousandths of an inch. The device will then respond to a maximum frequency of about 5,000 cycles, with some loss of sensitivity.

"The required amplification depends on the number of turns in the coil, but it should range from 40 to 65 decibels. Amplifiers of the kind used in most phonographs and tape recorders work satisfactorily. Amplifiers designed for use with crystal pickups and crystal microphones can be matched to the hydrophone by connecting the cable to the 50-ohm input terminals of an impedance matching transformer and connecting the 100,000-ohm output terminals of the transformer to the input terminals of the amplifier. There will be no extraneous electrical noise if the system is powered by batteries. Some hum may be heard, however, if the amplifier is energized by alternating current. This noise can usually be suppressed by connecting one end of a copper wire to the chassis of the amplifier and trailing a few inches of the other end in the water.

"Not all aquatic animals generate sound, but in recent years marine biologists have discovered scores of species that do so. One would particularly like to know the biological function of such sounds. My own listening has been confined largely to the sounds of sea animals. Porpoises produce clicking noises that seem to be used for echo location. They also emit squeals of various kinds that may serve for communication. The toadfish produces a 'boat whistle' that appears to be related to the establishment and defense of its territory. The seasonal onset of certain sounds made by some fishes suggests an aspect of mating behavior. Shrimp and crayfish emit noisy clicks regardless of what else they may be doing. Amateurs can learn to classify fishes by their sounds as easily as they identify birds by their calls. By keeping careful notes they may also help to solve the riddles of why the sounds are made."


Schematic circuit of a seismograph amplifier made by Bruce Knudtson

ANOTHER kind of sound that is rarely heard is the sound made by the ringing earth. Earth vibrations, which range from about 10 cycles per second to several hours per cycle, are substantially below the minimum frequency to which the human ear responds (about 16 cycles per second). To hear earthquakes and similar disturbances one records seismic vibrations on magnetic tape at the rate of about 3/4 inch of tape per minute and then reproduces the recording at the rate of 7.5 inches per second-a speedup of 600-fold. A number of interesting sounds are heard on typical recordings. The most apparent are two wavering sounds, one slightly above the highest note on the piano and the other close to middle C. These sounds are made by microseisms: continuous small tremors of the earth's crust. The seismologist often regards microseisms as noise that limits the useful sensitivity to which he can adjust his instruments. The amateur may find microseisms virtually musical.

The higher of the two tones typically arises from local disturbances: traffic, water running over a dam, waves breaking against a beach and so on. The intensity of the sound tends to increase during daylight hours in heavily populated areas. The note near or below middle C appears to arise from a variety of natural causes. Some of the sound has been correlated with cyclonic storms, including barometric "lows," tornadoes and hurricanes. Other contributions have been traced to volcanic activity, the collapse of small natural caves, rock slides] and the impact of meteors.

Of more interest are the sounds of earthquakes. Several earthquakes of significant intensity occur somewhere on the earth every day. An earthquake of special interest is observed almost every week. On the average one earthquake of devastating proportions occurs each year. Minor earthquakes usually make booming sounds that die out within less than a second. Earthquakes of intermediate intensity resemble distant thunder mixed with short screeches. Big earthquakes may resemble thunder that continues to roll and echo for minutes.

The sound recordings are of little scientific value, either for evaluating the magnitude of a disturbance or for locating the region where an earthquake has occurred. On the other hand, many amateur seismologists record earth vibrations on photosensitive paper or on long rolls of adding-machine tape. The time and trouble of developing the paper or scanning the tape can be conserved by reproducing in a few minutes a sound tape recorded simultaneously during a period of 24 hours or more. Indeed, seismograms can be recorded exclusively on sound tape. Interesting portions can be subsequently transcribed on paper simply by feeding the output of the tape reproducer at an appropriate speed to a pen recorder.

A convenient seismoscope for generating electrical signals that correspond to earth vibrations was developed in 1906 by B. B. Galitzin, a prince of imperial Russia. The device consists of a freely suspended coil of magnet wire, one side of which is located between the poles of a permanent magnet that is anchored to the ground. Earth vibrations displace the magnet with respect to the freely suspended coil. The moving magnetic flux generates electrical signals in the coil. Various ways of suspending the coil have been devised, depending on the plane in which the vibrations occur. To pick up vibrations in the horizontal plane the coil can be supported at the outer end of a structure resembling a garden gate that swings on low-friction hinges. This arrangement is essentially a pendulum that swings in the horizontal plane at a natural period determined by the mass of the bob and the inclination of the upright support to which the hinges are attached. The more the gate "sags," the faster it swings.

The apparatus is most sensitive to seismic disturbances that correspond in frequency to the natural period of the pendulum. Most seismographs are tuned to a period of 10 seconds, which corresponds in general to the period of the most interesting earthquake waves The pendulum can also be mounted in the horizontal plane and hinged so that it vibrates in the vertical plane. In this arrangement the weight of the coil and the lever arm on which it is mounted are supported by a spring. The signal is generated by the vertical excursions of the magnet. Less popular are seismographs that employ inverted pendulums. The coil is supported at the upper end of a lever arm that rests on a pivot at the lower end. The pendulum is kept from falling over by springs that exert balancing forces on the four sides of the bob.


Various arrangements of the Galitzin seismoscope

Still another arrangement substitutes a long rod for the pendulum. One end of the rod is anchored to the ground; the other end carries the coil. One side of the coil is immersed in the field of a permanent magnet that is supported by a distant pier also anchored to the ground. Seismic waves alter the distance between the piers and so displace the coil with respect to the magnetic field. The weight of the rod is supported by rollers on top of intermediate piers. Schematic representations of the four seismoscopes are shown in the accompanying illustration [above]. Construction details have been presented in this department (April, 1952, and June, 1953).

The amplitude of the relative motion between the magnet and the coil depends on the magnitude of the earthquake and the distance of the instrument from the center of the disturbance. Surface oscillations of more than 20 feet can occur above the center of a violent earthquake. Waves that spread outward from the center can cause the surface to vibrate more than an inch in 20 seconds at a distance of 1,000 miles. In contrast, the amplitude of microseisms, as they are normally recorded in most U.S. localities, is on the order of millionths of an inch. Although the amplitude of microseisms is small, they generate an adequate signal in a coil of 50,000 turns in a magnetic field of 3,000 gauss.


Schematic circuit of Knudtson's voltage regulator

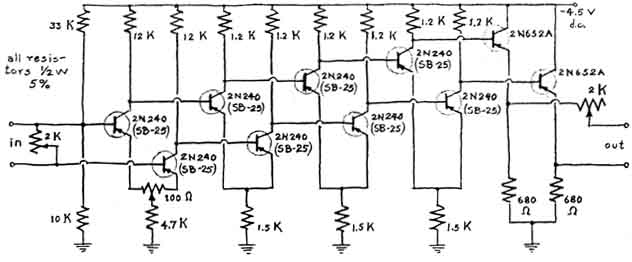
An inexpensive amplifier that increases the energy of the signal sufficiently to operate a magnetic tape recorder, a pen recorder or both simultaneously has been constructed by Bruce Knudtson of Burbank, Calif. "My amplifier," writes Knudtson, "is of the differential type. It responds to frequencies that range from direct current to 10,000 cycles per second, and it increases the signal voltage by a factor of approximately 200. The circuit employs 10 inexpensive transistors of two kinds, 16 half-watt resistors and three potentiometers. The amplifier operates from, and is stabilized by a regulated power supply of 4.5 volts. The voltage-regulator portion of the circuit includes a Zener diode that maintains a constant reference voltage, a potentiometer for adjusting the output potential, and a pair of transistors that maintain the output at constant potential even though the input may vary from five to 20 volts. The components of both the amplifier and the voltage regulator are mounted on pre-punched panels of plastic. The amplifier is housed in a grounded aluminum case to minimize electrical interference.

"The amplifier has three adjustments. A 2,000-ohm potentiometer across the input terminals provides a load on the coil. The load dissipates energy that would otherwise tend to sustain oscillations when the coil is set in motion. It is adjusted to bring the coil to rest as it makes three oscillations. The second adjustment, provided by a 100-ohm potentiometer, controls the relative gain in the two branches of the amplifier circuit. It is set at the point where no voltage appears across the output terminals in the absence of an input signal. The third potentiometer controls the gain of the amplifier.


Schematic circuit of Knudtson's seismograph

"In addition to the seismoscope, the amplifier and the recorders, the system: includes two other essential components: an auxiliary power supply and a device for generating accurately timed pulses of y current. The power supply, which can be a single dry cell, is used for setting the pendulum in free oscillation during the initial adjustment of the instrument. Power is momentarily applied to the coil by a double-pole, double-throw switch. The pulse of current causes the coil to swing from its equilibrium position, after which it vibrates at its natural period. The rate of vibration is registered by the pen recorder. It can then be adjusted both by altering the inclination of the pendulum suspension and by adding mass to the pendulum arm. The total mass of my pendulum is six kilograms. The period is 10 seconds. The load connected across the input of the amplifier is adjusted to the point where the pendulum comes to rest after three oscillations.

"The interpretation of seismograms requires an accurate time reference. Conventionally time signals and seismic disturbances are recorded simultaneously. The time intervals should be generated by an accurate clock that is checked regularly against time signals broadcast by the National Bureau of Standards. An electromagnetic relay associated with the clock can be arranged to momentarily close a circuit at regular intervals, such as once per minute. The pulses can either actuate a second pen of the chart recorder or cause the recording pen to register a series of uniformly spaced peaks on the graph (or clicks on the sound tape). Incidentally, the sound tapes can be erased and used many times, a feature of considerable interest to the amateur who must operate on a limited budget."


Roger Hayward's nomogram for the lens formula

ROGER HAYWARD, who illustrates this department, frequently turns for diversion to optical experimentation. His "hobbery," as he calls it, is filled with instruments of his own devising, from simple magnifiers and a traveling microscope to a precision spectrograph that operates well into the range of ultraviolet radiation. Like everyone who does optical experiments, Hayward has frequent occasion to determine the distance at which an object must be placed from a lens of known focal length so that its image will come to focus at a specified distance on the other side of the lens. The three lengths are linked by a simple arithmetical relation: the sum of the reciprocals of the object and image distances equals the reciprocal of the focal length of the lens. In symbolic terms, 1/L + 1/L = 1/F, where L is the object distance, L is the image distance and F is the focal length of the lens.

"Solving this equation repeatedly by hand," writes Hayward, "can become rather tedious business when one is attempting to improvise an apparatus by the technique of cut-and-try. Much time and trouble would be spared if one knew the approximate answer in advance. Being rather a lazy fellow by nature, I recently amused myself by devising a nomogram for solving the problem graphically. The known focal lengths of lenses are plotted on the vertical coordinate of the nomogram. Positive values appear above the origin (O) and negative values below. Corresponding object distances and image distances are plotted on adjacent scales at 45 degrees, as shown in the illustration. A straight line drawn through the point that represents the focal length of any positive or negative lens connects the conjugate foci, as if represented by the dotted lines of the nomogram. Precision is not expected of any nomogram. On the other hand, graphic solutions do indicate how the parameters change with respect to one another, and they enable the experimenter to select with minimum effort a lens that will do the job. One then finds the exact solution by doing the number work."

 

Bibliography

SONICS: TECHNIQUES FOR THE USE OF SOUND AND UETRASOUND IN ENGINEERING AND SCIENCE. Theodor F. Hueter and Richard H. Bolt. John Wiley & Sons, Inc., 1955.

ELEMENTARY SEISMOLOGY. Charles F. Richter. W. H. Freeman and Company, 1958.

 

Suppliers and Organizations

The Society for Amateur Scientists (SAS) is a nonprofit research and educational organization dedicated to helping people enrich their lives by following their passion to take part in scientific adventures of all kinds.

The Society for Amateur Scientists
5600 Post Road, #114-341
East Greenwich, RI 02818
Phone: 1-401-823-7800

Internet: http://www.sas.org/