Cost: $100+
About These Ratings
Difficulty: Intermediate; some special skills needed. Danger 4: (POSSIBLY LETHAL!!) Utility: This project is based on obsolete technology.

------------------------

How to "Sputter" Thin Films of Metal onto Glass and Experiment with Them

---------------------

by C. L. Stong
October, 1967

---------------------

THIN SHEETS OF METAL DEPOSITED on glass are an essential part of many kinds of apparatus. For example, a film of aluminum or silver is the reflecting surface of the mirror in most reflecting telescopes. The glass part of the mirror gives form to the metal but otherwise functions merely as a mechanical support. Other applications of thin metallic films include beam splitters, which are pieces of glass coated with films so thin that part of the light makes its way through the metal while the rest is reflected.

Fibers of fused quartz made electrically conductive by thin metallic coatings find wide application in torsion balances for measuring small masses and the forces of electric charge. Similar coatings are also used to accumulate charge in electrostatic generators and to shield sensitive parts in instruments from the influence of external electric charges. In recent years multiple films of selected metals and alloys have begun to replace such components of digital computers as transistors, diodes, capacitors and resistors, together with much of the interconnective wiring.


Figure 1: General view of Nyle Steiner's apparatus for sputtering

In addition to these useful applications thin metallic films are interesting objects for experimentation. The techniques used for their application are open to improvement; so are methods of altering the properties of films after they have been formed. Four basic procedures have been devised for applying metal to glass. The oldest technique (and until recently the most widely used one) consists in the chemical reduction of metallic salts such as silver nitrate in a bath that also contains the glass. Fine particles of the reduced metal settle onto the glass and adhere as a film. Metal can also be electroplated onto glass. The surface is coated with an electrically conductive substance such as colloidal graphite, and the glass is then immersed in the plating solution.

Most optical parts are now coated by the evaporation technique. Metal to be deposited on the glass is vaporized by heat in a vacuum chamber. The vapor condenses as a film on the glass surface [see "The Amateur Scientist," SCIENTIFIC AMERICAN; March, 1960]. All metals and most alloys can be deposited by evaporation. The apparatus is costly and complex, however, if films of the highest quality are desired. Means must be provided for heating the metal to the temperature at which it vaporizes in gas at a pressure of not more than about 10-5, torr. (A column of mercury one millimeter in height exerts a pressure of one torr. Standard atmospheric pressure is equal to 760 torr.)

A simpler technique, known as "sputtering," is made to order for amateur experimentation. The technique is based on the transfer of metal by: an electric discharge through gas at a pressure of less than one torr. Glass to be coated is placed between two electrodes in an atmosphere of gas at low pressure. The gas can be air. The cathode is composed of the metal to be deposited on the glass. Voltage sufficiently high to electrify or ionize the gas is connected to the electrodes. The impact of ionized atoms and molecules of gas against the cathode dislodges particles of the metal, which come to rest on the glass as an adhering film.

In its present state of development the sputtering technique is limited in two respects. Some metals transfer more readily than others. Zinc, gold, silver, lead, tin and copper deposit at a relatively high rate compared with nickel, iron, aluminum and magnesium. Silver, for example, deposits 20 times faster than aluminum. Moreover, molecules of gas become embedded in the metal and increase its porosity, an effect that varies with the nature of the atmosphere. These limitations, together with the commercial success of the vaporization technique, explain why sputtering has be come largely noncommercial and provides an ideal field of experimentation for the amateur.

Nyle Steiner of Kaysville, Utah, has constructed a number of sputtering systems for silvering telescope mirrors and similar optical parts. He writes: "The apparatus not only is easy to use but also can deposit metal in films of any desired thickness. The films can be thick in the case of objective mirrors for telescopes, thin and semitransparent for such devices as camera lucidas, beam splitters and two-way mirrors.

"The vacuum chamber of my largest sputtering system consists of a bell jar made by cutting off the bottom of a one-gallon glass jug. The chamber will accept pieces up to six inches in diameter. I cut the jug by the hot-wire technique, which involves making a clean scratch around the jug with a glass cutter of the wheel type and pressing a straight length of Nichrome wire, heated to redness by an electric current, against successive parts of the scratch. In each case the glass will crack with an audible click. When the crack extends entirely around the jug, the bottom will drop off.

"The cut edge of the glass must be ground flat. This operation can be done by pressing the edge into a slurry of No. 80 Carborundum grit spread on a slab of plate glass and sliding the jug through a series of small ellipses. If such a grinding compound is not available, the same result can be obtained more slowly by twisting the glass against a sheet of wet No. 1 waterproof sandpaper supported on any firm, flat surface. When the raw edge has been ground free of pits, the roughened surface is finished with No. 00 waterproof sandpaper.

"After the second grinding the edge will be sufficiently smooth to make a gas-tight seal against a gasket of neoprene or a similar rubbery material. The gasket is sandwiched between the ground edge of the bell jar and a flat baseplate of steel or aluminum about half an inch thick. (Incidentally, sputtering systems can be made in almost any size. I used the gasoline-sediment bulb of I an automobile for the vacuum chamber of a small system.)

"The baseplate of my apparatus was bought as scrap from a local machine shop. Before use it was cleaned with a wire buffer. The neoprene gasket was cut in the form of a ring about three-quarters of an inch wide. I coat the ring lightly with vacuum grease to ensure a good seal. Suitable grease can be made by melting together four parts by weight of petroleum jelly and one part of paraffin. Heat the mixture smoking hot and stir it slowly as it cools.

"The hose connection to the vacuum pump, and the negative terminal from which the cathode is suspended, enter the bell jar through a rubber stopper [see Figure 1]. The negative terminal is a welding rod pushed through a nail hole in the stopper. The size and shape of the cathode and the object to be coated must be similar and the spacing between them should be uniform. For coating a six-inch telescope mirror I use a six-inch disk of sheet silver. The silver is available from manufacturers of jewelry and from some craft shops. Cup-shaped pieces of glass require cup-shaped cathodes. Fibers to be coated are stretched along the axis of a tubular cathode. Conversely, the inner wall of short glass tubes can be coated by supporting a wire cathode along the axis of the tube.


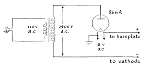
Figure 2: Circuitry of the system

"Cathodes in the form of a flat disk are suspended by a wire spider from a hook at the bottom of the negative electrode.

Both metal and electrical energy can be conserved by covering the top of a flat cathode with a disk of window glass. The glass cover confines the electric discharge to the cathode's lower surface, which faces the mirror below. The distance between the cathode and the mirror can be adjusted by sliding the welding rod up or down through the rubber stopper.

"My vacuum pumps consist of two modified compressors from old refrigerators. The compressors are operated in reverse. I bought them for $10 from a dealer in appliances. Details of the modification procedure are determined by the design of the compressor, which varies in minor respects with the product of each manufacturer. In general, however, all compressors include a check valve that must be removed and a bypass line of copper tubing that runs between the housing and the check valve. The copper tubing must be cut and the ends sealed.

"A wire strainer will also be found somewhere in the inlet tubing. If the strainer is plugged by oil, the compressors, which operate in tandem, will not reduce the air pressure in the bell jar below 10 torr The oil can be blown from the strainers or the strainers can be removed. In the latter case care must be taken subsequently to prevent dirt or other foreign material from entering the units.

"Most refrigerator compressors are now sealed in a gastight housing. Access to the working parts can be gained only by cutting the housing apart. I do it with a hacksaw.

"Sputtering apparatus can be operated on either alternating current or direct current at potentials ranging from about 1,000 volts to 15,000 volts. Films deposited by direct current appear to be denser and to have higher reflectivity than those deposited by alternating current. The density and reflectivity of the film as well as the rate of deposit also appear to be influenced by the amplitude of the current, which can vary from 10 to several hundred milliamperes depending on the area of the cathode. I deposit most films with a current of from 25 to 60 milliamperes. None of my sputtered films is as dense or as bright as those deposited by the vaporization technique, but they perform adequately and I enjoy trying to make better ones.

"My power supply was improvised from a vacuum tube and three transformers that I bought inexpensively on the surplus market. The primary windings of the transformers were designed to operate from a source of 115 volts and 60 cycles. They were connected in parallel. The secondary windings develop a potential of 800 volts and were connected in series. The combined output is 2,400 volts. The output is converted to direct current by inserting a type-866A vacuum tube in series with one of the output leads [see Figure 2]. The tube is a diode.

"Essentially the apparatus functions as a gas-discharge tube of the Crookes type. When air pressure inside the bell jar is reduced and a potential of 1,000 volts or more is connected to the cathode and to the baseplate that functions as the anode, thin spark-like streamers will ultimately appear between the cathode and the anode. As the pressure continues to drop the streamers will be replaced by a blue glow that covers the cathode.

"At still lower pressure a dark region will appear between the cathode and the anode. This phenomenon is known as Crookes dark space. Simultaneously a bright glowing film will cover part or all of the cathode. The extent of this glow varies with the current. Crookes dark :pace appears at about .1 torr, expands as the pressure is reduced and becomes relatively thick at a pressure of .01 torr.

"Metal will deposit on the glass most effectively, at least during my experiments, when the position of the cathode is adjusted to the point at which Crookes dark space almost touches the glass. At comparatively low voltages the glow may fail to appear. In this case the discharge can be started by touching the bell jar with the high-voltage terminal of a Tesla coil, an Oudin coil or even a spark coil of the type used in the ignition system of automobiles.

"Current in the bell jar varies inversely with the resistance, hence a variable resistor can be used for adjusting the current and, as a consequence, for adjusting the rate at which metal is deposited. The resistance of the diode varies with the temperature of its cathode and can be controlled by adjusting the current applied to the filament of the tube. "Glass must be well cleaned before coating. The cleaning need not be as thorough as is required for chemical coating or for films applied by the evaporation technique. I merely wash the glass with household detergent, rinse it with water and put it aside to dry. Smudges left by dried water droplets are wiped off with a tuft of absorbent cotton. The thin film of vegetable fat that is deposited on the glass by the cotton vanishes during the subsequent ionic bombardment.

"The apparatus is simple to operate. The cleaned glass is placed on the baseplate along with the greased neoprene ring. The perforations of the stopper are also greased, as is the tapered portion of the stopper. All vacuum connections are similarly greased.

"The bell jar, to which the cathode has been assembled, is inverted over the base and the ground edge is pressed firmly against the neoprene ring to ensure a gastight seal. The cathode is then tentatively adjusted to a height of about three-quarters of an inch above the glass. The pumps are started. After about two minutes I apply the high voltage. Pressure inside the bell jar need not be measured. The proper operating pressure can be judged by the character of the glowing gas. No discharge appears at atmospheric pressure.

"When the pumps have been operating for a minute or so, depending on their speed, the characteristic blue glow will form close to the cathode and subsequently float away, forming Crookes dark space. When the dark space just touches the glass, I apply a pinch clamp to the vacuum hose. The position of the dark space then remains fixed. If the pumps cannot reduce the pressure sufficiently, the dark space may fail to expand into contact with the glass. In that case I turn off the high voltage and lower the cathode toward the glass as required.

"When the system is operating properly, a dense film of silver will be deposited within five to 25 minutes. Its growth can be followed easily by eye. When the deposit has reached the desired thickness, the power is shut off and air is admitted either by pulling off the hose connection or, preferably, by opening a valve installed in a T fitting that can be included in the hose. The bell jar can now be lifted from the base so that the coating can be examined. Some films may appear a bit dull, indicating that some variable is not under control. Such films can usually be salvaged by burnishing the metal lightly with a tuft of absorbent cotton.

"When constructing and operating the equipment, the experimenter must be aware of two potential hazards: the high voltages are lethal and the glass may implode. Leads from the power supply to the vacuum chamber should be well insulated. Wire of the type used in automobile ignition systems is satisfactory. Do not touch the wiring when the system is energized. Enclose the vacuum chamber in a cage of heavy wire screening, such as hardware cloth, and wear safety goggles.

"The sputtering rate and the quality of the deposit are influenced by a number of variables. They include the current, the voltage, the nature of the metal and of the surface to which it is applied, the character of the glow discharge and the kind of gas in the chamber. It is in the manipulation of these variables that I have found the fascination of the sputtering technique."

The attractions of seismology as an avocation are described in the July issue of Earthquake Information Bulletin, an official publication of the National Earthquake Information Center, which is operated by the Environmental Science Services Administration of the U.S. Department of Commerce. The center keeps a register of seismograph stations that operate on a full-time basis and invites amateurs who own stations fitted with accurate timing equipment to send in observations. The data should include the time, date and frequency of recorded earthquakes. The center also would like information on the amateur's instruments.

"If the instrument is calibrated," the Bulletin notes, "the amateur seismologist, as well as the professional, can determine the magnitude and distance to the epicenter of earthquakes even before the news is reported over the radio. The problems facing the amateur seismologist are formidable, however. The pickup unit, which should amplify the ground motion 1,000 times or more, recorders and timing present problems that must be solved separately. The station requires daily attention, yet many months may elapse between large earthquakes. "Very few amateur seismologists have solved the problem of accurate timing, which is essential if the data are to be used by professional groups such as the National Earthquake Information Center. The time of the arrival of phases (basic types of earthquake waves) must be known to the nearest second, for example, for locating earthquakes. This requires (1) a good chronometer; (2) a device for automatically marking minutes on the recording; (3) daily time checks of correct time as broadcast by radio station WWV, and (4) a chart speed of at least 30 millimeters per minute."

The Bulletin calls the attention of amateurs to the formation in 1966 of the World Amateur Seismological Society through the efforts of Meredith Lamb of 322 South Raritan Street, Denver, Colo. 80223. This organization promises to fill a basic need of amateur seismologists for affiliation with fellow enthusiasts. The Bulletin concludes with an appeal to those who for one reason or another do not find it convenient or possible to operate a station: "To make a significant contribution to the field of seismology, a hobbyist need not operate a seismograph. The written earthquake history of most of this country is limited. To develop an accurate estimate of earthquake risk, records for hundreds of years are needed. The search of historical society files and old newspapers may uncover additional facts concerning the effects of earthquakes in various regions and thus increase the knowledge of earthquake risk.

"Another aid to professional organizations would be the collection of local newspaper accounts or other reports of recent earthquakes. Many of these details are not available to the seismologist when isoseismal maps are drawn to delineate the felt area of various earthquakes and the intensity distribution.

"Amateur seismology has proved a rewarding hobby for those who have actively pursued it. Its relevance to school studies in earth sciences has provided additional interest in the subject, as have science fairs, where several seismology projects have been recognized with top honors."

The Coast and Geodetic Survey branch of the Environmental Science Services Administration issues a number of publications of interest to citizens who make a hobby of seismology. A list of those that are currently available can be obtained from Jerry L. Coffman, Editor, Earthquake Information Bulletin, National Earthquake Information Center, Rockville, Md. 20850.

 

Bibliography

PROCEDURES IN EXPERIMENTAL PHYSICS John Strong. Prentice-Hall, Inc., 1938.

THE SCIENTIFIC AMERICAN BOOK OF PROJECTS FOR THE AMATEUR SCIENTIST. C. L. Stong. Simon and Schuster, 1960.

 

Suppliers and Organizations

 

Fry's Electronics retails over 30,000 electronic items within each store. Fry's has been keeping hi-tech professionals supplied with products representing the latest technology trends and advances in the personal computer marketplace for 15 years. Fry's has become the place where a technical customer can shop with confidence and comfort.

 

The Society for Amateur Scientists (SAS) is a nonprofit research and educational organization dedicated to helping people enrich their lives by following their passion to take part in scientific adventures of all kinds.

The Society for Amateur Scientists
5600 Post Road, #114-341
East Greenwich, RI 02818
Phone: 1-401-823-7800

Internet: http://www.sas.org/