Cost: $0-100
About These Ratings
Difficulty: Beginner to intermediate Danger 1: (No Hazards) Utility: This project is based on obsolete technology.

------------------------

How to Record and Listen to the Electrical Signals Produced By Microscopic Animals

---------------------

by C. L. Stong
February, 1966

---------------------

SMALL ANIMALS SUCH AS THE so-called water flea are unusually engrossing when they are heard as well as seen. This is evident if one puts an animal of this size on the stage of a low-power microscope and connects the animal to a loudspeaker-a task less difficult than it sounds. Any animal can actuate a sensitive amplifier and loudspeaker because the electrical discharge that accompanies the functioning of animal cells is common to animals of all sizes. Richard F. Wheeler, a student at Foothill Junior College in Los Altos, Calif., has assembled the appropriate apparatus and has conducted experiments in amplifying the sounds made by very small animals. He has worked particularly with Daphnia, which is commonly called a water flea but is actually a tiny crustacean. He has also made simultaneous sight-and-sound observations of Cyclops (another genus of water flea), mosquito larvae and such microscopic animals as rotifers, paramecia, vorticellae and ostracods.


Figure 1: Arrangement of electrodes for detecting bioelectric potentials

The cell of an animal has been likened to a simple insulated container of electrons, or negative charges. Positive ions in the surrounding fluid are attracted by the electrons to the external surface of the insulating membrane. Hence an electrostatic field, or potential difference, exists across the membrane. When the cell is in the resting state, the membrane exhibits good insulating properties: it is quite impermeable to all ions. External forces, either electrical or chemical, can lower the resistance of the membrane, however, with the result that both electrons and ions migrate through the wall and combine. The movement of such charges constitutes an electric current that sets up a potential difference throughout the fluid in the cell and its environment. A discharge of one cell can trigger the discharge of its neighbors and so initiate a current pulse of substantial magnitude. The resulting pulse of voltage can be detected by appropriate electrodes, such as a pair of silver wires, placed anywhere in the fluid.

Following the discharge, the membrane recovers its insulating property and metabolic processes restore the initial charged condition to the cell in preparation for the next cycle. The entire interval of discharge and recovery may be no more than a few thousandths of a second. Although the energy liberated by even a large group of cells is small with respect to that flowing from a flashlight battery, it is more than enough to operate a loudspeaker system of the kind used for reproducing phonograph recordings. In making electrocardiograms of water fleas, Wheeler has measured potentials of 20 to 600 millionths of a volt across silver electrodes placed near a Daphnia. This is a substantial "signal" in terms of modern electronics.

In many cases sight alone will be insufficient for observing the activities of such small animals. For example, the observer watching a specimen of Daphnia under a microscope will see water streaming along one side of the animal at fairly high velocity. The cause of the motion is not easy to detect by eye unless the animal has been killed and stained; it then becomes evident that the motion must arise in limblike structures adjacent to the midventral section. Such a specimen, however, is obviously incapable of movement. This is where the loudspeaker becomes valuable. You can learn what is going on as you watch a living specimen of Daphnia, or one of the other animals, and listen to it at the same time. If you include in the experimental setup a stroboscopic ("strobe") lamp, a photocell, a camera, a pen recorder, a magnetic-tape recorder and an oscilloscope, you will be able to obtain a detailed account of the water flea's behavior.


Figure 2: Equipment inside (left) and outside (right) shielded box

Wheeler writes that his interest in recording bioelectric potentials from small animals began with an article in this department (January, 1962). He continues: "The author dealt mainly with the technical problems of picking up potentials from large animals such as fishes and did not dwell on the development of the miniature electrodes that must be used for connecting an amplifying apparatus to animals of microscopic size. The article raised three questions in my mind. If bioelectric potentials can be successfully detected and recorded from small crustaceans such as those discussed-in the article, can they also be detected and recorded from protozoans? If the potentials from protozoans can be recorded, can the records be used for investigating ciliary movement? Finally, does the presence of systematically controlled currents in protozoans suggest the existence of a nervous system on the molecular level?

"For apparatus I bought some instruments, borrowed others and made the rest. I built a Faraday cage: a box lined with copper screening that could be connected by wire to a water pipe for shielding the recording electrodes from electrical interference. During the course of the experiments the box turned out to be too small for the equipment, so I borrowed a larger one from the physiology department of Stanford University.

"The lamp used for lighting the stage of the microscope operated on alternating current that interfered with the signal from the specimens. To eliminate this source of noise I constructed a direct-current power supply for the lamp. Perhaps the most useful piece of accessory equipment was a special amplifier that powered the loudspeaker. This unit enabled me to follow the electrical signals by ear while observing the movements of the animal and so eliminated the necessity of shifting my eyes alternately from the specimen to the pen recorder.

"Most of my time and effort during the construction phase of the experiment went into the development of suitable microelectrodes None of the available electrode systems that are normally used for picking up bioelectric potentials from gross tissue was adequate; therefore I had to improvise my own. The first arrangement consisted of four needles from an electroencephalograph. I paired them, spaced the two needles of each pair about three millimeters apart and inserted the pairs on opposite sides of a piece of three-millimeter, clear-plastic tubing that was closed at one end. I hoped to trap the animal inside the tubing, between the tips of the needles.


Figure 3: Circuitry of the preamplifier

"The arrangement did not prove satisfactory because of difficulty in making a good mechanical attachment to the needles. Moreover, an air bubble was invariably trapped in the closed end of the tube. Subsequent changes in temperature caused the trapped air to expand and contract, with the result that the drop of water containing the specimen migrated slowly beyond the needles that were intended to serve a electrodes.

"Several arrangements that involve placing metallic foil in open containers were then tried. In one system a five-milliliter beaker was lined with four equal rectangles of aluminum foil. A fifth sheet of foil was placed on the bottom of the container and a sixth sheet, supported above, made contact with the upper surface of the fluid. The arrangement was intended to localize potentials in three dimensions from larger animals such as tropical fishes, mosquito larvae and water boatmen. The scheme worked rather well with large specimens and merits further development. On the other hand, it is quite sensitive to vibration, which appears as noise in the electrical system. The system is much too large for Daphnia and similar small specimens in which I am primarily interested.

"Other electrode schemes consisted of suspending a drop of water containing the specimen between the ends of two needles or between small holes in two closely spaced sheets of tinfoil. The drop suspended between the needles by surface attraction evaporates too rapidly for practical use. It is also relatively insensitive and difficult to assemble. The drop suspended between sheets of tinfoil is a sensitive electrical pickup and can be lighted from below for microscopic observation, but the curvature of the upper surface of the water acts as a convex lens that grossly distorts the image. The distortion can be prevented by placing thin sheets of glass, such as microscope cover slips, in contact with the upper and lower surfaces of the drop and cementing the glass to the foil with sealing wax that has a low melting point, such as the sticky wax used by dentists. This structure is somewhat difficult to put together, but it works.


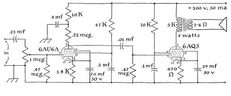
Figure 4: Circuitry of the audio amplifier

"Various arrangements were also tried that involved placing conducting wires and foils at the sides of microscope slides and cover slips. Most were insensitive because of the large separation of the electrodes. Electrodes in the form of foil strips cemented to the microscope slide proved to be sensitive to vibration and hence acted as generators of noise.

"The most successful and generally useful electrodes finally devised consist of silver wires thrust into the ends of a glass capillary tube with a bore about two millimeters in diameter. The tube is supported in water in a glass cell made of cover slips. The assembly is mounted on a microscope slide. The glass cell, capillary tube and slide are attached with sticky wax [see Figure 1].

"The specimen occupies the space between the ends of the wires inside the capillary. To improve the chemical stability of the electrodes the inner ends of the silver wires are cleaned, connected to a l 1/2-volt dry-cell battery and immersed for about 15 minutes in a solution of approximately one part of hydrochloric acid to 25 parts of distilled water. The polarity of the electrodes is then reversed and, with the wires still immersed in the dilute acid, the current is applied for another 15 minutes. Incidentally, cover slips can be broken into particular shapes and dimensions easily if they are first scored lightly with a diamond point.


Figure 5: Wiring of the carrier demodulator

"In air the capillary tube acts as a cylindrical lens that distorts the image of the specimen. The distortion can be minimized by filling both the tube and its surrounding cell with water; this is successful in spite of the fact that the refractive index of water is substantially lower than that of glass. A better optical match could be achieved by filling the cell with a solution, such as glycerol, that has a refractive index approaching that of glass. Care should be taken, however, to avoid contaminating the water inside the tube with glycerol and so damaging the specimen. All specimens are normally observed in distilled water.

"Electrodes of this type for use with protozoans must be made smaller, both to prevent the animals from swimming out of the space between the ends of the wires and to reduce the spacing between the electrodes, thus improving the sensitivity. I first select silver wire of the desired size. The material can be bought from jewelry manufacturers. "The wire is placed in a convenient length of capillary tubing, which is then heated to a soft state in the flame of a gas burner. The tube is promptly stretched so that the bore shrinks to the diameter of the wire over a length of about two centimeters. After cooling, the glass is immersed in a bath of nitric acid until the metal is etched away. The glass tube is then fitted with wire electrodes. The completed electrode assembly can be attached to a micromanipulator for observation under a low-power stereoscopic microscope or placed on the stage of a conventional high-power microscope. I connect the silver electrodes to a coaxial cable that transmits the input signal to a preamplifier. The outer conductor of the cable is grounded to the wire screening of the Faraday cage.


Figure 6: Views of Daphnia coincident with respiration signals

"Although this electrode configuration has resulted in a number of satisfactory recordings, I am still trying to improve it. At present, for example, I am placing thin-film gold electrodes on microscope slides by evaporating the metal in a vacuum. This arrangement has developed exceptionally strong signals. I also plan to use half-silvered slides. With the animal between two transparent but electrically conducting slides the whole problem of simultaneously achieving large surface area and good visibility may be solved.

"The opportunity to experiment with the thin-film packages intended for use as integrated circuits is also tempting. Some of these devices have as many as 10 miniature electrodes that terminate in an area of only a few square millimeters [see "Microelectronics," by William C. Hittinger and Morgan Sparks; SCIENTIFIC AMERICAN, November, I965]. This area could be flooded with solution and sealed with a cover slip. Rejects are fairly easy to procure. Unwanted circuits can be etched off the assemblies with the combination of concentrated nitric and hydrofluoric acid that is designated by the code number CP-8.

"In general the instruments used for amplifying and displaying the signal operate in two groups. The group inside the shielded box includes the specimen cell, microscope, camera, strobe lamp, photocell and preamplifier. The unshielded group consists of the oscilloscope and an associated camera for photographing the display; a frequency meter, a pen recorder, a loudspeaker and an associated audio amplifier; a carrier amplifier that feeds a 400-cycle current modulated by the signal to a magnetic tape recorder, and a demodulator for recovering the signal. The carrier is necessary because my tape recorder does not respond to frequencies as low as those of the signal.

Figure 7: Electrocardiogram of a water flea

Figure 8: Electrocardiogram of a water flea superimposed on a respiration graph

Figure 9: Signals associated with antenna movement of a water flea

Figure 10: Signals associated with antenna movements of Cyclops

Figure 11: Spikes believed to represent muscle twitches of an ostracod

Figure 12: Electrocardiogram of mosquito larva

"The eyepiece of the microscope is accessible for viewing the specimen without opening the shielded box. When the strobe lamp is flashed for making a photomicrograph of the specimen, the photocell picks up the light and transmits a voltage pulse to the oscilloscope and the recorders. The pulse appears as a timing mark on all displays and correlates the position of all visible parts of the specimen with the electrical potentials present at the instant the picture is made.

"It is rather easier, I find, to gather the data than to interpret it. I have recorded and definitely identified electrocardiograms of Daphnia [see Figure 7]. The graph of individual beats is roughly similar in shape to the discharge of a single cell. The large pulse on the left side of the record may have been caused by a twitch of the water flea's antennae, although I was not watching the animal when this feature appeared. The pulse rate of Daphnia is about 600 beats per minute. On the other hand, the animal's heart occasionally stops and then resumes beating. The reason for this is puzzling unless the pause serves as an interval of rest and recovery.

"Respiration is likewise interrupted from time to time. Its frequency varies in such a way as to suggest that something is acting as a feedback mechanism, but I have no idea what the mechanism could be. The accompanying illustrations [right] show respiration potentials at two intervals. The vertical lines on both graphs represent time intervals of .2 second per centimeter and the horizontal lines indicate signal potentials of 200 millionths of a volt per centimeter. The straight graphs below each contain a timing 'pip' that registers as an upward excursion of the pen at the instant the photomicrographs are made. The upper and lower pictures correspond respectively to the top and bottom graphs. The eye of this female specimen appears at the extreme right and the brood pouch, containing seven eggs, is at lower left. The faint, fuzzy object immediately to the right of the eggs is the heart. The respiration rate of this specimen varied from a high of 270 per minute (as shown by the upper graph) to approximately 210 per minute (as shown by the second recording). The signal strength averages about 80 millionths of a volt in both.

"When respiration and pulse are suspended at the same time, it is possible to make a clear recording of Daphnia's antenna movements Each movement occupies only about 20 thousandths of a second on the average. Graphs of respiration and pulse that occur simultaneously are not particularly meaningful, but an example is included.

"I have devoted far more time to the study of Daphnia than to other organisms, although recordings of several other animals have been made. The antenna movements of the water flea Cyclops, an organism responsible for transmitting worm infections to humans, generates action potentials that closely resemble those of Daphnia [see Figure 10]. Ostracods, on the other hand, make recordings of action potentials that appear to be associated with muscle twitches [Figure 11]. These organisms are enclosed by a pair of opaque shells that make it difficult to associate an action potential with the functioning of a specific organ.

"My electrocardiograms of mosquito larvae are cluttered somewhat by 'noise' generated by other muscle. These disturbances could doubtless be minimized by situating the animal with respect to the electrodes in a position that would emphasize its heart action. This would require more patience than I have yet summoned. Even so, the heartbeats are obvious on the graph and easy to count. The accompanying graph [see bottom illustration above] is relatively uncluttered by muscle noise, The pulse rate averages approximately 360 beats per minute.

"Although action potentials of several protozoans have been detected, I have not yet succeeded in making recordings worthy of publication. The technical difficulties of recording bioelectric potentials seem to vary inversely with the size of the animal. Potentials have been recorded from a paramecium when it collides with an object, stops and changes direction. The graph shows merely a spike, or pulse. An electrode assembly of greater sensitivity would doubtless deliver the continuous signal that according to theory must be present in the water.

"Impulses have also been detected from colonies of vorticellae. This animal resembles a minute, inverted bell equipped with a slender handle or stalk by which it is normally attached to bottom sediments. A muscle-like fibril spirals down the stalk. When the fibril is stimulated, it contracts violently, jerking the entire organism downward to the base of the stalk. The pulses I detected appear to be associated with these abrupt contractions, but my colony gave out before I could verify the effect, much less analyze it.

"In performing these experiments I have had a lot of help and encouragement from fellow members of our Amateur Research Center, Inc., a group of science enthusiasts some of whom live as far away as Berkeley and San Jose, a distance of about 60 miles. We have assembled a collection of instruments that are available to members on loan. In addition we hold regular seminars and publish a modest bulletin that reports our activities both as individuals and as a group. We plan to expand our facilities, and we hope to set up a program that will enable specially qualified amateurs to work at the center during summer months while holding part-time jobs that we would help to find in local industry. We welcome new members, even from across the country, and encourage the organization of similar groups everywhere. Our group is sponsored by the American Society of Safety Engineers. We shall be glad to correspond with anyone who would like to know more about our activity. Our address is: Amateur Research Center, Inc., Box 2337, Stanford University, Stanford, Calif. 94305."

 

Bibliography

BIOELECTRICITY, E. E. Suckling. McGraw-Hill Book Company, 1961.

ION TRANSPORT ACROSS MEMBRANES. Edited by H. T. Clarke. Academic Press Inc., 1954.

MEDICAL ELECTRONICS. G. E. Donovan. Butterworth & Co. (Publishers) Ltd., 1953.

 

Suppliers and Organizations

 

Fry's Electronics retails over 30,000 electronic items within each store. Fry's has been keeping hi-tech professionals supplied with products representing the latest technology trends and advances in the personal computer marketplace for 15 years. Fry's has become the place where a technical customer can shop with confidence and comfort.

 

The Society for Amateur Scientists (SAS) is a nonprofit research and educational organization dedicated to helping people enrich their lives by following their passion to take part in scientific adventures of all kinds.

The Society for Amateur Scientists
5600 Post Road, #114-341
East Greenwich, RI 02818
Phone: 1-401-823-7800

Internet: http://www.sas.org/


Wondering where you can purchase the science supplies needed to perform this Amateur Scientist project? At WARD’S you can find everything you need need for studies in the biological and environmental sciences.

WARD’S Natural Science Est.
P.O. Box 92912
Rochester, NY 14692-9012, USA
Phone: 1-800-962-2660

www.wardsci.com