Cost: $0-100
About These Ratings
Difficulty: Beginner to intermediate Danger 2: (Minor injury possible) Utility:

------------------------

The Semiconducting "Hall Device" Opens Up a Broad New Field of Experimentation

---------------------

by C. L. Stong
July, 1965

---------------------

A RECENTLY DEVELOPED SEMICONDUCTING device that controls electric current by means of an electromagnet has opened to amateurs a new field of experimentation that is potentially as interesting as the one introduced by the transistor. The principle on which the new device is based dates from work done in 1879 by Edwin H. Hall at Johns Hopkins University. Hall, who had placed between the poles of a magnet a thin strip of copper that carried an electric current, observed that a voltage appeared across the width of the strip as long as the magnet was in place. He found that he could reverse the polarity of the voltage by reversing the magnet.


Figure 1: A schematic arrangement of a Hall device

Hall explained the effect by assuming that the magnetic field caused the current to crowd toward one edge of the strip, much as a jetty diverts the flow of water in a river, and he concluded that the voltage appeared as a result of the crowding. Little came of the experiment, apart from its academic interest, because the potential difference Hall observed was less than a millionth of a volt. Recently, however, it was discovered that the Hall effect can be increased more than 100,000 times by substituting for Hall's copper strip a thin wafer of semiconducting material such as an alloy of indium and arsenic. An apparatus that makes use of this principle is called a Hall device.

According to Edwin D. Sisson of Columbus, Ohio, who has contributed to the development of numerous Hall devices, the discovery of the augmented Hall effect has solved some of the experimenter's most stubborn circuit problems. For example, a new instrument that incorporates a Hall device and has no moving parts can measure the strength of magnetic fields directly and as easily as voltages and currents have been measured in the past. When the Hall device is equipped with an electromagnet, it can do several things: multiply one current by another; generate trigonometric and other mathematical functions; convert direct current to alternating current; modulate one alternating current by another; measure current, power, linear displacements, physical and electrical angles, and perform numerous sensing functions. Sisson writes:

"The output voltage of the Hall device varies in proportion to the product of the current in the semiconducting material and the current that energizes the electromagnet; the voltage varies inversely with the thickness of the semiconductor. For this reason thickness is minimized; in a typical device it amounts to only a few thousandths of an inch. The thinness of construction makes possible the use of the device for measuring magnetic fields in magnets where the gap between poles is narrow. The area of the device can also be made small, which improves its resolution as a probe for exploring the uniformity of magnetic fields.


Figure 2: Circuitry for a gauss meter incorporating a Hall device

"On the other hand, semiconducting materials are relatively brittle and become fragile if they are made too thin. Moreover, reduction in thickness is always accompanied by a corresponding reduction in the maximum current the wafer can carry without overheating. Both the physical strength of the device and its capacity for transmitting current can be increased, however, by mounting the wafer on a substrate that provides physical support and conducts heat away from the unit.

"In typical circuits the Hall device must be supplied by current from a source such as a battery. In most applications the device is mounted between the poles of an electromagnet energized by a separate current. In some applications both currents may be under investigation or measurement; in others the electromagnet can be equipped with more than one winding for accepting two or more currents. The output voltage can be measured directly by a millivoltmeter, displayed on an oscilloscope or amplified for measurement by a conventional voltmetet. The output voltage is equal to the product of the width of the semiconducting material, the density of the current in the material, the density of the magnetic field and a quantity known as the Hall coefficient. This quantity is a measure of the effectiveness with which the material generates output voltage when immersed in a magnetic field. The Hall coefficient of copper is quite low, which accounts for the low output Hall observed during his pioneering experiment. The output is highest when the direction of the magnetic field is perpendicular to the plane of the semiconducting material, and it decreases in proportion to the trigonometric sine of the angle when the direction of the field is inclined with respect to the plane.


Figure 3: Schematic arrangement of a transistor amplifier

"Perhaps the simplest application of the device is also the one of most interest to amateurs: its use as a fluxmeter for measuring the strength of magnetic fields. Few laymen normally have access to fluxmeters of the conventional type, in which a voltage is generated in a moving coil of wire by the field under measurement. The Hall device generates a continuous output that varies in direct proportion to the field strength as long as current is maintained through the sensitive element. It requires no moving parts and can measure fields of constant intensity as well as alternating fields, including those that oscillate at the radio frequencies. It senses only the portion of the field that passes through the semiconductor and it can therefore be used to explore and to chart the contour of nonuniform fields and of stray fields.

"A gauss meter for measuring the strength of magnetic fields can be built by amateurs. It makes use of a Hall device such as the Type BH200 manufactured by F. W. Bell, Inc. (1356 Norton Avenue, Columbus, Ohio 43212). The unit can be energized by a six-volt dry battery through a 33-ohm resistor. A 1,000-ohm potentiometer should be connected across the input terminals of the Hall device, with the sliding contact connected to one side of the meter circuit, for adjusting the meter indication to zero in the absence of a magnetic field. The output voltage is measured by connecting a millivoltmeter to the output terminals of the device. If the experimenter wishes, the calibration of the meter can be adjusted by inserting a resistor in series with one of its leads [see upper illustration above]. The value of this resistor will depend on the characteristics of the meter and the desired scale. It must be determined experimentally.

"A more sensitive instrument for measuring field strength (and one that is easily adaptable for other experiments) can be made. To do so one equips the Hall device with an amplifier that includes two transistors connected differentially so that the performance of one compensates for that of the other when the characteristics of the pair are altered by variations of temperature or other disturbances [see lower illustration above]. The unit will amplify both direct and alternating current. It includes a potentiometer for adjusting the meter to zero indication in the absence of a magnetic field. A vacuum-tube voltmeter, connected to the output of the amplifier, is used for measuring the amplified output voltage of the Hall device. The amplified output amounts to about two volts per 1,000 gauss of magnetic-field strength. Alternating fields of course generate an alternating output voltage, which must be measured by a voltmeter designed for use with alternating current.


Figure 4: Arrangement of an apparatus for generating trigonometric functions

"Accurate calibration of the fluxmeter requires the use of a magnetic field of known strength. The Hall device is placed in the field and a note is made of the corresponding output voltage. The value of the voltage is divided by the known strength of the field in gauss. This computation expresses the intensity of the field in terms of voltage and constitutes the calibration. For example, a measurement of 1.2 volts when the Hall device is immersed in a magnetic field of 600 gauss indicates a sensitivity of 1.2/600, or .2 volt per 100 gauss. The scale of the meter can be graduated accordingly for direct reading. Alternatively a graph can be drawn as a reference for converting voltage indications into units of field strength. The amplifier can be used for measuring fields up to about 1,500 gauss; beyond that, in the range of 1,500 to 20,000 gauss with which an amateur is likely to be involved, it is not needed.

"A magnetic field of accurately known intensity for use in calibrating the instrument can be generated by constructing a 'long solenoid.' This is an insulated-wire coil at least 20 times longer than its width, wound of wire that is less than a tenth as thick as the width of the coil. The coil consists of a single closely wound layer of wire, each turn in contact with its neighbor. The intensity of the magnetic field developed by a direct current inside the center of the coil is equal to 4945 multiplied by the number of turns per inch of the coil length and by the current in amperes. (B = .4945 IN/l, in which B is the magnetic flux in gauss, I the current in amperes, N the total number of turns of wire and l the length of the coil in inches.)


Figure 5: Details of devices for concentrating a magnetic flux

"A coil 15 inches long, for example, wound with 660 turns of 24-gauge enamel magnet wire on a phenolic tube 3/4 inch in diameter will develop at its center a magnetic-field strength of 21.7 gauss per ampere of current. If the wire is wound at constant pitch (accomplished most accurately by prethreading the phenolic tube), the computed value will not be in error by more than .5 percent. The coil can be used for setting up either direct-current or alternating-current fields. When the coil is energized by alternating current or relatively high frequency, losses in the winding and from resonance effects ca cause the current in the coil to differ from that in the external circuit. Such losses do not produce significant inaccuracies at frequencies below 10,000 cycles per second. Above this frequency another source of error can appear in the form of voltages that may be induced in the leads attached to the Hal device. These four connections constitute a pair of small loops that can act as single-turn pickup coils. To detect possible error from this source disconnect the current supply from the Hall device while maintaining the alternating field. The output voltage should then drop to zero. If it does not, stray voltages are being induced in the leads.

"It is not practical to leave a discontinuity in the coil winding for inserting the Hall device into the center of the coil, because the opening would alter the distribution of the magnetic field. The Hall device must be inserted through one end of the coil and carefully aligned so that the plane of the element is perpendicular to the axis of the coil. This can be done by attaching the unit to the end of a plastic rod.

"The current used to energize the calibration coil must not be so high that it heats the wire and thus raises the temperature of the Hall device appreciably above that of the room. The accuracy of the calibration will be no better than that of the ammeter used for measuring the current in the coil. Once a calibration point for the Hall device is found by use of the long solenoid the same constant can be applied to any field intensity within the limits of the Hall device. The unit recommended for this introductory experiment will generate output voltages that vary in direct linear proportion to the magnetic field within 3 percent to 10,000 gauss if the unit is supplied by a current of 100 milliamperes and the output leads are connected to a meter or an amplifier of 100 ohms. Other Hall devices, available at higher cost, are accurate to within .25 percent to 10,000 gauss.


Figure 6: Circuitry of a "chopper" using a Hall device

"The BH200 Hall device can be bought separately from F. W. Bell, Inc., or as part of an inexpensive kit that includes a transistor amplifier, a pair of bar magnets of approximately known field strength and an explanatory booklet. To calibrate the gauss meter with these magnets the experimenter simply places the Hall device against the surface of either magnet in a position that produces the highest meter reading. In addition to functioning as a gauss meter, the apparatus included in the kit can be used for demonstrating the pattern of magnetic-field lines in the space around a magnet and for investigating the directional effect of field lines with respect to the plane of the Hall device. The device also can act as a linear-displacement and an angular-displacement transducer and as a proximity detector and position sensor.

"To measure angles in terms of trigonometric functions, for example, the Hall device is mounted on a shaft that is free to rotate between the two bar magnets. One end of the shaft is equipped with a pair of pointers for indicating angular displacement [see upper illustration below]. When one of the pointers indicates zero degrees, the output voltage is proportional to the trigonometric sine of the angle indicated by the second pointer and to the cosine of the angle indicated by the first pointer. By mounting a pair of Hall devices on the shaft, displaced 90 degrees in relation to each other, the device will generate sine and cosine outputs simultaneously. It will also act as a rectangular-to-polar coordinate converter.

"The sensitivity of the Hall probe in large homogeneous fields can be increased by the use of flux collectors: two lengths of ferromagnetic material such as iron or ferrite bars. The device can be sandwiched between the butted ends of the bars or between the overlapped ends [see lower illustration below]. The lines of magnetic flux in the vicinity are attracted by the ferromagnetic material and are thereby concentrated in the Hall device. Long, slender rods are more effective than short ones. For maximum sensitivity the air gap between the rods occupied by the Hall device should be made as small as possible because an air gap has the effect of shortening the rods. The area of the rods in contact with the Hall device should equal that of the sensitive portion of the semiconducting material.


Figure 7: A circuit using a Hall device in a wattmeter

"An effective flux concentrator can be made from strips of laminated sheet iron removed from an old transformer. Several laminations are stacked to make a rod of rectangular cross section. If the laminations happen to be slightly magnetized, as may be the case with laminations removed from the transformer of an old radio set, they can be demagnetized before use by passing the strips through a coil of 100 turns or more that carries several amperes of 60-cycle alternating current. Flux concentrators can easily increase by a hundredfold the strength of the magnetic field in space that acts on the Hall device.

"Tests were made of a type BH100 Hall device, a more sensitive unit than the BH200. The BH700 device was equipped with a high-gain transistor amplifier and a flux concentrator consisting of a pair of nickel-alloy steel strips three inches long, 1/4 inch wide and .014 inch thick. The tests produced a response of one volt in the earth's field when a current of 14 milliamperes was applied to the device. The probe was zeroed in the presence of the earth's field by adjusting the balancing potentiometer of the amplifier for peak readings as the probe was reversed in the earth's field and finally rotated to the intermediate or null position.

"An interesting sensitivity test was also made with the BH700 device. First the zero controls were adjusted so that the two peak responses due to the earth's field were equal in amplitude. The probe was rotated to the position of zero output, the null point, and securely fastened. The gain of the amplifier was then increased until the null potential measured five millivolts. The Hall device was energized by alternating current at 400 cycles per second for amplification by a high-gain alternating current amplifier. The current in the Hall device was then increased to 200 milliamperes, its rated limit. At this point the zero controls became so sensitive that a 10-turn potentiometer had to be substituted for the single-tun1 'coarse' potentiometer of the amplifier.

"At this critical adjustment the sensitivity of the instrument was computed to be 1.7 x 10-4 gauss, equivalent to 17 gammas. (The horizontal intensity of the earth's magnetic field in the Northern Hemisphere varies from about 8,000 to 30,000 gammas.) Operation at a sensitivity this extreme is not at all impossible. The stability of the instrument is quite good if care is taken to maintain a constant current through the Hall device and to protect it from strains and temperature changes. The probe must be fixed so that its plane is perpendicular to the earth's field. An angular displacement will generate a large change in the output voltage.

"Ferromagnetic rods for concentrating magnetic flux display their maximum response to fields that parallel the long axis of the assembly and their minimum response to transverse fields. Surfaces of equal response in the space near the rods appear approximately as spheres positioned around each end of the rod with centers on the axis of the rod. It is possible to distort or reshape the spatial response by adjusting the balancing potentiometer. This action reshapes the null plane of the concentrator into a conical surface around the axis of one pole of the concentrator, reduces the sensitive lobe inside the cone and increases the size of the opposite lobe.

"Continued adjustment will ultimately reduce the small lobe to zero and convert the null cone into a null line that coincides with the axis. With the apparatus adjusted for high sensitivity and the output zeroed with the probe in a fixed relation to the earth's field, any magnetic change in the environment, such as one caused by energizing an electromagnet, will be detected independently of the earth's field. Metal objects that are assumed to be demagnetized often show a residual field when they are brought near the probe of an instrument in critical adjustment. In fact, it is frequently difficult to determine whether the response of the instrument is due to residual magnetism in the object or to the distortion the object introduces in the earth's field.

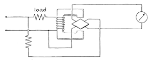
"The Hall device can also be applied to the solution of many conventional circuit problems. For example, it makes an ideal 'chopper,' which is a device for converting weak direct current to alternating current for amplification by a high-gain alternating-current amplifier. Choppers are essential for converting weak bioelectric currents of low frequency to higher frequencies for amplification, and for converting the output of thermocouples to alternating current. Conventional choppers, particularly those of the mechanical variety that consist of motor-driven switches, tend to generate noise, or spurious currents. To chop with a Hall device, the signal to be converted is fed into the semiconductor and the electromagnet is energized with current at the frequency into which the experimenter wishes to chop the signal. The output voltage represents the arithmetical product of the direct-current signal and the alternating current supplied to the electromagnet [see Figure 6 ].

"The Hall device also lends itself readily to the measurement of electric power. The energy consumed by a load in watts is equal to the product of the current in the load and the voltage across the load. The Hall device automatically multiplies its input quantities. To apply it as a wattmeter the current in the load (or a known portion of the load current) is used to energize the electromagnet. When the voltage across the load (or a known portion of the voltage) is applied to the semiconducting material, the output voltage varies directly with the power consumed by the load [see Figure 7].

"Hall devices operate well over a wide range of frequencies. Hence they make ideal modulators. The carrier frequency of a radio transmitter can be modulated with voice signals simply by energizing the semiconductor with the high-frequency carrier current and modulating it by energizing the electromagnet with currents at voice frequency.

"Only a few of the known circuit applications have been described. Doubtless many others are possible. Their number appears to be limited only by the imagination of the experimenter."

 

Bibliography

THE HALL EFFECT AND RELATED PHENOMENA. E. H. Putney. Butterworth & Co., Limited, 1960.

ON A NEW ACTION OF THE MAGNET ON ELECTRIC CURRENTS. E. H. Hall in American Journal of Mathematics, Vol. 2, pages 287-292; 1879.

PRINCIPLES AND APPLICATIONS OF HALL-EFFECT DEVICES. M. Epstein, L. J. Greenstein and H. M. Sachs in Proceedings of the National Electronics Conference, Vol. XV. National Electronics Conference, Inc., 1960.

 

Suppliers and Organizations

 

Fry's Electronics retails over 30,000 electronic items within each store. Fry's has been keeping hi-tech professionals supplied with products representing the latest technology trends and advances in the personal computer marketplace for 15 years. Fry's has become the place where a technical customer can shop with confidence and comfort.

 

The Society for Amateur Scientists (SAS) is a nonprofit research and educational organization dedicated to helping people enrich their lives by following their passion to take part in scientific adventures of all kinds.

The Society for Amateur Scientists
5600 Post Road, #114-341
East Greenwich, RI 02818
Phone: 1-401-823-7800

Internet: http://www.sas.org/