Cost: $100+
About These Ratings
Difficulty: Expert; advanced amateur or professional. Danger 4: (POSSIBLY LETHAL!!) Utility:

------------------------

How a Persevering Amateur Can Build a Gas Laser in the Home

---------------------

by C. L. Stong
September, 1964

---------------------

FEW DEVICES IN THE MODERN PHYSICS laboratory present a more deceptive appearance of simplicity than the helium-neon laser, a device with many exciting prospects [see "Advances in Optical Masers," by Arthur L. Schawlow SCIENTIFIC AMERICAN, July, 1963]. The apparatus seems to consist merely a gas-discharge tube that looks much like the letter "I" in a neon sign; at the ends of the tube are flat windows that face a pair of small mirrors. Yet when power is applied, the device emits as many as six separate beams of intense coherent light.


Figure 1: A helium-neon laser designed for amateur construction

What accounts for this remarkable performance? You can discover the answer by the pleasant if somewhat slow method of undertaking to build a laser at home, as I did earlier this year. Not only will you learn what makes the laser tick but also, as a bonus, you may encounter some fascinating properties of light that you have previously overlooked. If you are as inexperienced as I was, however, you may not find the project as easy or as inexpensive as some that have been discussed in these columns. I can promise that it will exercise your talents for such diverse arts as blowing glass, fabricating small parts, maintaining scrupulous cleanliness in the workshop and operating a high-vacuum system. The cost will vary inversely in proportion to your capacity for improvisation, but you can expect it to exceed $100.

The gas laser requires special structures, the need for which arises because the device is an extremely poor amplifier, at least by electronic standards. In the visible region of the spectrum it usually has a maximum gain of less than 10 percent. Much of the input power is wasted by excited atoms of ionized gas that emit light in random directions. Some emission, however, travels along the axis of the gas-discharge tube and is reflected back and forth between the mirrors. During each transit this oscillating light stimulates still other excited atoms to emit energy that falls into lockstep with the same waves that triggered the emission. The stimulated emission thus increases the intensity of the light, but only by a few percent on each pass. During each transit the light must make its way through the end windows to the mirrors and back again. These surfaces are obstacles that can introduce major losses both by absorption and by reflection, as is evident from what happens with an ordinary glass window. When light falls at right angles on such a window, about 4 percent of the energy is reflected back to the source by each of the window's two surfaces. A lesser amount is also absorbed, being transformed into heat by the glass. In an imperfectly aligned window of the laser these losses combine to reduce the intensity of a ray more than 16 percent in the course of a single pass, more than is gained from the stimulated emission. Perfect alignment of a laser window is impossible.


Figure 2: Details of the laser tube assembly

The inventors of the gas laser at the Bell Telephone Laboratories found a solution for the problem of reflection losses in the century-old work of Sir David Brewster, the Scottish physicist who discovered that light is strongly polarized when it falls at a certain critical angle on a sheet of glass or some other transparent medium, and that no reflection occurs in the case of light waves so polarized that they vibrate only in the plane of incidence. The effect is observed when the tangent of the angle between the surface of the window and a line drawn perpendicularly to the rays equals the refractive index of the glass.

To cope with the second source of loss at the laser windows-the conversion of light into heat-the designers simply substituted quartz for glass. At a wavelength of 6,328 angstrom units, which is the wavelength of the light in a helium-neon laser, the heat loss in quartz is slight compared with that in glass. The refractive index of quartz is 1.54, equivalent to an angle of 57 degrees. Quartz plates installed in the laser at this angle are called Brewster windows. If the Brewster windows at each end of the laser envelope are in the same plane of polarization, the transmission of light through the assembly approaches 100 percent.

The designers found an equally ingenious solution for the problem of losses at the mirrors. Freshly silvered glass reflects as much as 96 percent of the incident light, but as the metal film tarnishes in the atmosphere its performance falls sharply. Aluminum, the next best metallic coating, reflects at most only 92 percent of the incident light.


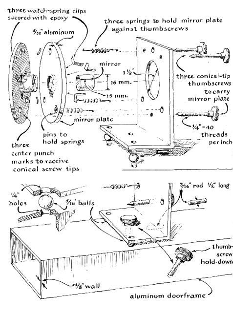
Figure 3: Parts and arrangement of fixture to support mirror cell

To achieve higher performance the designers of the laser abandoned conventional reflectors in favor of dielectric mirrors, which are mirrors coated with several nonconducting films. For high efficiency such mirrors depend on interference among the light waves reflected by the multilayered films, which are composed of transparent substances such as sulfides and fluorides. The films can be designed either to suppress reflection, as they do in the familiar coating on the lenses of cameras, or to enhance it. If the refractive index of a transparent film a quarter of a light wave thick is lower than that of the glass on which it is deposited, a wave of light reflected by the glass arrives at the surface of the film 180 degrees out of step with a wave reflected by the film. The crest of one wave falls in step with the trough of the other and the two cancel. If the refractive index of the film is higher than that of the glass, the crests and troughs of the two combine to increase the reflectivity.

A second film of lower refractive index than the glass, when applied over the first film, reflects waves of opposite phase with respect to those reflected from the glass. The second film is located a full half-wavelength away from the glass, however, which precisely compensates for the difference in phase. The waves therefore again interfere constructively to increase the reflectivity. The application of a third film reduces the reflectivity somewhat but its effect is more than compensated by the fourth film, and so on. The dielectric mirrors used in lasers employ between 13 and 27 films, and the reflectivity of such a mirror approaches 100 percent. Incidentally, the manufacture of dielectric mirrors requires facilities and techniques that are normally beyond the reach of amateurs. These components, like the gas mixture for the laser, must be bought. A list of suppliers appears at the end of this article.

When the combined losses have been minimized by suitable techniques, the intensity of the reverberating light increases, but not without limit. The growing electromagnetic field between the mirrors interferes increasingly with the number of excited atoms that respond to the influence of the field and so are stimulated to emit energy. A delicate balance is eventually achieved between the losses and the gain. At this point energy gained by stimulated emission precisely equals the combined losses, including the portion that escapes from the apparatus in the output beams.


Figure 4: The getter-electrode assembly

In addition to these losses, a falling off in gain can occur inside the tube assembly. The assembly consists of a glass envelope that supports the windows, a pair of electrodes and the plasma tube- a slender tube of small bore in which the discharge occurs. Internal losses become serious if the helium-neon mixture is contaminated by even a trace of foreign gases such as oxygen, nitrogen and carbon dioxide, or if the pressure of the gas is not maintained within certain limits. The problem of contamination is met largely by removing from the tube all unwanted gases and all substances that can release vapors. The inner parts of the device must be immaculate. Even the faintest smudge from a fingertip can release an astonishing amount of vapor The clean tube is partly cleared of unwanted gases by the vacuum pumps. It is evacuated to a pressure of at least 10-5 torr. (A torr is the pressure that will support a column of mercury one millimeter in height.) The remaining contamination is then immobilized by firing a "getter," an electrically heated crucible inside the tube from which vaporized barium condenses on the glass walls. The barium unites chemically with most elements other than the inert gases.

The optimum pressure at which stimulated emission occurs varies inversely with the diameter of the gas-discharge tube. The pressure in torrs is equal to 3.6 divided by the inside diameter of the tube in millimeters. The laser will continue to operate at diminishing intensity up to about twice the optimum pressure and down to about half of it. Advantage is taken of this fact to extend the service life of laser tubes by overfilling them by 50 percent, because for reasons not fully understood the gas pressure drops slowly as the laser operates. Lasers will operate best on gas ratios of seven parts of helium to one of neon, but the tubes can be filled with a nine-to-one mixture.


Figure 5: Miter box for sawing glass at the Brewster angle

The range of tube diameters that can be used in the laser is restricted by the nature of ionized gas and by mechanical considerations. At pressures much lower than .5 torr the electrons acquire enough energy to damage the glass envelope by impact and to erode the electrodes. The metal vaporized in this way condenses on the envelope and in the process buries gas atoms, lowering the pressure still more. Thus a runaway effect develops that causes the tube to fail. An envelope that contains a plasma tube six millimeters in diameter ought to be filled, according to the formula given above, to a pressure of 3.6/6, or .6 torr. With a laser of the type I built the life of a tube filled to this marginal pressure would be impractically short. I use a plasma tube with a diameter of two millimeters, and I overfill it to a pressure of 2.7 torrs. Tube diameters of less than about one millimeter become awkward to align and have other drawbacks.

In general the output of a laser increases in proportion to the product of the length times the diameter of the plasma tube. This suggests that long tubes are more powerful than short ones. Again there is a catch. Short tubes operate readily at 6,328 angstroms, whereas those a meter or more in length tend to function in the infrared region instead of in the visible part of the spectrum. I am told that long tubes can be forced to work in the visible range by the strategic placement of magnets along the tube, but I have not tried the experiment. Tubes ranging from 15 to 40 centimeters in length appear to work quite adequately in the visible region. Mine measures 34 centimeters.

The mirror system functions somewhat like a resonator. It can consist of various combinations of spherical and flat mirrors. A system that is easy to adjust and to maintain in adjustment employs a pair of facing spherical mirrors separated by slightly less than one radius. My mirrors were figured to a radius of 60 centimeters. The spherical surfaces have a separation of 57.5 centimeters. The mirrors are mounted in easily adjustable cells supported by fixtures that can be removed and returned to the base without disturbing the alignment of the mirrors with respect to the axis of the tube. All essential dimensions of the laser's hardware, of the light projector used for aligning the mirrors and of the miter box for sawing the envelope at the Brewster angle are specified in the accompanying illustrations. Alternate design schemes are possible and perhaps desirable. The reader is encouraged to improvise.


Figure 6: Schematic arrangement of system for metering gas

Gas lasers can be energized by alternating current of either high or low frequency and by direct current. The direct-current types that employ heated electrodes have a long service life. Making the heated electrodes, however, is an intricate job that I am reluctant to undertake now. My laser is equipped with cold electrodes made of aluminum in the form of small cylinders and is energized by a conventional neon-sign transformer of the constant-current type. The primary voltage is controlled by a Variac, a variable-voltage transformer. When power is applied to the primary of the neon-sign transformer, the secondary winding maintains 18 milliamperes through the load at a maximum potential of 9,000 volts. Experiment demonstrated that the laser beam reaches maximum intensity when 85 volts is applied to the primary of the neon-sign transformer.

I began building the laser by making the getter-electrode assemblies. The getter is a small metallic trough, filled with barium, that is connected at the ends to a loop of wire. When it is installed inside an evacuated glass envelope, the loop can be coupled to a high-frequency electromagnetic field and heated by induced current to vaporize the barium. That is the conventional procedure. I do not own an induction-heating apparatus of this type, so I cut the loops of two getters, spliced the pair in series by means of a pigtail joint and hooked a pair of Dumet leads to the free ends: as shown in the accompanying illustration [Figure 4]. Dumet is a special alloy wire that seals readily to soft glass. I fire the getters by hooking the .Dumet leads to a six-volt transformer that is energized through the Variac. The assembly becomes red-hot when a potential of about two volts is applied to the leads and yellow-hot at three volts. At that temperature the barium vaporizes and condenses in the form of a dime-sized black film on the glass surface of the evacuated tube. The pair of getters draws seven amperes at three volts. I apply the heating current slowIy, allow about a minute for the temperature to rise to yellow heat and then switch off the power promptly when the film of condensed barium becomes almost opaque. The units contain enough barium for about five such firings. It is easy to make the mistake of increasing the power too quickly and exploding the wire.

The pigtail splice between the two getters serves as the support for the cylindlical electrode: a ribbon of clean aluminum foil in the form of a single, slightly overlapped turn. I make it by winding the foil around the end of a six-millimeter glass rod. One end of the resulting cylinder is then twisted around he getter pigtail. Before touching the getters and foil thoroughly clean your hands, as well as any tools, with carbon tetrachloride. Take the foil from the inside of a new roll.


Figure 7: Light projector for aligning the laser mirrors

The getter-electrode assemblies are installed in two short lengths of glass tubing that become side arms of the glass envelope. One side arm is equipped with a smaller tube for exhausting and backfilling the envelope. I then flare the ends of the plasma tube alternately by blowing a small bulb on one end, exploding the softened bulb and shrinking its circular edge in the fire until, by trial and error, the flared end fits the inside of the envelope to within a half-millimeter, or closer if possible. A dimple is next sucked in the envelope as a stop for the plasma tube. The outside of the plasma tube is cleaned with fuming nitric acid, rinsed with distilled water, dried in the flame and slipped into the envelope against the dimple stop. The second dimple is then made in the envelope to secure the tube loosely. Next the side arms containing the getter-electrode assemblies are joined to the envelope. Incidentally, if you have the glasswork made commercially, you will miss a lot of fun. Working with hot glass, particularly in the case of simple apparatus such as this, is not nearly so difficult as is commonly supposed. I discussed glassblowing in this department in May.

The glass construction is completed by sawing the ends of the tube at the Brewster angle. If you have access to a diamond saw equipped with an accurate fence, the job will take about three minutes. If not, build the miter box shown in the bottom illustration in Figure 5. With this device the cuts will require about 10 minutes each. Keep plenty of abrasive slurry on the copper blade, let the weight of the saw do the work, use about 60 strokes a minute and take it easy as the saw cuts through the glass. Before making the cuts, plug the ends of the tube with wads of clean absorbent cotton and cement the glass to the right-angled aluminum holder.

The cut ends must be lapped to make a vacuum-tight fit with the Brewster windows. Begin the lapping operation with approximately 400-mesh grit, either Alundum or Carborundum, using a twoinch square of quarter-inch plate glass as the tool. When the pits that were made in the glass by the saw have almost disappeared, shift to 600-mesh grit and continue lapping until pits left by the 400-mesh grit have almost disappeared. Examine the work through a magnifying glass. The size and number of the remaining pits indicate where the glass is being removed and by how much. If pits disappear slower at one point than at another, exert more grinding pressure on the plate glass above that region. The idea is to remove glass evenly over the entire area of the cut end, thus preserving the Brewster angle. The job requires about 20 minutes. When the lapping is finished, remove the tube from the fixture by warming the pitch that serves as cement. Take out the cotton wads. Clean the soiled inner ends of the envelope with a swab of cotton moistened first with acetone and then with distilled water. Dry the cleaned ends in a gas flame. Remove the pitch with turpentine.


Figure 8: Images during mirror alignment

To install the Brewster windows clamp the tube in an apparatus stand or a comparable fixture, connect the sidearm tubing to the mechanical pump of the vacuum system and start the pump. Simultaneously place the cleaned Brewster windows flat against the cut ends. Suction will hold them in place. Using a toothpick as a spatula, apply a thin layer of Torr Seal epoxy cement to the exterior of the joint between the windows and the tube ends. (Torr Seal is manufactured by Varian Associates, Palo Alto, Calif.) Watch the inner surface of the windows carefully for any trace of vapor from the cement that may be sucked into the tube. If the least trace of vapor appears, the lapping job is defective and must be corrected. No cement should seep through the joint. The curing time of the cement can be shortened by applying heat to the joints by means of a pair of 150-watt incandescent lamps placed about 15 centimeters away. Recommended curing temperatures are specified on the package by the manufacturer. When the joints have cured, apply a coat of Dow Corning 306A silicone resin over the cement, all glass joints and the Dumet seals.

Next fire up your vacuum system and connect the tube. The system should be equipped with at least two manometers: one a closed-end mercury type and the other a conventional manometer half-filled with high-grade oil of the kind used in a diffusion vacuum pump. Scales for the manometers can be made of graph paper calibrated in millimeters [Figure 6]. The oil manometer acts as a vernier gauge, the pressure readings in millimeters being converted to torrs by dividing the specific gravity of mercury (approximately 13.5) by the specific gravity of the oil and then dividing the difference in the height of the oil in the two arms of the manometer, in millimeters, by the quotient. For example, if the ratio of the specific gravity of the mercury to that of the oil is 16, a manometer reading of 32 millimeters-the difference in the height of the oil in the two arms- indicates a pressure of 32/16, or 2 torrs. You can find the specific gravity of the oil with sufficient accuracy by weighing 10 milliliters and dividing the weight (in grams) by 10.

Your vacuum system should also contain a McLeod gauge, primarily for ensuring that the system pumps to the required 10-5 torr. If you do not own a vacuum system, you may be interested in building the inexpensive one described in the Scientific American Book of Projects for the Amateur Scientist (published by Simon and Schuster in 1960).

My system uses a two-stage mercury jet pump. For valves the system has inexpensive glass stopcocks. I lapped them with 600-mesh grit to make a vacuum-tight fit and lubricated the stoppers with a thin film of high-vacuum grease. One stopper was modified to function as a leak valve for admitting the required minute volume of helium neon gas to the laser tube. Deep scratches about six millimeters long that tapered upward to the surface were cut counterclockwise from each end of the hole in the stopper. The tips of the scratches conduct gas at a convenient rate when they engage the openings of the barrel.

You will receive the helium-neon gas in an all-glass container. The outlet tube contains an easily broken seal. To tap the supply clamp the flask temporarily to a support, with the tube pointing downward. Insert a loosely fitting glass marble or a short length of heavy glass rod in the tube, join the leak valve to the tube with Apiezon "C" wax and connect the valve to the vacuum system by 50 centimeters or so of copper capillary of the type used in the thermostats of gas stoves. Open the leak valve fully and exhaust the tube to 10-5 torr, or lower if possible. Then close the valve and invert the flask quickly so that the marble falls and breaks the tip of the $2 seal.

The laser tube is next exhausted, cleaned by discharge bombardment, filled to the required pressure and sealed off. For support the tube can be assembled to the base, in which case the laser can be tested before the seal-off.

Pump the tube down to 10-5 torr or lower, then backfill with helium-neon to a pressure of approximately 5 torrs. Connect and switch on the 9,000-volt transformer. The tube will fill with colored plasma-reds, greens, blues-and may get quite hot, on the order of 100 degrees centigrade or more. After five minutes switch off the power, repump the tube and repeat the cycle. Continue the procedure until the reddish color predominates, tinged only slightly by blue. This may require four but probably not more than six cycles. Before pumping down at the end of the last bombardment heat the getters to dull red. The tube should be positioned so that both getter assemblies are suspended vertically by their leads, otherwise they may sag enough to touch the glass when heat softens the metal. After about three minutes advance the Variac gradually to fire the getters. Watch the glass wall adjacent to the getter assembly as the temperature of the metal approaches yellow heat. A sooty film will appear. As the film reaches opaqueness switch off the power. Having pumped down, refill the tube to a pressure of not more than 2.7 torrs (assuming a plasma tube of two-millimeter bore). Energize the tube again. The plasma should now appear solid reddish-orange. When placed between a pair of properly adjusted mirrors, the tube will now function.

To adjust the mirrors, first remove either of the cell fixtures from the base and replace it with the light projector. Adjust the lens of the projector until the image of the filament is in focus on the front surface of the distant mirror. Then, using your hand as a screen at the near end of the base, locate the beam reflected by the mirror and adjust the cell to center the beam on the distant end of the plasma tube. Look through the projector's beam splitter (the microscope slide) into the bore of the plasma tube; in the center of the glare that is reflected by the inner wall you may observe a minute disk of light that resembles the full moon surrounded by a thin, dark ring. The "moon" is the reflection of scattered light from the projector. Adjust the cell in any direction that causes the disk to brighten. Ultimately it will become dazzling as the reflected image of the filament comes into view [see illustration at left]. This completes the adjustment of the first mirror. Remove the adjusted cell fixture carefully and similarly adjust the second one. When both adjusted mirrors have been assembled to the base, connect the neon-sign transformer to the tube and switch on the power. Usually it is now necessary to "fiddle with the screws." Just rock the adjustment screws back and forth a degree or so, one after the other. Suddenly the beam will appear-you have a laser! Seal off the tube.

The beam, when it is directed against a screen, will doubtless appear in the form of a symmetrical pattern of dazzling red spots-perhaps only a pair, maybe a rosette of eight spots or some other geometric design. The pattern can be greatly altered and perhaps intensified simply by fiddling with the adjustment screws. Each pattern of spots results from a unique set of paths taken by rays that oscillate between the mirrors. The various patterns of vibration are known as "modes." Observe too the scintillating granularity of the light. According to E. I. Gordon, a physicist at the Bell Telephone Laboratories, this striking effect actually arises in the eye or any other image-forming device, such as a camera. Each dazzling speck, he explains, marks a point of constructive interference between coherent diffraction patterns, the size of the point is determined by the diameter of the pupil. Phenomena such as the granularity suggest many fascinating experiments that can be made with laser light. Some will be discussed from time to time in this department.

Now, a word of warning: The laser is a hazardous apparatus. Never look directly into the beam. Coherent light of this intensity can damage the retina permanently and may even cause blindness. When other people are in the room, block off all beams at points close to the apparatus: the two beams from the ends and the remaining four of lesser intensity that come off the Brewster windows. The 9,000-volt output of the neon-sign transformer is lethal. Insulate the full length of the leads with abutting pieces of glass tubing. Never touch the terminals of the laser when the transformer is plugged into the power line even if you are certain that the switch is off.

Parts and materials for constructing the laser can be procured from the following suppliers:

Perkin-Elmer Corporation, Electro-Optical Division, Norwalk, Conn. To encourage student experimentation in optics this firm has developed special dielectric mirrors of adequate quality for apparatus of the type described in this article.

Edmund Scientific Co., Barrington, N.J. This organization stocks lenses and related materials.

Morris and Lee, 1685 Elmwood Avenue, Buffalo, N.Y. 14207. Air pumps, pressure gauges, valves and accessories for vacuum systems are made specially for amateurs by this organization.

Henry Prescott, Main Street, Northfield, Mass. This supplier specializes in all materials required for constructing and experimenting with the laser, including dielectric mirrors, vacuum systems, helium-neon gas, glass components, getters and related essentials.

 

Bibliography

THE LASER. A. Yariv and J. P. Gordon in Proceedings of the IEEE, Vol. 51, No. 1, pages 4-29; January, 1963.

OPTICAL MASERS. Arthur L. Schawlow in Scientific American, Vol. 204, No. 6, pages 52-61; June, 1961.

PROCEDURES IN EXPERIMENTAL PHYSICS. John Strong, Roger Hayward, H. Victor Neher, Albert E. Whitford and C. Hawley Cartwright. Prentice-Hall, Inc., 1938.

 

Suppliers and Organizations

The Society for Amateur Scientists (SAS) is a nonprofit research and educational organization dedicated to helping people enrich their lives by following their passion to take part in scientific adventures of all kinds.

The Society for Amateur Scientists
5600 Post Road, #114-341
East Greenwich, RI 02818
Phone: 1-401-823-7800

Internet: http://www.sas.org/




At Surplus Shed, you'll find optical components such as lenses, prisms, mirrors, beamsplitters, achromats, optical flats, lens and mirror blanks, and unique optical pieces. In addition, there are borescopes, boresights, microscopes, telescopes, aerial cameras, filters, electronic test equipment, and other optical and electronic stuff. All available at a fraction of the original cost.

SURPLUS SHED
407 U.S. Route 222
Blandon, PA 19510 USA
Phone/fax : 610-926-9226
Phone/fax toll free: 877-7SURPLUS (877-778-7758)
E-Mail: surplushed@aol.com
Web Site: http://www.SurplusShed.com