Cost: $100+
About These Ratings
Difficulty: Advanced; special skills needed. Danger 3: (Serious injury possible) Utility: This project is based on obsolete technology.

------------------------

On Constructing High-Speed Cameras for Photographing Fleeting Events

---------------------

by C. L. Stong
July, 1964

---------------------


Figure 1: Schematic arrangement of a spark camera

TO OBSERVE FLEETING PHENOMENA such as explosions, shock waves and the flight of bullets, an experimenter must supplement his visual perception in some manner, as with an ultrahigh-speed camera. The kind of apparatus depends on the subject to be observed, the speed at which the event occurs, the quantity of information desired and the amount the experimenter wishes to pay. If the object is self-luminous, as in the case of a wire exploded by an intense pulse of electric current, the camera must be equipped with a high-speed shutter for isolating the interval of interest; nonluminous subjects can be lighted by an appropriately timed flash. The camera may or may not require a lens. For example, a lens would be unnecessary if the experimenter used a silhouette technique, in which a shadow falls on light-sensitive film; such a technique might be used for obtaining information about the flight of a bullet.


Figure 2: Bullet approaching and striking an ice cube

In short, the basic design of the camera is dictated by the nature of the problem. Thus an amateur seldom builds a high-speed camera until he has the specific details of a problem clearly in mind. Woody Gannaway, a student at Arkansas Polytechnic College, is an exception. Two years ago he set out to explore high-speed photography as an end in itself. He is currently working on an apparatus that will take a picture in about a ten-thousandth of the time required for the fastest mechanical shutter to click.

"My interest in high-speed photography," writes Gannaway, "began when I read an article in 'The Amateur Scientist' [November, 1957] about high-intensity underwater sparks. At the time I was active in an amateur rocket club and on the lookout for a method of photographing rocket exhaust gases. The article described a camera equipped with a Kerr-cell shutter-a high-speed device that briefly rotates the plane of a beam of polarized light so that the light will pass through a- filter that normally stops it-to photograph the explosion of a small wire used for initiating the spark. It seemed to me that the apparatus could be modified easily for observing the rocket gases. Accordingly I spent the summer collecting parts and assembling my apparatus. By August I had taken my first photograph at a speed of 20 microseconds. The technique proved so engrossing that the design and construction of high-speed cameras became my sole hobby. I have not yet found the time to make a picture of a rocket exhaust and it appears unlikely that I ever shall.


Figure 3: Details of the guided-spark unit

"Before venturing into the construction of a shutter I experimented with electronic flash sources, primarily because a flash of short duration is easier to contrive than a shutter of comparable speed. The ordinary electronic flash sold by dealers in photographic supplies operates no faster than about a ten-thousandth of a second. By appropriate modifications I increased the speed of comparable apparatus to 20 microseconds. For a test subject I used a model-airplane propeller that was turned at the rate of 100 revolutions per second by a motor from a sewing machine.

"The speed at which a gas-discharge lamp of this type flashes is governed in general by the electrical resistance and inductance of the circuit, by the size and quality of the capacitor that supplies energy to the lamp and by the electric potential to which the capacitor is charged. For the shortest flash one must minimize resistance, inductance and capacitance and use the maximum voltage the circuit can tolerate. Both resistance and inductance are minimized by the use of short, heavy, ribbon-shaped conductors for connecting the capacitor to the lamp. Through these procedures I succeeded during the following winter in reducing the flash interval to about one microsecond. I made pictures of .22-caliber rifle bullets shattering ice cubes.


Figure 4: A spark-gap trigger circuit shown schematically

"Subsequently I built an apparatus for producing intense flashes of light by a spark discharge. I also made a number of Kerr cells. Such cells have been operated at intervals as short as five nanoseconds (five billionths of a second). The best of mine had a top speed of 10 nanoseconds. In 10 nanoseconds a wave of light in a vacuum is able to travel approximately 10 feet.

"The first tool the beginner in high-speed photography should construct is a 'shorting stick': a strip of dry, varnished wood some 36 inches long with a strip of metal at one end to which is connected a wire terminating in a large alligator clip. The tool is used for discharging capacitors. The alligator clip is connected to a ground, and the experimenter, grasping the wooden handle, touches the metal strip to the 'hot' terminal of the capacitor. Never touch the terminals of a high-voltage capacitor until it has been discharged.

"The three basic systems I shall describe have certain elements in common. In each system the energy that creates the flash or operates the shutter is in the form of a high-voltage charge stored in a capacitor. Energy for charging the capacitor is drawn from a power supply: a transformer equipped with a rectifier for converting alternating current to direct current. The discharge of the capacitor is controlled by a triggering apparatus that can be operated manually but in most experiments is automatically actuated by the event being photographed. To make a picture of a bullet in flight, for example, a microphone that picks up the sound of the shot can trigger the camera.


Figure 5: A method of arranging a Kerr-cell shutter

"My first system, the one that operated at the 20-microsecond exposure rate, was equipped with a power supply that delivered 6,500 volts through a 4.7megohm resistor to a two-microfarad capacitor that was rated at 7,500 volts maximum. To keep the cost of materials down I rectified only half of the alternating-current cycle. Design formulas for the construction of power supplies can be found in the Radio Amateur's Handbook, published by the American Radio Relay League and available from most dealers in amateur-radio supplies. The capacitor of this system was discharged through a manual circuit breaker into a Sylvania Type 1073 (now R4330) flash tube. I operated the circuit breaker, a surplus item, by means of a handle insulated with 10 layers of inner tubing. The flash tube is designed for 2,000 volts between the anode and the cathode; it will flash when 10,000 volts is applied between a trigger terminal and the anode. I applied a single, 6,500-volt pulse directly to the anode and cathode. Accordingly the tube fired without trigger excitation. This tube, as well as the comparable Type VVX-1, is designed to dissipate 200 watt-seconds of energy.


Figure 6: Details of a Kerr cell

"The total energy available for the flash depends on both the capacity and the voltage. The relation is expressed by the formula Ws = CV2/2, where the energy in watt-seconds (Ws) is equal to half the product of the capacity, in microfarads, multiplied by the square of the voltage (V), in kilovolts.

"In these tubes the glass helix-the part containing the gas in which the discharge occurs-is protected by a heavy glass envelope. For triggering the discharge a short length of wire is wrapped around the middle of the helix. High voltage applied between the trigger wire and an electrode at the end of the helix ionizes the gas and creates a conductive path through the tube. I have yet to find a flash tube with an adequate wrapping of trigger wire. For this reason, and to provide additional cooling for the helix, I break the protective envelope by wrapping a rag around it and gently hammering the end opposite the base until the outer glass breaks. I then add a half-dozen turns of trigger wire to the helix. Occasionally in this process the ceramic base of a tube cracks; I patch it with epoxy cement.


Figure 7: A Kerr-cell trigger circuit shown schematically

"Switches for operating the trigger circuit can take a variety of forms, depending on the event to be photographed. Eventually I substituted a high-voltage relay for the circuit breaker. The contacts closed and triggered the flash when current was applied to the relay coil. I used the relay for making my first pictures of a speeding bullet. To actuate the relay I connected its control coil to the power through a special switch made of two sheets of heavy aluminum foil separated by 1/8-inch plastic tape. The foil sandwich was set at a right angle to the path of the bullet. The electrical path through the switch was completed when the bullet punctured the sandwich, connected the two- sheets of foil and energized the relay. The inertia of the relay introduced a time delay, initiating the flash an instant after the bullet penetrated the foil switch. I tried to use the switch directly in the high-voltage discharge circuit, but the experiment did not work because the flash occurred before the bullet had time to move into the field of view.

"My power supplies all employ Type 3013 or 8020 high-voltage diode vacuum tubes as rectifiers. The Type 8013 is rated at 2.5 volts, five amperes filament current and an average plate current of 20 milliamperes at a peak inverse potential of 40,000 volts. The 8020 is rated at five volts, six amperes filament current and an average plate current of 100 milliamperes at a peak inverse potential of 40,000 volts. The plates are designed for overloads during short pulses of seven times the continuous load. The tubes are costly if bought new but they can be picked up on the surplus market at present for about $4 each. My high-voltage transformers and capacitors are also surplus items.


Figure 8: Arrangement of the spark trigger stiwch

"My second system involved shadowgraph photography. For the spark gap needed in that technique I used a discarded Type 724B vacuum tube with the end filed off to admit air. These tubes make ideal spark gaps because the electrodes are properly spaced and consist of metal that resists erosion. They can be bought as surplus items at reasonable cost. It is doubtless possible to improvise an adequate spark gap from almost any metal, but the intense sparks may alter the width of the gap and necessitate frequent adjustment. The electrodes should be spaced about .05 inch apart. I energized the gap with a .l-microfarad capacitor charged to 15,000 volts, and I triggered the discharge by means of an electronic circuit that will be described below.

"The optical system for making shadowgraphs consists of the spark, a wideaperture lens and the camera. Objects close to the wide-aperture lens cast sharp shadows on the film when the lens of the camera is properly focused. I used an inexpensive wide-aperture lens of the Fresnel type, obtained from the Edmund Scientific Co. of Barrington, N.J. The spark gap was mounted on the wall. The Fresnel lens was supported by a wooden frame in a position such that its optical axis passed through the center of the spark gap. It was spaced from the spark gap a clistance equal to twice its focal length. The lens of the camera was located on the other side of the Fresnel lens, as shown in the accompanying illustration [Figure 1]. Assuming a to be the distance from the spark gap to the Fresnel lens and b the distance from the lens of the camera to the Fresnel lens, the elements are properly spaced when they satisfy the formula l/f = 1/a + l/b, where f is the focal length of the Fresnel lens. The magnification is b/a. A single-lens reflex camera is ideal for work of this type. I use an old four-by-five-inch Crown Graphic bought for $15. For the best shadowgraph pictures the camera must be moved slightly inside distance b and a little to one side so that the iris diaphragm cuts just inside the cone of light projected by the Fresnel lens. The lens of the camera i9 then adjusted in such a way that an object close to the side of the Fresnel lens toward the camera is focused sharply on the ground glass.


Figure 9: An exploding wire photographed with a Kerr-cell shutter

"To align the optical system I hold one hand with fingers spread slightly apart in front of the camera lens. The flash, when triggered in the dark room, appears on my hand as a disk of light. Using the disk as a guide, I then adjust the position of the camera so that the cone of rays falls on the edge of the iris of the camera lens.

"Both the camera lens and the Fresnel lens must make right angles with the optical axis. When they are in proper adjustment, the Fresnel lens projects a uniformly lighted image on the ground glass. To make the adjustment I simply orient the elements in sequence until the image is evenly lighted. I used a four-watt-second capacitor when making photographs of bullets and ASA 400 film, which I develop to high contrast. The opening of the iris varies from f/16 to f/22.

"The gun is clamped securely at several points. A box filled with damp sand to receive the spent bullet serves as the target just beyond the field of view. The amplified pulse from the microphone that picks up the sound of the shot operates the electronic trigger. The time at which the flash is triggered in relation to the instant at which the gun is fired can be varied by altering the distance between the microphone and the muzzle of the gun. The position the microphone should occupy must be determined by experiment.

"When all is in readiness, the photograph is made by pulling the trigger of the gun. It is assumed that the experimenter will observe all the traditional precautions when handling firearms. The accompanying photographs [Figure 2] show a .22-caliber rifle bullet approaching from the right and crashing into an ice cube. The photographs were made by the system described at a flash speed of 1 1/4 microseconds.


Figure 10: Spark crossing a gap in a 10-nanosecond exposure

"I next built a version of the guided-spark unit that was developed by Harold E. Edgerton of the Massachusetts Institute of Technology. In. this apparatus [Figure 3] the path of the spark is confined to a slender glass tube. All but a small portion of the spark is masked; hence it acts somewhat as a point source and improves the sharpness of shadows with respect to those made with an open spark gap. The parts are mounted on an opaque base of sheet plastic two inches wide, six inches long and 1/8 inch thick. On one side of the base I mounted a glass tube with an inside diameter of two millimeters and an outside diameter of seven millimeters, about five inches long. The glass was attached to the phenolic plastic by epoxy cement; it can also be held by rubber bands. A bare wire for triggering the spark runs through the tube to within half an inch of one end. Another wire, secured by a clamp, runs parallel to and in contact with the outside of the tube. The position of the outer wire can be altered by releasing the clamp. A metal plate about 3/4 inch wide and 1 1/2 inches long is cemented to the underside of the base near the end of the trigger wire. A hole some 3/32 inch in diameter is drilled through the center of the metal plate and the base so that its axis intersects that of the glass tube on the upper side of the base. This hole serves as the aperture for transmitting light from the spark. The metal plate connects to the negative terminal of the capacitor. The adjustable wire adjacent to the glass tube connects to the positive terminal of the capacitor. The guided spark produces photographs of splendid resolution.

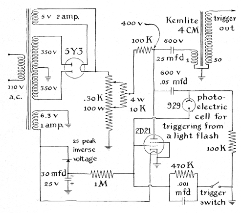
"Pulse sources of 15,000 volts and higher are used for triggering spark gaps and flash tubes. Ordinary induction coils of the type used in automobile ignition systems work well as trigger coils. The primary winding of the coil is connected through a set of breaker points and the associated capacitor to an appropriate source of power such as a storage battery. When the breaker points operate to send a pulse of direct current through the primary winding, inductive reaction causes a pulse of high voltage to appear across the secondary winding. In the electronic trigger system I substitute a thyratron tube for the breaker points; The tube acts as a direct-current switch. When its grid is grounded by the operation of a push button, or is grounded in effect by a pulse of energy from some other source, the stored charge in a capacitor associated with the plate circuit of the thyratron discharges through the primary of the induction coil and initiates the high-voltage triggering pulse, as indicated by the accompanying wiring diagram [Figure 4]. I use either of two types of thyratron tube, a 2D21 for pulsing the primary of a specially designed induction coil at 400 volts or the Type 2050W for exciting a similar coil at 800 volts. The higher voltage is used for operating Kerr cells.

"Theoretically the Kerr cell is capable of operating within an interval of .1 nanosecond. The central element of the cell is a small glass box filled with a special transparent fluid and fitted with two or more electrodes [see Figure 6]. When there is an electric field between the electrodes, the fluid rotates the directions in which waves of light traversing the cell vibrate. If the cell is sandwiched between a pair of plastic polarizing sheets that restrict the vibration of light to a single plane and the orientation of the sheets is crossed so that the permitted planes of vibration are at right angles, minimum light transmission occurs because light entering the assembly through one sheet cannot penetrate the other. An appropriate electric field applied to the electrodes causes the fluid in the cell to rotate the plane of the incoming light 90 degrees. The waves can then pass through the second sheet of polarizing material.

"The cell transmits light as long as the electric field is maintained across the electrodes. In effect, the electric potential opens the 'shutter.' The relation between the voltage required to rotate the axis of polarization 90 degrees and the arbitrary variables of the cell is VO = 300d(1/2Lk)1/2 where VO is the required potential in volts, d the spacing between the plates in centimeters, L the length of the light path under the influence of the electric field in centimeters and k the Kerr constant of the fluid in the cell. Nitrobenzene, a yellowish fluid, is most often used in Kerr cells. The Kerr constant of nitrobenzene is .00004 electrostatic units.

"Nitrobenzene is a deadly poison, both in the form of liquid and in that of vapor. The fluid is readily absorbed by the skin and can seriously damage the blood even when it is absorbed in minute amounts. Nitrobenzene is also a vigorous solvent; before the advent of epoxy cements Kerr cells were commonly made of one piece of glass because nitrobenzene dissolves most cements. I used Borden's epoxy cement successfully to assemble a cell.

"I equipped some of my cells with three electrodes and others with four, connected as alternate pairs. In the case of the three-electrode arrangement the outer plates are strapped together. The copper plates can be an inch long and 3/4 inch wide and are spaced 1/4 inch apart. My cells were equipped with Type HN-22 linear polarizers. Two sheets of the material crossed at 90 degrees transmit only about a millionth of the incident light. When both sheets are in the same plane of polarization, the transmission increases to about 12 percent. The Type HN-32 linear polarizer can also be used. It has a crossed transmission of about one part in 100,000 and an open transmission of about one in four. My polarizers were obtained from Burke and James, Inc., 321 South Wabash Avenue, Chicago, Ill. 60604.

"For protection the polarizing sheets were sandwiched between glass slides of the type used for 35-millimeter color photographs. I taped one slide to the Kerr cell with its plane of polarization set at 45 degrees from the vertical. The second slide fits into a rotatable holder supported by the lens barrel of the camera. I rotate this slide from maximum light transmission through the Kerr cell when focusing the camera. Then, before making a picture, I direct the beam of a 35-millimeter slide projector through the cell and adjust the rotatable holder for minimum light transmission. The cell is supported close to the camera lens by a pair of sturdy metal supports that extend from the lens board of the camera. To mount the collimating lens on the other side of the cell I use the front assembly from another Crown Graphic. This fits the track of the camera and simplifies the alignment and spacing of the lenses.

"In addition to the electronic trigger, the circuit that operates the Kerr cell contains an electrical network for delivering a properly proportioned and appropriately delayed pulse of high voltage to the electrodes of the cell, together with a spark gap that acts as a triggering switch in the high-voltage circuit. The pulse-forming network consists of a length of coaxial cable. It transmits a pulse equal in amplitude to the changing voltage. The unit is assembled as shown [see Figure 7].

"The spark-gap switch connects between the center of the braided outer conductor and the ground. The electrical characteristics of the coaxial cable I use are such that the speed at which an electric pulse would travel in a vacuum is retarded by one nanosecond per eight inches of cable. For a 10-nanosecond pulse the coaxial cable of the pulse-forming network was made 80 inches long. The cable was bought as a surplus item and has no markings, but its characteristic impedance is 54 ohms. The length of an output pulse conducted by the cable is equal to the electrical length of the line. The open time of the Kerr cell is about half the time of the applied electric pulse.

"The terminating resistor of the network must dissipate part of the 15,000-volt pulse. In the case of my apparatus the resistor, which must approximate the characteristic impedance of the coaxial cable, was assembled from three 17-ohm, two-watt carbon resistors connected in series. The assembly was placed in a plastic container and immersed in molten sulfur.

"To tell if the circuit is working I connect a small neon bulb in series with a four-megohm resistor and hook the combination in parallel with the cell. If the neon lamp flashes in the darkened room, I know that the cell has been pulsed.

"The Kerr cell is a notoriously inefficient shutter. The minute amount of light available during the brief interval of exposure is further reduced by losses in the nitrobenzene and polarizers. For this reason I used Royal-X (Kodak) film processed in Acufine developer for twice the recommended development time. It is relatively easy with this apparatus to make enlarged photographs of such events as the explosion of a fine wire subjected to an intense current pulse. The accompanying photograph [see Figure 9] shows the point reached in the explosion of a 3/4-inch length of wire during a 10-nanosecond interval some 80 nanoseconds after the high-current pulse was applied to the wire. The second photograph shows the progress of an electric spark across a 1/2-inch gap 150 nanoseconds after a .1-microfarad capacitor charged to 15,000 volts was connected to the gap. The principal arc appears at the positive electrode of the gap; a faint glow surrounds the negative electrode. The exposure time was 10 nanoseconds.

"Anyone wishing more details about these experiments may correspond with me directly at this address: Box 573, Arkansas Polytechnic College, Russellville, Ark. 72802."

 

Bibliography

AN ELECTRO-OPTICAL SHUTTER FOR PHOTOGRAPHIC PURPOSES. A. M. Zarem, F. R. Marshall and F. L. Poole in Transactions of the American Institute of Electrical Engineers, Vol.68, Part I, pages 84-91; 1949.

HIGH-SPEED EXPLOSIVE ARGON-FLASH PHOTOGRAPHY SYSTEM. Robert G. S. Sewell, Lawrence N. Cosner, Henry W. Wedaa and Rolland Gallup in Journal of the Society of Motion Picture and Television Engineers, Vol. 66, Part I, pages 21-24, January, 1957.

MILLIMICROSECOND KERR CELL CAMERA SHUTTER. A. M. Zarem, F. R. Marshall and S. M. Hauser in The Review of Scientific Instruments, Vol. 29, No. 11, pages 1041-1044; November, 1958.

 

Suppliers and Organizations

 

Fry's Electronics retails over 30,000 electronic items within each store. Fry's has been keeping hi-tech professionals supplied with products representing the latest technology trends and advances in the personal computer marketplace for 15 years. Fry's has become the place where a technical customer can shop with confidence and comfort.

 

The Society for Amateur Scientists (SAS) is a nonprofit research and educational organization dedicated to helping people enrich their lives by following their passion to take part in scientific adventures of all kinds.

The Society for Amateur Scientists
5600 Post Road, #114-341
East Greenwich, RI 02818
Phone: 1-401-823-7800

Internet: http://www.sas.org/