Cost: $100+
About These Ratings
Difficulty: Intermediate; some special skills needed. Danger 4: (POSSIBLY LETHAL!!) Utility:

------------------------

How a Gas-Discharge Tube Was Made and Applied in Diverting Experiments

---------------------

by C. L. Stong
February, 1958

---------------------

JOHN ARMSTRONG, A HIGH-SCHOOL STUDENT in Springfield, Ill., has demonstrated once again that neither inexperience nor

An amateur's photograph of the corona discharge in a gas-discharge tube at atmospheric pressure

Erratic spark discharge at a pressure of 1.5 centimeters of mercury

Steady spark discharge at a pressure of 1 centimeter of mercury

Full glow discharge at a pressure of .75 centimeter of mercury

Faraday dark space at a pressure of .2 centimeter or mercury

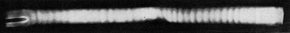
Thick disks at a pressure of .1 centimeter of mercury

Disks are distorted (center) by the application of a magnetic field

limited facilities can discourage the determined amateur experimenter. Two years ago Armstrong's physics teacher at Cathedral Boys' High School came across an old gas-discharge tube in the school storeroom When the tube was tested it did not work too well, and the teacher challenged Armstrong to find the trouble. Armstrong promptly broke the tube, but this only stimulated him to make a new one. Within a few months he not only wound up with a successful gas-discharge tube but also made a set of unusually good photographs of gas-discharge effects, learned that electron bombardment has peculiar effects on the germination of seeds, and walked off with first prize in the annual science competition conducted by the Illinois Junior Academy of Science.

Armstrong's tube does not differ essentially from the one invented in 1752 by the English physician William Watson, who pumped air out of a glass bulb containing a pair of electrodes in an attempt to learn whether air is a conductor of electricity. As the air was pumped out of the tube, the amount of electricity conducted between the electrodes increased. After a time Watson was astonished to observe that the tube was filled with a pink light. Experimenters have been pumping the tube ever since, and it has still not been emptied either of gas or strange effects. From it have come a large number of advances in modern electronics and experimental physics.

The amateur can easily join in this kind of experimentation. A gas-discharge tube is about as simple to make as a piece of electrical apparatus can be. With a little ingenious scrounging it can be set up for less than $10.

"The glass for my tube," writes Armstrong, "came from the scrap pile of a nearby college. It is 14 inches long, an inch in diameter, and has a wall thickness of an eighth of an inch. The ends of the tube are closed by rubber stoppers. Sixpenny nails pushed through the stoppers serve as electrical connections. The point of one nail is the cathode; a cup-shaped copper disk, soldered to the head of the other nail, is the anode.

"One stopper was perforated to take a short length of quarter-inch glass tubing. This serves as an exhaust port. It is connected by flexible plastic tubing to a piston-type vacuum pump. Incidentally, a dealer in second-hand electric refrigerators is a good source of such a pump. The compressor of an old refrigerator can be converted into a vacuum pump simply by hooking it up backward. A good compressor (converted, of course, into a vacuum pump ) can evacuate an air-tight vessel until the pressure inside is only 25 microns of mercury, or one 30,000th the pressure of the atmosphere at sea level.


Figure 1: A gas-discharge tube with high-voltage supply and vacuum system

"Experiments with gas-discharge tubes require a vacuum gauge of some sort. A simple gauge made of plastic tubing and mounted on a board as shown in the illustration [left] is adequate. Although it is not shown in the drawing, a metric ruler is mounted beside one arm of the U-shaped tube of the gauge. The tube is filled with mercury to the 38-centimeter mark and connected to the vacuum system by means of a T-shaped fitting. Both the tubing and the mercury can be ordered through most drugstores. The price of mercury is about 30 cents an ounce; a pound will more than fill a gauge made of eighth-inch tubing.

"All joints in the vacuum system, including those between the nails and the stoppers, must be sealed. A good wax for this purpose can be made by melting together equal parts by weight of vaseline and paraffin. The compound is easy to apply at room temperature and its vapor pressure is not high enough to contaminate the system.

"My tube is energized by an induction coil of the vibrator type, capable of producing a spark about an inch and a half long in air. Ideally one should use a source of pure direct current. However, the output of the coil is adequate for this work, because the voltage pulse induced in the secondary winding of the coil when the vibrator contacts open is always of the same polarity, and it is much stronger than the pulse of opposite polarity induced when the contacts close. Hence the output may be regarded as pulsating direct current. Coils of this type were used in Model-T Fords, and some are still around. Those from modern automobiles will work just as well if they are equipped with an external vibrator. The power for my coil is derived from a transformer which steps the 110-volt alternating house current down to 12 volts. This output is then converted to direct current by a selenium rectifier. High-voltage connections between the coil and the tube are made by high-tension cable of the type used for connecting automobile sparkplugs.

"The apparatus should be set up in a dimly lighted room. Allow a few minutes for your eyes to become adapted to the darkness; then start the coil and the pump. A faint glow will appear at the point of the cathode nail and at the edge of the anode. The glow will spread appreciably by the time the pressure has dropped to 2.5 centimeters of mercury. The electrical field in the vicinity of the electrodes has become so intense that electrons are knocked from molecules colliding with the metal parts. In the process energy is absorbed by the fragments. Some dismembered molecules then recombine and emit the absorbed energy as light. Few of the excited particles migrate far before colliding with other molecules of gas. Hence the glow is largely confined to the surface of the electrodes [top photograph, above].

"When the pressure has dropped to about 1.5 centimeters, electrons and ionized molecules or atoms can occasionally travel the full length of the tube. Some of these charged particles collide with other molecules and ionize them. As the molecules recombine, they emit light and trace the path of the charged particles. These intermittent discharges can be photographed by time exposure [second photograph, above] When the pressure is reduced to 1 centimeter, the discharge is continuous [third photograph].

"At a pressure equivalent to about .75 centimeter of mercury the tube abruptly fills with Watson's pink glow. The space has been emptied to the point where many particles reach high speed before colliding with gas molecules. However, the tube still contains so many gas molecules that ionizing collisions occur with great frequency; recombination takes place throughout the space. Hence the tube emits a uniform glow similar to the aurora polaris, commonly known as the Northern or Southern lights [fourth photograph].

"With a further reduction of pressure to about .2 centimeter of mercury a number of subtle effects appear in the discharge, although only a few show in my picture [fifth photograph]. The broad dark region near the cathode end of the tube is called the 'Faraday dark space' because Michael Faraday first observed it in 1753. An intense blue glow now surrounds the cathode. With a slight further reduction in pressure the color of the tube changes from pink to white and, although the glow appears solid, it actually consists of a series of fine disks of light somewhat like a stack of coins. The disks are so thin and closely packed that one must study them a while before they can be seen. I have not yet succeeded in photographing them. Nor have I found a clear explanation of the effect in any reference text. As F. H. Frantz pointed out in his discussion of electrical discharges ["The Amateur Scientist, February, 1956], a number of phenomena associated with electrical discharges through gas at low pressure are not understood. The apparent narrowing of the glow toward the middle of the tube in my photographs is an optical distortion caused by the glass. The tube I used had been heated to the softening point during a previous chemical experiment and the glass in the middle of the tube had become thicker.


Figure 2: The "left-hand rule"

"At still lower pressures the Faraday dark space expands toward the anode at the expense of the disks, which become thicker and less numerous. A second dark region, the Crookes dark space, appears between the Faraday dark space and the cathode. Like the Faraday space, the Crookes dark space also expands toward the anode with the decrease of pressure When the pressure drops to about a millionth of its initial value, the Crookes dark space expands to the anode and the glow vanishes. Collisions between the relatively few remaining gas molecules and electrons, now rushing to the anode at speeds measured in thousands of miles per second, are so infrequent that no perceptible light is emitted. At about this point, however, the walls of the tube begin to glow a pale green. The glow is due to X-rays generated when high-energy electrons crash into the nuclei of silicon atoms in the glass. My pump does not exhaust the tube to this pressure. The thicker disks, Faraday dark space and bright cathode glow are evident in my sixth photograph [see above].

"Photographing these effects is an interesting project. I have been unable to locate pictures of them in any reference text. The work is not easy, particularly at the lower pressures, because the glow tends to flicker and blur the image unless the voltage and pressure are held constant. I used Eastman Kodak Royal Pan sheet film, which has an A.S.A. speed rating of 400. My first five pictures were made with a lens opening of f/16. The first was made at a shutter speed of 1/200 second. The next three were time exposures of 15 seconds The fifth was made at 1/200 second. The sixth picture was made at f/3.5 and 1j400 second. Many of the effects are rich in color. So far as I can learn they have never been reproduced in color, although color photographs of them have doubtless been made.

"Because electrons are charged they can be deflected by a magnetic field. If you know the polarity of the field, you can determine whether the charge is positive or negative. Everybody knows that the charge of ordinary electrons is negative, but the experiment is interesting nonetheless. You can identify the north pole of a magnet simply by suspending it at the middle with a piece of heavy thread. The magnet will doubtless spin until the thread untwists, but finally it will come to rest in a north-south direction. The north pole is then marked. During this procedure the magnet should not be hung near a large mass of iron, which may cause it to give a false indication. The magnet (one of the Alnico semicircular type works best) is now put across the discharge tube so that the lines of magnetic force cut through the electron stream at a right angle. Electron flow obeys the so-called 'left-hand rule.' Hold the left hand so that the index finger points away from the body, the thumb points up and the middle finger points to the right [see illustration above]. Without changing the relative position of the fingers turn the hand until the thumb points in the direction of the current flow (current is assumed to flow from anode to cathode although the electrons flow in the opposite direction) and the index finger points in the direction of the magnetic. field (north to south). The middle finger will then point in the direction toward which the electron beam is deflected, if the electrons are negatively charged. The upward distortion of the striations in the middle of my seventh picture shows the effect.


Figure 3: A graph showing the effects of electron bombardment on the germination of lettuce seeds

"Having built the tube and photographed some of its effects, I looked into the possibility of using it for other experimental work. I had read somewhere that the rate at which seeds germinate is influenced by electron bombardment at the business end of a linear accelerator. My tube scarcely qualified as a linear accelerator; on the other hand, it seemed to me that if seeds were put inside the tube, where they would receive the full impact of the electron beam, some effect might be observed.

"Lettuce seeds were selected for the test because they are large enough for easy counting. The seeds were divided into five groups of 100 each. One of the groups was set aside to serve as a control. The remaining four were put into the tube, one group at a time The cathode stopper was simply pulled out and the seeds poured into the tube. The electric field tends to concentrate at the edge of the cup-shaped anode; since I wanted bombardment of maximum intensity, the tube was operated in an inclined position so that the seeds would collect at this edge.

"In the case of three test samples the tube was exhausted to the pump's limit and the vibrator of the coil was adjusted to produce maximum secondary voltage. One sample was exposed to maximum bombardment for five minutes, another for 10 minutes and the third for 15 minutes. In the case of the fourth sample the tube was pumped to lower pressure (about .75 centimeter of mercury); consequently this sample was subject to less intense bombardment. The time of exposure was five minutes.

"The seeds were made to germinate by placing them on a disk of blotting paper kept moist with a wick. Each group of seeds was labeled and exposed to light from a north window in a room where the temperature was a reasonably constant 70 degrees. The results are shown in the accompanying graph [below]. Note the remarkable contrast between the germination rate of seeds in the control group and that of seeds exposed to high-intensity bombardment for 10 and 15 minutes. At the end of 24 hours, 40 seeds of the 100 exposed for 10 minutes had germinated. Six hours later the figure was 94; ultimately it reached 99.

"No seeds of the control group had germinated at the end of 30 hours and only 62 had germinated at the end of 36 hours. At the end of 60 hours 97 had sprouted. This was two less than the group irradiated for 10 minutes. Even the sample exposed at high intensity for five minutes showed a marked gain over the control group. It is interesting that a few seeds from the group irradiated for the same time at low intensity germinated early but only half showed signs of life at the end of 60 hours.

"Following the germination experiment a few of the sprouted seeds from each group were kept under extremely moist conditions. Mold promptly attacked the control group. But seeds which had been irradiated showed no evidence of mold or bacterial growth even at the end of several days."

F P Hughes of Wausau, Wis., submits a tip for those about to embark on the making of their first telescope mirror.

"When you start to build a telescope," Hughes writes, "do not make a mirror. Make two. Buy two mirror blanks and one blank for a tool. For the first 'wet' and all odd wets thereafter grind the first mirror blank on the tool. For the second wet and all even wets thereafter I grind the second mirror blank on the tool. Continue alternating this way through polishing. Submit both polished mirrors to the knife-edge and other conventional tests. Take the better-looking mirror of the two and figure it by the method described in Albert G. Ingalls' book, Amateur Telescope Making. By definition this is your first mirror and it will not be very good.

"Never mind the quality. Silver it, slip it into a mounting and have a look. When your curiosity has been satisfied, set to and figure the other mirror. This time you will be under no overpowering compulsion to look through your new telescope (the principal reason why first mirrors are bad) because you already have one in use. The second mirror will accordingly show a much better figure. You have been through the mill once. When the second mirror is as good as you can get it, silver and swap.

"Now refigure the first mirror ( regrinding it if pits show). It will doubtless come through the process in excellent shape. Silver, swap and continue in this way until you have two perfect mirrors. Leave one mirror unsilvered for solar work, use both mirrors to make a binocular telescope or sell one of them. The beauty of this procedure is that there is always a mirror in usable condition on hand, so the novice does not hesitate to touch a fault for fear of making things worse.

"I do not claim credit for this idea or take responsibility for its unaccountable omission from Ingalls' celebrated books on telescope making. It was dreamed up a couple of centuries ago by a fellow named William Herschel."

C. A. Rambow, a graduate student at the California Institute of Technology, submits the following suggestion for an inexpensive source of the voltage required for the production of high-energy sparks described in this department last November.

"A much cheaper power supply for charging the capacitors than those you described," Rambow writes, "can be made from an old Model-T Ford spark coil. Experimenters will have just cause for sorrow when the last of these wonderful devices has passed, but fortunately they can still be got in junk yards and even in a few auto-parts stores. To charge capacitors, connect the high voltage terminal of the coil to the filament circuit of a 1B3 tube, and the anode of the tube to the ungrounded side of the capacitor. The rectifier filament will, of course, be at high voltage, but the required current is small enough so that a single flashlight cell will last for several hours of experimentation. A small amount of resistance is needed in the filament circuit to drop the battery voltage of 1.25, and this is most easily obtained by cutting a little nichrome wire from a replacement coffee-pot element. If you put a switch in this circuit, be sure it can be operated by a long and well-insulated extension to the handle.

"Since the output wave-form from the coil is not a pure sine wave (or for that matter pure anything), the polarity of the battery supplying the coil will influence the delivered voltage. However, if a transformer is used to supply the coil, the peak voltages will be of both polarities. In most cases this is also cheaper and easier than providing a battery. It is also important to keep the vibrator points on the coil bright and well-adjusted; failure to do so can cost you half the maximum voltage available.

"The voltage to which a condenser can be charged can be measured by a pair of needle points. These can be mounted on metal brackets attached to standoff insulators. One of the needles should be fastened to a long bolt which runs in a nut mounted atop the insulator, so the spacing between the two can be varied. A table of voltages for various spacings will be found in most handbooks. Spheres may be used in place of needles if available.

"Using this system of charging and measuring, I found I could charge a war-surplus Pyranol capacitor of .1 microfarad capacity to its 16,000-volt rated voltage in a few seconds. I don't know how high the power supply would go, but I do know that it will go up to 40,000 volts, which was enough to ruin the capacitor. However, the capacitor had served for many discharges of 80,000 to 35,000 volts prior to this.

"I would like to include a final word of warning in regard to these high-voltage capacitors. If they remain charged for any length of time, the dielectric becomes polarized. A quick discharge of the capacitor doesn't allow the dielectric to return completely to its former state, and although you throw a dead short across the capacitor, you can come back in an hour or two and find enough voltage to knock you flat. This is best avoided by leaving the short across the capacitor terminals after the capacitor has been used."

 

Bibliography

GASEOUS CONDUCTORS: THEORY AND ENGINEERING APPLICATIONS. James Dillon Cobine. McGraw-Hill Book Company, Inc., 1941.

 

Suppliers and Organizations

 

Fry's Electronics retails over 30,000 electronic items within each store. Fry's has been keeping hi-tech professionals supplied with products representing the latest technology trends and advances in the personal computer marketplace for 15 years. Fry's has become the place where a technical customer can shop with confidence and comfort.

 

The Society for Amateur Scientists (SAS) is a nonprofit research and educational organization dedicated to helping people enrich their lives by following their passion to take part in scientific adventures of all kinds.

The Society for Amateur Scientists
5600 Post Road, #114-341
East Greenwich, RI 02818
Phone: 1-401-823-7800

Internet: http://www.sas.org/