Cost: $0-100
About These Ratings
Difficulty: Intermediate; some special skills needed. Danger 1: (No Hazards) Utility:

------------------------

How to Make an Extremely Accurate Clock Based on the Vibration of a Quartz Crystal

---------------------

by C. L. Stong
September, 1957

---------------------

THE GEOMETRY OF MOTION is written in the fundamental concepts of length and time. Events must happen somewhere at some time whether they proceed on the scale of colliding galaxies or the division of cells. If an observer hopes to gather meaningful information about the physical events of the universe, he must therefore begin with a measuring rod and a clock. The better his rod and clock, the more he can learn.


Figure 1: Electronic generator of precise frequency to drive an electric clock

Descriptions of two fine-scaled measuring rods which amateurs can build at home have already appeared in "The Amateur Scientist." One is the "traveling" microscope constructed by Roger Hayward, who illustrates this department. It is capable of measuring lengths over a range of six inches to an accuracy of one part in 60,000 ["The Amateur Scientist," August, 1954]. The other is the interferometer designed by Eric F. Cave, a physicist at the University of Missouri. This instrument can measure distances of less than a wavelength of light ["The Amateur Scientist," November, 1956]. W. W. Withrow, Jr., a radio amateur of Teague, Tex., now describes an extremely accurate clock which can also be built at home. Even if new parts are used in its construction, the clock should cost less than $50.

"Like most amateurs who make a hobby of science, particularly of those branches which have to do with physics," writes Withrow, "I have long wanted a good clock. Ordinary electric clocks do for most purposes and nearly everyone takes it for granted that they keep good time. But do they? The accuracy of electric clocks depends on the care with which the operator at the power station maintains constant frequency on the mains. The Texas town in which I live has an excellent city-owned power plant. But its operators have little reason to maintain frequency as closely as they would if the plant were part of a network of stations which must be synchronized. I found that our clocks sometimes vary as much as a minute from one day to another.

"The principal element in a timing system is the one which, in effect, counts the units of time. This may be entirely mechanical, as in the pendulum clock. It may be electronic, as in the gas-absorption clock [see "Atomic Clocks," by Harold Lyons; SCIENTIFIC AMERICAN, February]. It may be a combination of the two, as in the Marrison, or piezoelectric crystal, clock. In each of the three some resonant element must have a highly constant natural period of vibration which can be coupled to an indicator, usually a clock face, for indicating the passage of time with respect to an arbitrary starting instant such as 0000 Greenwich mean time.

"In casting about for an idea on which to base a clock, I reread an article which appeared in your department for July, 1951. The author, in describing the Hope-Jones Synchronome clock, mentioned that a quartz-crystal oscillator clock may not be beyond the skill of amateurs. When fed with electrical pulses from a vacuum-tube oscillator, a properly cut and mounted quartz crystal vibrates continuously at a rapid and remarkably constant rate. I knew that the National Bureau of Standards uses a crystal clock. But I had dismissed the idea of building a version of it because the Bureaus clockface is driven by a 1,000-cycle motor. Electrical-appliance dealers in my town stock only 60-cycle clocks. Still, I wanted a good clock and could not down the idea of tackling a crystal one, perhaps because electronics has a way of getting tied in with most of my projects whether they are essentially electronic or not.


Figure 2: Circuit diagram of quartz-crystal clock

"I decided to try a simplified version of the Marrison clock using a quartz crystal cut for 120 kilocycles per second. It seemed likely that a clock could be built around a 120-kilocycle crystal without the complication of such accessories as an oven for maintaining the unit at constant temperature, or a special 1,000-cycle clock motor. The frequency of the crystal could be subdivided to 60 cycles by a highly unstable vacuum tube circuit called. a multivibrator and then amplified as desired for driving the clock mechanism.

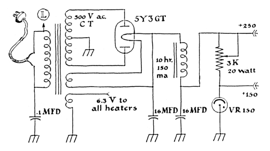
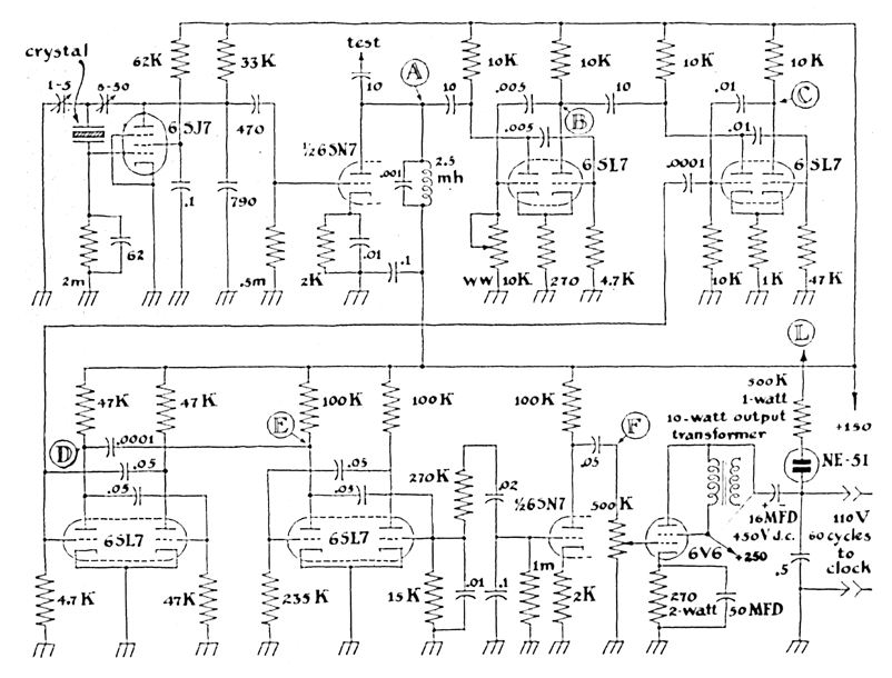
"Except for the crystal, the clock was built entirely . of standard radio parts plus parts from an old radio plus a spare: 19 kg electric clock. The crystal was made by s; the Northern Engineering Laboratories of Burlington, Wis. Designated Model: T-9D, it is priced at $I4, which represents my principal outlay of cash for-e clock. The crystal comes mounted in an evacuated bulb with a pronged base that fits a standard vacuum-tube socket. It is driven by a conventional vacuum tube oscillator [see circuit diagram above right]. The 120-kilocycle output of the oscillator is boosted by a single-stage resistance-coupled amplifier and reduced to 60 cycles by a series. Of four multivibrators which respectively operate at 6,000 cycles, 1,200 cycles, 240 cycles and 60 cycles. The output of the last of these multivibrators is fed to a preamplifier, which in turn drives the power amplifier [see block diagram in Figure 3].

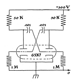
"Multivibrators, I learned, are tricky gadgets. It took a long series of experiments to find working values for the resistors and capacitors that finally gave the desired performance. In principle the multivibrator is a two-stage resistance-coupled amplifier in which the output of each tube is coupled to the input of its companion [see diagram on page 240]. On the application of power to the unit, a mild pulse of current flows in each of the plate circuits.


Figure 3: Block diagram of quartz-crystal clock

"Pulses also appear as a charge on the respective grids. There is a somewhat stronger pulse on one grid than on the other because multivibrator circuits cannot be made perfectly symmetrical. A heavy flow of current promptly builds up in the plate circuit of the tube receiving the stronger pulse. The grid of the companion tube, being coupled to the plate of the conducting tube, is driven strongly negative and soon reaches the point of blocking the flow of electrons from the cathode of the conducting tube to its plate. The tube is said to have passed the cutoff point. The negative charge on this grid (and on its associated coupling capacitor) then leaks off through a resistor connected between the grid and cathode. The time required for the leaking process depends on the size of the coupling capacitor and the resistor. As the charge leaks away, the potential of the grid rises toward the cutoff point (beyond which the tube can conduct). When this critical point is reached, the tube promptly conducts. The resulting pulse drives the grid of the companion tube (through the coupling capacitor) strongly negative and it in turn cuts off. Thereupon the series of events repeats. The negative charge leaks off the grid and a new cycle is initiated. The seesaw action continues–each tube being cut off and cutting off its companion in return. One grid or the other is always negative and one always positive. Alternately one tube conducts and the other tube does not.

"The frequency at which a multivibrator performs this automatic flip-flop can be increased somewhat without changing the size of the coupling capacitors or grid-leak resistors. If, as either grid approaches the point at which conduction is about to be resumed, a pulse is applied to the grid from an external source, conduction will be initiated early. An external pulse of proper sign (positive) will neutralize the remaining negative charge and push the grid over the-top., The multivibrator owes its action as a frequency divider to this effect. Frequency division is accomplished by setting the multivibrators natural or free-running frequency close to but slightly lower than the desired submultiple of signal frequency and then introducing the signal or controlling frequency to the grid of one of the two multivibrator tubes. The multivibrator then locks in step at the desired submultiple of the signal frequency, because one and only one pulse of the signal can arrive at the critical moment the triggering grid is approaching the cutoff point. Other signal pulses arrive while the grid is either strongly negative or during alternate half-cycles when it is charged positively. Thus if a controlling signal of 120 kilocycles is coupled to one grid of a multivibrator which is adjusted for a natural period of slightly less than 6,000 cycles, the first nine cycles of the signal occur while the triggering grid is substantially below the point of conduction. The 10th cycle, however, arrives just in time to push the grid over the top and initiate conduction. During the next 10 signal. pulses the triggering grid is positive and the signal has effect. At the end of this interval the companion tube conducts automatically and drives the triggering grid negative in preparation for the next cycle of events. Thus each 20th pulse of the signal triggers the controlled tube into conduction, and the multivibrator accordingly oscillates at a 20th of the signal frequency.


Figure 4: Circuit diagram of a multivibrator

"The output of one multivibrator can trigger another. Four properly adjusted, units can thus reduce the frequency of a cycle oscillator in steps of 6,000, 1,200, 240 and finally 60 cycles. In the case of clock the 120-kilocycle signal is derived from the stable crystal oscillator. The 60 cycle output of the final multivibrator is filtered and amplified to 110 volts to drive the electric clock.

"It must be confessed at this point ./that the free-running period of multivibrators is influenced by many factors: the voltage of the plate supply, cathode temperature, humidity, atmospheric pressure. And even, I have had reason to, suspect, the state of ones ulcers. The 6,000 unit is so sensitive to triggering influences that it is apt to lock in step with every disturbance that chances along. It has a revolting way, for example, of deciding to count every 19th pulse or every 21st instead of the desired 20th. This does not mean that multivibrators are too tricky for the beginner. It seems humane, however, to suggest that prospective builders of the clock should lay in an extra supply of aspirin. Fortunately none of the problems are difficult to diagnose. Any amateur with patience enough to make a parabolic mirror will find this project less exacting. One can make major changes in the components at any point, or even start from scratch again without losing anything but time After all, what fun would one get out of making a piece of gear which behaved well on the first try?

"The layout of the parts on the chassis is not critical. The second tube of the line-up, the BSN7 twin triode, should be installed with-some care. This tube plays a dual role, half :of it acting as the preamplifier for 120 kilocycles and the other half as the preamplifier for 60 cycles. Hence it may well be placed next to the oscillator, where it can be fed with short, direct connections. The 60-cycle half can be fed without ill effect by any convenient length of wire. Any method of wiring is satisfactory, provided it does not complicate the task of changing resistors and capacitors in the various multivibrators. The multivibrator circuits must be tailor-made. The values of the resistors and capacitors [specified in the circuit diagram in Figure 2] are only approximate. They work in my clock, but may not in someone elses.

"When the chassis has been wired, checked and the tubes installed, it is necessary to set the 150-volt regulator tube under load for a current of 25 milliamperes. One safe method is to place a temporary 100-ohm resistor in series with the ground side of the regulator tube and adjust the variable 20-watt resistor (beginning at about 2,000 ohms) until a voltage of 2.5 is read across the 100-ohm resistor. This method sidesteps the possibility of damaging a milliammeter, should the circuit be accidentally shorted during adjustment. The output control in the grid of the 6V6 power amplifier should be set at minimum while the multivibrator stages are being tamed.

"It is possible to adjust the free-running period of the multivibrator by ear. A headphone (connected through an isolating amplifier) would enable one to hear the tone and judge the frequency of their respective outputs. But a cathode-ray oscilloscope is by far the best tool for the job. If the amateur does not own an oscilloscope, he may be able to interest a nearby television repairman in the project sufficiently to get the use of one–or even persuade the repairman to try the adjustment.

"The oscilloscope is used to examine the wave forms, and hence the relative frequencies, of two sources of oscillation at a time. Before the tests are begun, one lead of a 1-megohm resistor (of the quarter-watt size) is tightly wrapped to the tip of each of the oscilloscopes two test-probes, one of which causes vertical deflections to be displayed and the other horizontal deflections. The free end of the resistors are thereafter used as probe tips. The tests are based on the pattern presented by the scope when its inputs are fed with frequencies related in integral ratio, such as 4 to 1, 20 to 1 and so on. When the frequencies are in exact integral ratio, the resulting pattern is one of the well-known Lissajous figures. If the horizontal swing of the scope makes one complete oscillation, for example, while the vertical deflection makes two or more, the pattern may look like a misshapen crown they are a number of vertical teeth around its upper edge. If the teeth drift a little, the ratio of the two frequencies under observation is nearly but not precisely integral.

"The testing and adjustment procedure may be a bit tedious, but it is not difficult. The probes of the scope are applied to a pair of frequency sources, the pattern is observed and the circuit modified as dictated by the pattern. The sources of frequency to be examined are designated by lettered test points [see Figure 2].


Figure 5: Lissajous figures of multivibrators as displayed on the face of a cathode-ray oscilloscope

"The testing routine begins with the 6,000-cycle multivibrator. First place the vertical test-probe of the scope on point A, the output of the 120-kilocycle oscillator, and the horizontal probe on point B, the output of the 6,000-cycle (we hope) multivibrator. Remove the 6SL7 tube from the succeeding 1,200-cycle multivibrator. Adjust the gain controls of the scope for a pattern of convenient size. Now rotate the variable grid resistor (10 K) of the 6,000-cycle multivibrator to produce a stationary pattern on the scope. Several such points will doubtless be found. Select one for examination. Adjust the - gain control of the scope for full deflection and count the teeth in the pattern. With luck, the count will be 20 [see drawing left]. If the count is higher or lower, select another of the stable points and count again. If none of the settings yields the desired count of 20, the value of the 4.7-K resistor in the grid circuit of the second multivibrator ,tube must be altered. Remove the 4.7-K resistor and substitute a rheostat for it. (One made of a 100-K potentiometer will do. ) Now set the 10-K variable grid resistor of the first tube to its midpoint and vary the rheostat. Increased resistance will lower the multivibrator frequency, causing more: peaks to appear, decreased resistance will do the opposite. A setting will be found which yields the 20 stationary peaks desired. Measure the value of the rheostat with an ohmmeter, select a corresponding fixed resistor close to this value and substitute it for the rheostat. Replacing the rheostat with the fixed resistor will alter the circuit enough to change the count, but a setting of the variable 10-K resistor should now be found that will restore it to 20.

"Replace the tube previously removed from the 1,200-cycle multivibrator and remove the corresponding tube from the 240-cycle unit. Put the vertical probe on point C and the horizontal one on the ungrounded side of the heater circuit at any convenient point. This feeds the horizontal sweep of the scope with the frequency of the power line. If the second multivibrator is oscillating at the desired 1,200 cycles, the scope pattern will again show 20 teeth. A slow rotation of the pattern will doubtless be observed, indicating that the power-line frequency is not a precise multiple of the crystal frequency–not quite the 60 cycles customarily advertised. If, in contrast, the pattern shows a pronounced vertical deflection and moves rapidly, substitute the rheostat (just removed from the 6,000-cycle multivibrator) for the 10-K resistor in the grid circuit of the first tube of the 1,200-cycle multivibrator. Again verify the frequency of the 6,000-cycle unit. Now vary the rheostat to produce the 20-tooth pattern, with perhaps the slow rotation mentioned (the vertical probe of the scope being on point C and the horizontal one on the ungrounded heater circuit). Measure the value of the rheostat setting which yields a count of 20 and replace the rheostat with a fixed resistor of this value. Again verify the operation of all units of the assembly to this point. The adjustment procedure is similar for the remaining units. In each case, while a, unit is being adjusted, the first tube of the following unit must be removed from its socket. The horizontal probe of the scope remains on the ungrounded side of the heater circuit while the 1,200-, 240- and 60-cycle units are adjusted. The vertical probe is placed at point D (the output of the 240-cycle unit) and the 47-K grid resistor adjusted until the pattern shows four peaks. Similarly, with the vertical probe at point E (the output of the 60 cycle unit), alter the 15-K grid resistor (of the second tube) for a pattern displaying a single peak. Finally, place the vertical probe on point F (the output of the 60-cycle preamplifier). The pattern should now take the form of a smoothly rotating ellipse which slowly changes into a straight line at one extreme and opens into a circle at the other.


Figure 6: Circuit diagram for quartz-crystal clock

"All may not go smoothly. When the tube of the 1,200-cycle unit is replaced following the adjustment of the 6,000cycle unit, for example, the 6,000-cycle unit may tend to lock into a higher or lower multiple of the crystal frequency (because of the shunting effect of the 1,200-cycle tube). A simple adjustment of the 10-K variable resistor may cure the difficulty. At the other extreme, it may be necessary to repeat the whole procedure and find still another value for the original 4.7-K resistor. If so, your luck will improve on the second try because the 1,200-cycle multivibrator will now tend strongly to lock in at its designed frequency. The desired goal has been brought much closer by virtue of previous adjustments.

"A permanent indicator of over-all operation, although a rough one, is provided by a small neon-lamp circuit [see Figure 5]. Test-point L of the indicator is connected directly to one side of the 110-volt power line [also see point L in diagram in Figure 2]. Normally, as the line frequency drifts in and out of synchronization with the 60-cycle frequency derived from the crystal, the lamp pulsates gradually from dark to bright and back again in step with the difference frequency of the two. If the multivibrators are not synchronized, the lamp will pulse rapidly.

"A 60-cycle, 110-volt electric clock drawing not more than three watts is now connected to the output of the power amplifier. As the gain control of the power amplifier is advanced to produce an output of 110 volts, the motor should start running.

"One final pair of adjustments puts the clock in business. It must be regulated (the crystal frequency adjusted as closely as possible to 120 kilocycles) and the hands set for correct time in the local time zone. The control device to regulate the rate at which the clock runs is based on the fact that a piezoelectric crystal can be forced to vibrate faster or slower than its natural period (within narrow limits ) by altering the amount of electrical push imparted to the crystal during each vibration by the associated vacuum-tube oscillator–just as the pendulum of a mechanical clock can be made to beat slightly faster or slower than its natural period by altering the amount of energy imparted to or subtracted from the pendulum by the escapement mechanism. Driving energy for the crystal.

pulses, is taken from the oscillator tube through a variable capacitor which covers a range of to 50 micro-microfarads. This capacitor may be thought of as a rough regulating adjustment. A second variable capacitor (1 to 5 micro-microfarads) is connected between the hot side of the crystal and the ground. It shunts a portion of the energy from the tube to the ground, the amount depending upon the setting of the capacitor. This is the fine adjustment.

"The primary reference frequency in this country is the time signals broadcast by radio station WWV of the National Bureau of Standards. These signals appear on carrier frequencies of 2.5 megacycles, 5 megacycles, 10 megacycles and so on in multiples of 5 megacycles up to 25 megacycles. The signals can be picked up almost anywhere on a short-wave radio. They are accurate to better than one part in 100 million. A11 WWV carrier frequencies are modulated periodically by time announcements in voice and by a series of pulses or ticks which persist for .005 second and con5mence each second.

"Tune in WWV and listen to the seconds tick. Then, by any convenient means, arrange your clock so it will also make audible second clicks. My clock is of the drum-counter type, in whic4 a ratchet coupled to the drum mechanism is moved by a motor-actuated pawl. The movement on the drum begins on the minute and the pawl clicks precisely three seconds later. The clock is set roughly by WWVs voice announcement and regulated by comparing the click of the pawl with the fourth tick ( after the. minute) of WWV. This is the tick marking the end of the third second. It is possible to judge the interval between the tick of WWV and that of my clock within about a tenth of a second, depending on how far my clock is running ahead of, or behind, WWV. Note the difference when the new clock is put into operation. At the end of an hour the difference will doubtless have increased or decreased. Rotate the fine adjustment a few degrees and note the setting. Another hour should show the effect of the adjustment. Mark the dial of the regulator control with an arrow to indicate the direction in which the knob must be turned for fast and slow. If the rate requires major adjustment, use the, rough control. From this point the task is merely one of narrowing the margin of error. When finally set, the clock should remain within a 10th of a second of WWV for weeks on end. .

"Some amateurs may live in areas where WWV cannot be heard. It is possible for them to set and regulate the clock with fair accuracy if they can pick up a radio station which broadcasts on a frequency which has a submultiple of -120 kilocycles, such as 600 cycles, 720, 840, 960, 1,080 and so on. The plate circuit of the preamplifier provides access to the crystal frequency through a 10micromicrofarad capacitor at the point marked test [see circuit diagram in Figure 2]. This frequency is compared with that of the broadcasting station by connecting a wire between the test point and the external antenna post of the radio receiver, tuning in the station and listening for the beat or difference frequency of the clock and station. If the receiving set has an internal-loop antenna instead of an external antenna, drape a foot or two of wire (connected to the test point of the clock) over the loop antenna of the set. Adjust the volume of the set so the beat can be heard clearly. The sound will doubtless resemble an undulating or pulsating swish. The rate of the pulsation is equal to the difference frequency between the clock and a submultiple of the carrier frequency. Adjust the regulating controls of the clock for zero beat. The clock will then be as accurate as the frequency of the broadcasting station–which is pretty good.

"The adjustment procedures have been outlined in some detail because, as those who undertake the construction of this clock will discover, it is no cookbook project. Multivibrators are such fickle critters that each clock must be regarded as an original project in its own right. But the instrument is worth whatever time and patience it costs. Once operating, the 60-cycle output can be further amplified if desired and wired to distant locations for driving all sorts of apparatus, including telescopes, seismograph pens and so on."

 

Bibliography

ELECTRONICS: EXPERIMENTAL TECHNIQUES. William C. Elmore and Matthew Sands. McGraw-Hill Book Company, Inc., 1949.

TIME AND ITS MEASUREMENT. G. M. Clemence in American .Scientist, Vol. 40, No. 2, pages 260-269; April, 1952.

 

Suppliers and Organizations

 

Fry's Electronics retails over 30,000 electronic items within each store. Fry's has been keeping hi-tech professionals supplied with products representing the latest technology trends and advances in the personal computer marketplace for 15 years. Fry's has become the place where a technical customer can shop with confidence and comfort.

 

The Society for Amateur Scientists (SAS) is a nonprofit research and educational organization dedicated to helping people enrich their lives by following their passion to take part in scientific adventures of all kinds.

The Society for Amateur Scientists
5600 Post Road, #114-341
East Greenwich, RI 02818
Phone: 1-401-823-7800

Internet: http://www.sas.org/