Cost: $0-100
About These Ratings
Difficulty: Beginner to intermediate Danger 1: (No Hazards) Utility:

------------------------

About Little Computers That Solve Puzzles and an Experiment on the "Gyroscopic Eye"

---------------------

by Albert G. Ingalls
March, 1955

---------------------

SOME OF OUR ACQUAINTANCES HAVE been having a great deal of fun with a new solution for the old problem of entertaining tongue-tied guests. They call their invention "pircuits," short for puzzle circuits-electrical switching systems which play a game or help solve a puzzle. "Just hand your silent friends a pircuit," say the enthusiasts, "and they will retire in delight to a corner for the rest of the evening."

A growing band of amateurs is becoming interested in making these puzzle circuits. The devices are greatly simplified digital computers, made with a few relays, signal lamps and other simple elements. The necessary batteries, wiring and so on are enclosed in a small box, and on it is an array of switches, push buttons and lights with which you play a game or solve a given puzzle.

A pircuit differs from the more elaborate computer chiefly in the way information is fed into the machine and processed. Instead of getting its information from a perforated tape and carrying out the subsequent computations automatically, the pircuit has the information built in, and the player directs its operations by manipulating keys or buttons.


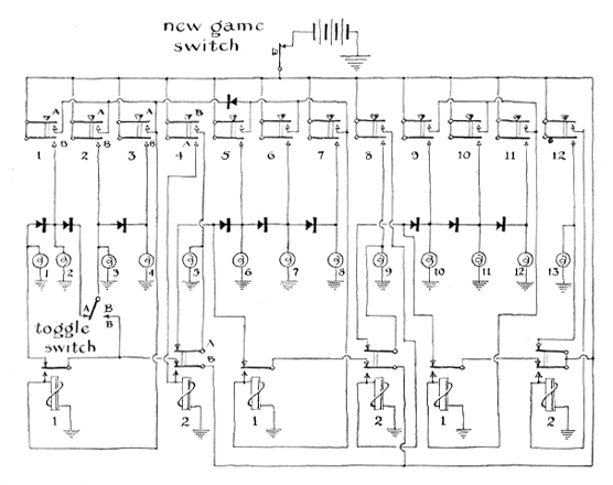
Figure 1: A circuit for the "battle of numbers" game

Designing and building these entertaining gadgets combines the age-old fascination of puzzle solving with that of performing electrical experiments. Those who have taken to the new hobby are quick to point out, however, that its satisfactions go beyond the mere production of ingenious playthings. You gain an insight into the nature of games and puzzles which acts as a powerful stimulus to the imagination. The theory of equations, probability, topology, the infinitesimal calculus-all these, as Edward Kasner and James R. Newman pointed out in their book Mathematics and the Imagination, have grown out of problems first expressed in puzzle form.

Pircuit making does not require an extensive background in mathematics, although a knowledge of the elementary principles of symbolic logic comes in handy. Essentially puzzle solving involves discovering a logical relationship among terms which has been buried beneath an ingenious pattern of rhetorical statements. The solution can be made easier by restating the puzzle in simple language. When this is done, certain key words generally stand out. These include: "and," "or," "yes, " "no, " "either but not both," "but not" and others [see "Symbolic Logic," by John E. Pfeiffer; SCIENTIFIC AMERICAN, December, 1950]. Such words can be represented by patterns of electrical keys, relays, diodes and related parts common to switching systems. The first steps in designing a pircuit, therefore, consist in restating the puzzle in simple terms, arranging the elements in logical sequence and substituting electrical counterparts for the key words.

An avid pircuit-maker is Harry Rudloe, a 16-year-old high-school boy of Brooklyn, N. Y. He writes:

"The first project I attempted was the design of a circuit to represent the 'battle of numbers' game. As this game is usually played, opponents take turns picking up matches from a pile of 13. A player may pick up one, two or three r matches at a time, and the one forced to pick up the last match loses.

"In my machine a row of 13 signal lamps is substituted for the matches [Figure 1]. Push-button keys control the lamps. At the beginning of a game all 13 lamps are lighted. The machine's opponent opens the game by flipping a toggle switch which gives either himself or the machine the first move. The player makes his move by depressing the key which turns off the number of lights he chooses, that is, the one he presses and all those to the left. When he releases the key, the machine registers its move.

"An analysis of the game discloses that a win can be forced by the player who moves second. Consider the first 12 lamps (left to right) as consisting of three groups of four lamps each. If, after the first player has put out one, two or three lamps, the second player puts out the remainder in each group, he cannot fail to win, because only the 13th lamp will remain lighted after all lamps in the three groups have been extinguished in this sequence. Thus, if the machine is designed with built-in instructions to follow this strategy, it will always win when the opponent elects the first move. It will also win even when it is required to make the first move if the opponent fails to figure out the winning strategy and carry it out without a mistake; if any lamps in a group remain lighted after the opponent has made his move, the machine will invariably seize the advantage. The opponent can win only by electing to make the second move and playing a perfect game.


Figure 2: "And-but not" circuit

"Each group of four lamps is controlled by a circuit identical with the others. The diagram here denotes by the letters A and B some of the possible opening moves. Consider first a game in which the machine wins. The toggle switch has been thrown to position A, indicating that the machine's opponent moves first. He can put out one, two or three lamps by operating the first, second or third key, respectively. Contact spring A on the operated key transmits an impulse to relay 1 (associated with group 1 ) . The relay locks down, because its winding receives power through the lower contact from its spring ( connected to the battery through the upper contact and spring of relay 2 of group 1). This cuts off power to some of the lamps in the first group of four. The lamp associated with the key and those to its left will go out-but not those to the right of the key. Observe that 'but-not' elements ( diodes ) are inserted between each pair of lamps in each group. Contact B of the key now transmits power to the lamps at the right of the key but not to those at its left. This completes the opponent's play He now releases the key-which initiates the machine's play. Contact B opens, cutting off power from the alternate 'but-not' circuit to all remaining lamps of the group. This registers the machine's move.

"Now consider a game in which the machine has the losing side. The toggle switch is operated to position B. This cuts off power to the first two lamps and constitutes the machine's first move. The opponent gains the advantage by depressing key 4 and thus extinguishing the remaining lamps in this group. The contact spring A on this key transmits an impulse to the winding of relay 2 in group 1, and the relay locks down through its bottom contact (by means of power supplied through spring B). Spring B of relay 2 acts as an 'either-or' element, supplying power either to the first group of four lamps or to its lockdown contact. This prevents power from entering the first group of lamps for the remainder of the game. Spring A on relay 2 cuts out the first lamp in the second group of four. Contact B on key 4 continues to supply this lamp with power, however, until the key is released. The machine could be designed so that this play would put out either the first, second or third lamps of group 2. It could not, however, capture the advantage by any of these plays. Hence in the interest of keeping the circuit as simple as possible I confined the machine's choice of play to the first lamp. This tactic also gives the opponent the maximum choice of plays-and the maximum opportunity for making an error! The opponent can now preserve his advantage by operating key 8. This extinguishes the remaining lamps in the second group. The machine will reply by putting out lamp 9. The opponent then operates key 12, putting out the remaining lamps in the final group and forcing the machine to lose by putting out lamp 13. None of my friends has yet discovered the simple winning strategy of this game, although a few have won by accident.


Figure 3: The puzzle of the farmer, the goat, the cabbage and the wolf

"My second machine was designed ' around a simple ancient puzzle of the permutational variety. This puzzle generally takes the form of confronting a person with the problem of ferrying himself and his possessions across a river under frustrating circumstances. Its original author is supposed to have been the 8th-century scholar Alcuin, a friend of Charlemagne.

"Take the case of the farmer who wants to ferry a wolf, a goat and a head of cabbage across a river in a small boat which can hold only himself and one of his possessions. For obvious reasons, he ' must never leave the wolf and the goat alone, or the goat and the cabbage alone. The problem involves three key words: 'either,' 'and' and 'or.' We can symbolize the conditions of the puzzle by a circuit with four toggle switches [see diagram at top of the next page]. Analysis of the puzzle shows that a trouble situation occurs when the farmer is on the opposite side from the goat and either the wolf or the cabbage is on the same side as the goat. The function of the machine is to signal trouble (by flashing a light) so that the player can switch it off and start again; he wins if he gets all four items across the river without a 'trouble' signal.

"This pircuit is a nice project for the beginner, because it can be wired up in a single evening from materials that cost less than $5 if purchased new and as little as 75 cents on the war-surplus market. The circuitry for the puzzle was fully described and discussed in this department in the issue of May, 1953.

"In the 16th century Niccolo Tartaglia, the Italian mathematician and inventor, suggested a somewhat more elaborate version of the same puzzle. Three lovely brides and their jealous husbands must cross the proverbial river in the small boat, holding only two people. Each husband insists that the crossing must be so arranged that his wife is never in the company of another man unless he, the husband, also is present.

"A circuit representing this situation is developed by following the same elementary rules of symbolic logic as in the simpler farmer problem. Your friends will find the machine more interesting if you install signal lamps to indicate the location of each character as play progresses. A convenient circuit for accomplishing this employs a relay equipped with front and back contacts (an 'either-or' arrangement) and a pair of double-pole, single-throw keys. This 'transfer' circuit is identical for all characters in this as well as in other puzzles. The diagram at the bottom of the next page shows the circuit for one character. All the contact springs are assumed to be connected to the battery unless otherwise indicated. Operation of the 'cross' key closes the bottom contact of the relay and thus energizes the relay's coil. The armature accordingly locks down through the bottom contact of the 'return' key. In effect the arrangement constitutes a memory circuit and relieves the player of the need to keep account of his moves or reconstruct them by inspecting the position of the toggle switches (or relays, whichever are used for constructing the trouble circuit). Operation of the return key releases the memory relay. The 'break' contacts of all keys are wired in series and supply power to the trouble circuit. When the player wishes to send a pair of characters across the river, he operates the key representing one character and, before releasing it, operates the other key. Power is thus prevented from entering the trouble circuit until the move is completed.

"As in the farmer problem, the trouble signal operates whenever any husband is on the opposite side of the river from his wife and she is in the presence of either or both of the other husbands. The trouble circuit is shown at the bottom of the opposite page. Although the diagram omits mechanical linkages, it is understood that all the switches associated with the same character, H1, for example, operate in unison and in the same direction. They may be linked mechanically (toggle switches) or electromagnetically relays. For simplicity relay coils have been omitted from the diagram of the trouble circuit.

"In a still more complex version of this puzzle, the husbands and wives become missionaries and cannibals-three of each. Same river, same two-passenger boat. All the missionaries can row. Only one cannibal can row. If the cannibals on either side of the river outnumber the missionaries at any time- into the stewpot go the missionaries!


Figure 4: Part of the circuit for the puzzle of the three brides and their jealous husbands

"Outnumbering may occur in these combinations: three to two, three to one and two to one. The complete trouble circuit is shown at the top of page 120. Its action is easier to follow if you divide the circuit into three parts [see page 121] and examine them one at a time. The missionary configuration [top] will register trouble if proper cannibal circuits are closed when any two missionaries are opposite the third missionary. Circuit 1 [middle] conducts when any two or three cannibals are on one side of the river. It also shows which side they are on. Circuit 2 [bottom] similarly indicates when all three cannibals are on the same side of the river and which side they are on. In combination, the three configurations register all the possible trouble situations: (1) when all three cannibals are on the same side with just two, any two, missionaries, (2) when any two or three cannibals are on the same side with a lone missionary.

"After constructing a variety of games and puzzles with built-in 'intelligence,' I became interested in the problem of designing a machine with the ability to learn from experience and apply its acquired knowledge in avoiding future mistakes. Claude Shannon's famous 'mouse,' which investigates a maze and learns how to avoid blind passages by trial and error, fascinated me and I decided to have one of my own.


Figure 5: Details of the foregoing puzzle

"His mouse is a simple bar magnet enclosed in a mouse-shaped covering and equipped with copper whiskers which 'ground' the mouse upon contacting the brass walls of the maze. It is moved by other magnets concealed beneath the maze. Its 'brain' is located outside the maze. I wanted a self-contained mouse-even if that meant building him the size of a jack rabbit.

"I could not find any published circuit information on Shannon's mouse, but after consulting a few books on switching systems I finally succeeded in designing and constructing a mouse which can learn any maze with the following properties: (1) the correct passage leads to a fork; (2) every fork leads into two passages, one of which is a dead end; (3) there are no more than three forks and dead-end passages. This last limitation was imposed by the size of my pocketbook, for the cost goes up with the complexity of the maze and the necessary increase in the mouse's memory capacity. Cost also prevented my mouse from being completely self-contained; its power supply and brain are located outside the maze.

"The mouse is powered by two motors, each driving a front wheel. Its rear is supported by two contact shoes which slide over a pair of electrically independent metal strips fastened to the floor of the maze. One strip serves as a ground return. The other strip supplies juice to one of the motors; the second motor gets its power by way of a trolley fastened to the ceiling of the maze. Information is transmitted from the brain to these motor 'muscles' through the conducting strips. Steering is accomplished by cutting off power to one or the other of the driving wheels, as in the case of tread-equipped tractors and bulldozers. Friction against the sides or walls of the maze is reduced by mounting rubber wheels on each side of the mouse. They also help the mouse negotiate dead-end passages. These dead ends terminate in circular or 'cheesebox' walls which force the mouse through a 270-degree turn. By pivoting an additional 90 degrees the mouse can leave the dead-end passage and continue to the next fork without reversing its motors.


Figure 6: The puzzle of the missionaries and the cannibals

"If it is to profit from experience, the mouse must be fitted with some means of sensing its environment, of storing this information and of drawing upon it for subsequent use. As a minimum, the creature must be able to count the forks as it proceeds through the maze and remember where it went wrong in the sequence; for instance, if a right turn at fork 2 led to a dead end during the exploratory run, it must remember and go left at the same fork the next time.

"This information is sensed by means of three 'organs,' all composed of microswitches. The first group of microswitches is distributed along the ceiling of the maze-one at the entrance of each fork. This sequence of switches advises the brain whenever the mouse comes to a fork. The second set of switches, mounted on the walls, signals the mouse whenever it arrives at a dead end. The third group of switches, also wall-mounted at the entrance to each straightaway passage, informs the brain that power should be restored to both motors. All switches of each group are wired in parallel.


Figure 7: Details of the foregoing puzzle

"The mouse's brain consists of three basic elements: 'neurons' for remembering (in the form of two relays for each fork), an associative device (a stepping switch ) and an element enabling the mouse to choose a fork at random when it does not know which is correct. The heart of the latter element is a motor-driven rotary switch which is alternately conducting and nonconducting.

"When the mouse first enters the maze, both of its driving motors receive power through a master relay. The mouse accordingly proceeds to the first fork. Here an impulse from the fork sensor signals the brain. As a result: (1) the master relay cuts off power to the motors; (2) a secondary relay then supplies power to one or the other of the motors, depending upon the position of the rotary switch at the moment; (3) the stepping switch advances to the first set of contacts through which the memory relays are actuated. The mouse, powered by one motor, turns to the right or the left as the chance position of the rotary motor has selected. Now the straightaway sensors advise that a straight passage lies ahead, actuate the master relay and restore power to both motors. The mouse proceeds through the passage.

"If the mouse reaches a fork at the end of the passage, the cycle of operations repeats. The mouse has learned nothing. If the passage leads to a dead end, however, the memory relays come into action. The dead-end sensor transmits a pulse through the appropriate spring of the stepping switch and thus locks down either a 'right-turn' or 'left-turn' memory relay. With this information stored, the mouse negotiates the circular wall of the dead end and proceeds to the next fork. The mouse thus learns only from hard experience. Chance may lead it through the maze successfully on the very first run. In that case the mouse emerges from the experience as ignorant as though the run had not been made. On the other hand, chance may cause it to explore every dead end in the course of a single run. If it does, the mouse has learned all there is to know: it will never make a mistake again!

"The mouse's memory works this way: When it reaches the first fork on a second run, the fork sensor transmits an impulse which advances the stepping switch to the first set of contacts and trips the master relay, cutting power to both motors. If neither relay is locked down, the mouse chooses at random. But if one relay is locked, its break contact inactivates the random-choice circuit, and a set of 'make' contacts on the same relay feeds power to the motor that turns the mouse in the correct direction."

Rudloe's mouse can scarcely be called a "thinking" creature. Yet it demonstrates that with a few hand tools and junk parts an amateur can design and build a machine endowed with the ability to exercise free choice, learn from experience and apply its knowledge. Th schematic diagram of Rudloe's mouse could not be fitted into the space of these columns, but a copy of it and a detailed analysis of its circuitry will be mailed to anyone who requests it and sends a stamped, self-addressed envelope.


Figure 8: The eye with the head in its normal upright position

Figure 9: The eye with the head rotated sideways 90 degrees

Figure 10: The eye with the head rotated 90 degrees in the other direction

 

 

 

 

 

 

Last November Henri Morgenroth, a consulting engineer of Santa Barbara, Calif., suggested an interesting research project to readers of this department which he thought might be within the capabilities of amateurs. The project was inspired by the article in this department of March, 1954, on the gyroscopic (self-leveling) eye of the copperhead snake. Morgenroth, who had confirmed this phenomenon not only in snakes but also in fish and turtles, wondered why these animals need "gyroscopic eyeballs" when other creatures do not, "or if others have them, which species do-and why?" What sort of evolutionary adaptation, Morgenroth wondered, had freed the higher-order vertebrates from the necessity of eyes with freedom of movement in three dimensions? He suggested that amateur zoologists make a start on the puzzle by observing eye movements.

Much to Morgenroth's astonishment, letters immediately poured in from critical readers-some from prominent physiologists. All denied that the eyes of vertebrates could rotate only in two dimensions! "I hate to spoil the fun," wrote one, "but you have no problem to investigate. All vertebrates have eyes." Wrote another: "This rotation can easily be observed by looking into a mirror. If one picks a portion of the iris pattern as a point of reference and tilts his head from side to side he will see his eye rotate about its visual axis a distance of 70 to 80 degrees." A third remarked: "It would be cruel and destructive to perform a step-by-step dissection on the 'gyro-eye' article. Actually Mr. Morgenroth writes in a very interesting and scholarly manner. We can only: wish that the discussion did not depend entirely on the conclusion that the eyes of higher animals do not rotate when they tilt their heads."

In support of their criticisms most of the correspondents referred Morgenroth to the book Physiological Optics, by A. von Tschermak-Seysenegg.

During the course of his investigation Morgenroth had looked not only into books but also into a mirror. He had found that his own eyes showed so little cyclorotation when he turned his head sideways that they could be considered 2F (rotating only in two dimensions).

To find out whether Morgenroth's eyes were unique, we consulted a number of physiologists who study eye movements outside books and the dissection theater. None had made an exhaustive investigation of cyclorotation. So we invited some 50 friends to cooperate in an experiment. The subjects were strapped one at a time to a steel framework which could tilt them to a horizontal position on either side. Rigidly fixed to the frame was a 85-millimeter motion-picture camera. The camera could be focused, close up, on either of the subject's eyes. Starting from the upright position, pictures were made as the subject was rotated slowly sideways, first 90 degrees to the right, then 90 degrees to the left. Any rotation of the subject's eye could be measured by a change of position of natural markings on the pupil.

Measurements of the resulting photographs showed that the eye rarely rotated more than two degrees to the side and never more than six degrees-notwithstanding the authorities who speak of 70- to 8O-degree movement! The amount of eye rotation did not increase even when subjects were kept in a horizontal position for as long as 10 minutes. A typical set of these photographs is reproduced at the left.

 

Bibliography

DESIGN OF SWITCHING CIRCUITS. W. Keister and others. D. Van NOstrand Company, 1952.

MATHEMATICS AND THE IMAGINATION. Edward Kasner and News Newman. Simon & Schuster, Inc., 1940.

 

Suppliers and Organizations

 

Fry's Electronics retails over 30,000 electronic items within each store. Fry's has been keeping hi-tech professionals supplied with products representing the latest technology trends and advances in the personal computer marketplace for 15 years. Fry's has become the place where a technical customer can shop with confidence and comfort.

 

The Society for Amateur Scientists (SAS) is a nonprofit research and educational organization dedicated to helping people enrich their lives by following their passion to take part in scientific adventures of all kinds.

The Society for Amateur Scientists
5600 Post Road, #114-341
East Greenwich, RI 02818
Phone: 1-401-823-7800

Internet: http://www.sas.org/