Cost: $100+
About These Ratings
Difficulty: Advanced; special skills needed. Danger 1: (No Hazards) Utility:

------------------------

Portland Observatory. Mahar-Thomas Tester. Reflector Lenses and Materials.

---------------------

by Albert G. Ingalls
April, 1948

---------------------


Figure 1: Portland's observatory

PORTLAND, OREGON, CONTAINS an energetic group of enthusiasts, the "Portland amateur Telescope Makers and Observers, of which Howard Thomas, N.W. Hoyt Street, is the president. A 20 1/2" Cassegrainian reflector (Figures 1, 2, 3,) designed by Col. Alan E. Gee "A.T.M.A." page 320) and built with the help of A. E. McIntosh, both of that group, is an ambitious job such as workers who have made half a dozen smaller telescopes may aspire to tackle as a climax.

The massive, chunky polar axis unit (Figure 2) consists of a rectangular yoke like the one on the 200" telescope, at its bottom a central stub shaft, at its top a "horseshoe" permitting the telescope to view stars fully down in line with the axis, a design feature originated by Porter. The sides and bottom of the yoke are welded of 6" by 8" I-(C.B.) beams and the horseshoe is full 1" steel plate. It rolls on ball-bearing trunnions on a concrete pier. The stub shaft at bottom is 3 1/2" in diameter and is carried in self-alining steel balls. It carries a 20" bronze worm drive wheel with self-computing slip ring (Figure 3).


Figure 2: The 20 1/2" telescope

The 20 1/2" mirror is one made in 1936 by C. R. Tinsley and is a tenth-scale honeycombed Pyrex 716 replica of the 200" mirror. It has a 33-rib support system designed by Gee and built by McIntosh. Its 80" focal length gives focal ratio f/4 which a 6" convex secondary mirror extends to f/12 or a 4 1/2" secondary mirror to a seldom used f/20.

For the famous Foucault knife-edge test, which reveals at a look irregularities as small as a millionth of an inch on a telescope mirror, a dulled razor blade mounted vertically on a weighted stick is sufficient-not alone sufficient but many old hands say just as good as something fancy. Nevertheless an apparatus like the one in Figures 4 and 5, built by T. P. Maher and H. D. Thomas of the Portland organization, has points. Anyway, it is fun to build one.

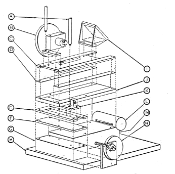
The levitated drawing (Figure 5) reveals parts:

A: Knife-edge and lamp support.

B: Lucite (2 1/2") hand wheel, block, eccentric bushing. Assembly held in place by 8-32 machine screws through to base plate of apparatus.

C: Way and slide of 1/8" brass. Pinion rack sweated to it.

D: Brass shims (0.015") for bearing plates to prevent slide from riding on Lucite scale.

E: Cross feed slide and way.

F: Bearing plate (1/8") for E.

G: Maple, 7/8" X 1 l/2" X 4".

H: Base plate, 3/8" X 6" X 8" boiler plate, purposely heavy. Has three rivets beneath for stable support.

I. Prism (1 1/4") mounted on knife-edge slide to permit reading the Barr's 11 scale ("A.T.M.A.," page 28) from a convenient testing position.

J: Barr's scale ruled on Lucite sheet, 2 1/2" X 6". Black photographic tape acts as a light stop on three sides of this block.

K: Cross feed nut.

L: Lamp to illuminate Barr's scale through edge of Lucite block. Scale shows as bright line on black background, easy to read in darkened room. Use 6-8 volt radio pilot lamp.

M: Maple, 1 1/8" X 2 1/2" X 4 7/8", doweled and glued to G.

N: Cross feed screw and Lucite hand wheel. This could be graduated and illuminated in the same manner as the Barr's scale.


Figure 3: The drive and worm

The pinhole illuminator is a flashlight bulb in a brass mounting. A condensing lens, prism, and ground glass are in the train to pinhole. Spring clips on knife-edge holder and lamp permit quick change from pinhole to slit, knife-edge to Ronchi grating. Support clamps on lamp and knife-edge stand are common 1/4" oil line compression Ts. The Ts are drilled out to pass the 1/4" rod, and compression ferrule split so it grips rod on slight twist of nut. This feature has worked very satisfactorily, affording easy raising, lowering, and minor adjustments.

Door-bell transformer (Figure 4) supplies power for all lighting.

Instrument weighs eight pounds.


Figure 4: Maher-Thomas tester

The same Portland group devised a kind of Robinson Crusoe method of ruling divided circles without lathe or dividing head. A 50' steel tape was laid out in a square 100" on a side. To obtain square corners, and to avoid injuring the tape, a loop of excess tape was allowed at each corner, and each side of the square was stretched separately with strings tied on. The square was squared within 1/16" by measuring the diagonals. Disk to be ruled was set at exact center. On it was set a 5-power telescope with cross-hairs at points based on tangents of desired angles.

An engraver made of drill rod running against a guide made the marks. Spacings down to five minutes of arc were obtainable without introducing fictitious accuracy. This method is also independent of tape expansion.

The circles made look like dividing engine jobs.


Figure 5: Parts for Figure 4

INTEREST in refractors steadily increases but crown and flint blanks have been almost unobtainable since the war. Check over the known sources. B. and L. hasn't acted interested in sales to amateurs. Corning now makes some 15 types of optical glass and will sell-if you need half a ton. A West Coast supply has petered out. A year's effort by this department to arrange a supply with the English Chance Brothers came to naught. The French Parra-Mantois glass is apparently unavailable and the German plant at Jena was lugged home by the Russians. "What is left," writes one amateur (G.D.H.), "for the poor Joe Doke who wants to grind a telescope lens?"

The pointed comment just quoted was shown, last August, to the Col. Alan Gee mentioned above in connection with the Portland group and who had just moved to Rochester, N. Y., (129 Seminole Way) sent there by the Army to study advanced optical design at the University of Rochester. He promptly went to Bausch and Lomb, talked with their Manager of Specialty Sales, J. F. Brandt, and on behalf of his fellow amateurs (once an amateur always an amateur), completed arrangements by which the amateur now may get his glass.

Available from Brandt after April 1 will be, not a wide selection of crowns and flints but the following as a postwar starter: A 3 1/2" pair, BSC-2 (1.5170,64.5) and DF-2 (1.6170,36.6) $11 postpaid; optional: tool blank of C-50 at $3.25. A1so 4 1/2" same glasses $21.75, postpaid. Tool blank, optional, $4.25.

"The disks," Brandt writes, "will be made of our regular instrument glass such as we use in all our instruments and due regard will be given to the quality demanded for astronomical objectives of this size. We have set the price on these and are putting in this stock entirely with the idea of being of some service to the amateur telescope maker. We are largely guided by the fact that you have felt that there should be more refractors made by amateurs and are making commercially available a stock of glass to back you up. We are sorry it has taken so long to accomplish anything, but

you can well imagine that under today's circumstances many a problem , like this gets kicked around a bit before a chance comes to do something about it. The sets will be in stock April 1 at the latest. The sales will be made direct from the factory only, and not through dealers since this is entirely a service proposition."

Just why this particular glass? It was suggested by Col. Gee. "These," he writes, "are the two for which Baker gives all the curves for four different types of objectives in Dimitroff and Baker, 'Telescopes and Accessories', pages 28-29." Asked about these objectives, Dr. Baker indicated that nothing had been said in "Telescopes and Accessories" of their excellence; they were merely inserted poker-face.

"I had my tongue in my cheek, back in '44," he writes, "when I put the refractor designs in the book on telescopes with Dimitroff. For the separated doublet offers a correction within a very small fraction of the Rayleigh limit, both for spherical aberration and coma, and is as good as can be done short of special glasses not available to amateurs in general. I wonder how many amateurs took the design seriously. We made up a 6" of the kind during the war and had excellent luck. The design can be carried even to f/3.5 before departing from the Rayleigh limit."

Gee's selection of B. and L's Brandt's glasses for Baker's objectives looks like I a happy inspiration. Another worker's comment is: "Of course, the glasses will not exactly match the general catalog index except in rare instances but will vary in the fourth decimal place. But this, while objectionable in the very finest possible objectives, can largely be accommodated by varying the separation of the two components. A really top-class design calls for trigonometrical ray tracing to eliminate some of the aberrations, as only spherical aberration can be eliminated by local figuring. Not 'any old design' calculated from the general formulas for curves with algebra will give highly satisfactory results."

NOW FOR some long overdue tactlessness. Let's be rough and get it over with. For many years large optical firms have received SOS letters from amateur telescope makers. No doubt the following is exaggerated. "I am making a telescope using your goods and my troubles this week are a turned edge, zones, scratches, pits. The enclosed beautiful drawing shows my shadows. If it weren't for the edge, the zones, the scratches, and the pits, would this be a paraboloid or must I go back to grinding? If so, to what stage? Answer soon by air. P. S.: Please include all you know about abrasives, pitch, strokes, pressure, and testing."

Men in these firms like amateurs, envy their fun, want to be agreeable, but aren't altogether free. Answering these Mr. Anthony letters takes long hours, costs money. Let's send them to Dorothy Dix or others and not spoil our "in" with the big boys.

 

Suppliers and Organizations

Sky Publishing is the world's premier source of authoritative information for astronomy enthusiasts. Its flagship publication, Sky & Telescope magazine, has been published monthly since 1941 and is distributed worldwide. Sky also produces SkyWatch, an annual guide to stargazing and space exploration, plus an extensive line of astronomy books, star atlases, observing guides, posters, globes, and related products. Visit Sky Publishing's Web site at www.skyandtelescope.com

Sky Publishing Corporation
49 Bay State Road
Cambridge, MA 02138, USA
Phone: 800-253-0245 (U.S./Can.), +1 617-864-7360 (Int'l.)
Fax: +1 617-864-6117
E-mail: skytel@skypub.com

The Society for Amateur Scientists (SAS) is a nonprofit research and educational organization dedicated to helping people enrich their lives by following their passion to take part in scientific adventures of all kinds.

The Society for Amateur Scientists
5600 Post Road, #114-341
East Greenwich, RI 02818
Phone: 1-401-823-7800

Internet: http://www.sas.org/



At Surplus Shed, you'll find optical components such as lenses, prisms, mirrors, beamsplitters, achromats, optical flats, lens and mirror blanks, and unique optical pieces. In addition, there are borescopes, boresights, microscopes, telescopes, aerial cameras, filters, electronic test equipment, and other optical and electronic stuff. All available at a fraction of the original cost.

SURPLUS SHED
407 U.S. Route 222
Blandon, PA 19510 USA
Phone/fax : 610-926-9226
Phone/fax toll free: 877-7SURPLUS (877-778-7758)
E-Mail: surplushed@aol.com
Web Site: http://www.SurplusShed.com