Cost: $0-100
About These Ratings
Difficulty: Beginner to intermediate Danger 1: (No Hazards) Utility:

------------------------

The 200" Hale Mirror

---------------------

by Albert G. Ingalls
January, 1942

---------------------

JUST WHAT IS THE PRESENT STATUS of the 200" telescope mirror that is being made in California? What troubles have been encountered in the work, and how have these been dealt with?

From time to time the newspapers have stated a few facts-and some fancies. Three long articles in Scientific American (May 1936, November 1936, August 1938) stated many precise facts because they were written by the men who are making the telescope. Yet, even these did not fully satisfy those of this magazine's readers who are amateur telescope makers. This 10,000-sized minority of readers has wanted special, technical details not watered down for the general, non-telescope making reader.

This column therefore invited Dr. J. A. Anderson, who has lived with the actual work throughout, to describe the mirror part of it specifically for the amateur telescope maker, and in the lingo of the work. This is why the article presented is published in this department and not "up front."

The following is the first half of a two-part article by Dr. J. A. Anderson who, since 1916, has been chief optical expert at the Mt. Wilson Observatory and, since the start of the 200" telescope work, executive officer for it at the California Institute of Technology where the great mirror is being made.


Figure 1: Back of the big disk

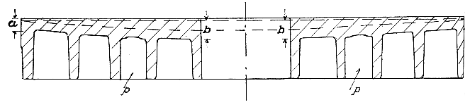
"THE 200-inch mirror disk was cast at the Corning Glass Works in March, 1935, and arrived at Pasadena in April, 1936. The structure of the disk is indicated by the oblique photograph reproduced in Figure 1, showing the back and rim, and the diagram, Figure 2, showing a section along the line AA of Figure 1. In general it may be described as a continuous glass front supported by a system of glass ribs, so designed that when a concave curve is cut in the front surface (shown by the dashed line in Figure 2), the thickness of the glass shall be nearly the same everywhere. This construction was chosen in order to reduce the 'temperature inertia' ['Temperature inertia' is a convenient term to indicate the length of time required for the temperature to reach equilibrium with the surroundings. -Ed.] of the disk as a whole to a low value. It also makes it possible to bring the point of support of each supporting lever close to the center of gravity of the weight to be supported. For this purpose there are 36 circular openings in the rib system to accommodate the same number of supporting levers. Figure 3 shows one of the supporting units which is 'double-acting'; that is, it takes the place of both the ordinary back and edge supports.


Figure 2: Section along line AA in Figure 1. p,p are openings for supporting units. In the casting, thickness at a,a was 6", at b,b 9 3/4". In finished mirror (lower dashed line) thickness is approximately 4". Overall thickness at edge is 24". Finished weight, nearly 30,000 pounds.

"The work of shaping this disk into a finished mirror is not essentially different from that required for a smaller mirror familiar to all amateur telescope makers. Front and back must be ground flat and parallel to each other, and the edge ground to the form of a reasonably good circular cylinder. In addition, the 200-inch required that the 36 circular openings for the supporting levers be ground internally to very definite dimensions. An important difference arises from the great size and weight of the 200-inch; namely, that machinery is called for at every turn-and rather heavy and slow moving machinery at that.

"For the rough shaping a half-sized tool of cast iron was prepared. Its weight was about seven tons. It was made thick enough to be used first as a flat grinder and later on to be turned convex for roughing out the concave curve of the mirror. All other tools, including one of full size, were built up of thin sheet-steel plates welded together. These are much lighter than cast tools of the a same size and they have also be found to be superior in rigidity. The working surfaces of these tools are covered with glass blocks which are used uncovered for grinding and covered with pitch substitute for polishing. The weight of the full-sized tool shown on the floor to the left Figure 4) is about five tons.

"In order to grind the back surface to a tolerably good plane, it was necessary to fill up the openings between the ribs. Little wooden tables were made and fitted into these openings in such a way that the tops of the tables lacked about 2" of being flush with the ribs. Plaster of Paris was then used to complete the filling. Only in this way was it possible to grind the surface to a true plane. This done, the cavities were cleaned of plaster and tables and the disk turned over in preparation for the next step, which was to grind the face plane and parallel to the back.


Figure 3: Lever mirror support

"Normally, this should have required a relatively short time, but actually it took many months, chiefly for the following reason: Corning had a considerable flood in 1935 while this disk was in the annealing oven Water covered the floor of the room where the annealing was in progress to such a depth that it was necessary to shut off the current for about three days. A temperature drop of rather large amount was the result, but as soon as conditions permitted the temperature was slowly brought up to normal value and held there constant for a time. Then the regular progress of slow cooling was resumed. When, in late October 1935, the disk was examined, it was found quite successfully annealed, but there were some bad-looking fractures in the front surface. The immediate cause of these fractures was clear, for a couple the chrome-iron I-beams of the cover had sagged enough to become partly imbedded in the hot glass and, as the cooling proceeded, strains due to the differential expansion of iron and glass did the trick. One has a feeling that this would not have happened if there had been no interruption in the cooling but, of course, this can now never be known with full certainty.

"The obvious thing to do was done; namely, to remove the fractures by sand blast and so find out whether sufficient thickness of glass remained to make a good mirror. The deepest excavation made in the sandblasting was over 5" deep but it was near the center of the disk, so it would still be possible to grind the concave curve and have a glass thickness of 4" left. If the disk had come out as planned, this thickness could readily have been 6" or a little more, which might have been an advantage if rigidity alone is considered. A thickness of 4" is, however, slightly better from the point of view of low temperature inertia, since all the ribs have about this thickness.

"It was decided that, instead of merely making the front surface into a true plane, the extra 2" of glass should be ground off before establishing the plane and making the disk parallel. This 2" of glass represented a weight of 2 1/2 tons and used up five tons of coarse Carborundum. Later on, another 2 1/2 tons of glass would have to be removed in cutting the concave curve.

"Grinding the edge was the next operation. This was done face down, with the face of the mirror raised some 8" above the turntable by inserting suitable timbers. The grinding was done with a rotating hollow cylinder of Carborundum fed with water and Carborundum powder. The 40" central hole was ground to size in this same set-up.


Figure 4: Five-ton, full-sized steel tool. Grinding and polishing machine in rear.

"The next step was grinding the 36 cylindrical holes designed to admit the supporting levers. The axes of these cylinders should be perpendicular to the parallel planes of the front and back already established, and, in addition, their spacing should be adjusted to form a regular geometrical pattern. A special 'pocketgrinder' had been prepared, carrying at its lower end a cast-iron hollow cylinder about 11" outside diameter. The rotating shaft carrying this cylinder could be given a slow motion in a circle having a radius variable slowly and accurately from nothing up to whatever the size required for t he finished 'pocket.'

"The 36 pockets lie on five concentric circles, six on each circle except the fourth one (counting out from the center), which has 12. On circles 1, 2, 3, and 5 they are 60 degrees apart, while on the fourth circle they are spaced in six pairs 60 degrees apart, the members of a pair being separated by an angle a little less than 22 degrees. The whole operation of grinding these pockets was completed in about three months.

"Next the turntable of the grinding machine was covered with two layers of 1" sponge rubber and the mirror placed face-up on this bedding. In order to insure as uniform a support as possible the compression of each sheet of sponge rubber was carefully measured under a fixed load, and only those pieces whose compression was within a narrow range of being the same were applied to the table.

"The glass plug to fill up the 40" hole in the center of the mirror had been ground cylindrical to a suitable diameter, and it had to be inserted and fixed in place in such a way that, when the mirror is finished, it can be easily removed without any danger of harming the figure of the mirror. As the plug weighs about 1400 pounds, this did not look too easy. It was accomplished as follows: A wooden lifting clamp was applied to the upper half of the plug, leaving the lower ribbed section of about 15" projecting below the clamp. A cake of ice about a foot thick was placed on the table in the center of the hole. By means of the crane it was then possible to rest the plug on the cake of ice. The clamp was removed and the ice melted, thus lowering the plug gently into its proper position, after which it was fixed in place by means of plaster of Paris and waterproof cement.

"Before cutting the curve the support system was installed. This operation took approximately eight months. In preparation for it the weight to be carried by each of the 36 units had been calculated on the basis of careful measurements on the disk itself. Each support pocket was taken as the center of a hexagonal section of the disk. The hexagons around the central hole (Circle No. 1) and those adjoining the outer edge (Circle No. 5) are not complete, which fact complicated the calculations only slightly. The calculations furnished the weight to be carried by each unit and also located the center of gravity of each arbitrary section of the disk, thus giving the necessary data for each counterweight and for locating the internal points of application of the supporting force. Each support (Figure 3) was carefully adjusted and tested on a weight equal to that which it was intended to carry before it was attached to the mirror and its cell Provision was made for temporarily disconnecting all the supports when work was in progress with large tools. They were, however, connected properly when an optical test was to be made.

"The curve was roughed out with cast-iron tools of about one third size, and brought to approximately correct form by means of the half-sized tool already mention' after which the glass-coated full-sized tool and the finer grades of Carborundum and emery finished the grinding. Measurements of curvature were made with a 36" spherometer Next, the full-sized tool was changed to a polishing tool, as already explained, and the surface brought to a nearly full polish. It was found that the full-sized tool used up rouge at the rate of some 50 pounds per hour mostly by simply splashing it over the edge, hence subsequent polishing and figuring was done with smaller tools-106" and down to about 12"."

Next month: Troubles. Tests. This part will explain the delays that puzzled the public: the disk developed a case of curable ptosis.

 

Suppliers and Organizations

Sky Publishing is the world's premier source of authoritative information for astronomy enthusiasts. Its flagship publication, Sky & Telescope magazine, has been published monthly since 1941 and is distributed worldwide. Sky also produces SkyWatch, an annual guide to stargazing and space exploration, plus an extensive line of astronomy books, star atlases, observing guides, posters, globes, and related products. Visit Sky Publishing's Web site at www.skyandtelescope.com

Sky Publishing Corporation
49 Bay State Road
Cambridge, MA 02138, USA
Phone: 800-253-0245 (U.S./Can.), +1 617-864-7360 (Int'l.)
Fax: +1 617-864-6117
E-mail: skytel@skypub.com

The Society for Amateur Scientists (SAS) is a nonprofit research and educational organization dedicated to helping people enrich their lives by following their passion to take part in scientific adventures of all kinds.

The Society for Amateur Scientists
5600 Post Road, #114-341
East Greenwich, RI 02818
Phone: 1-401-823-7800

Internet: http://www.sas.org/



At Surplus Shed, you'll find optical components such as lenses, prisms, mirrors, beamsplitters, achromats, optical flats, lens and mirror blanks, and unique optical pieces. In addition, there are borescopes, boresights, microscopes, telescopes, aerial cameras, filters, electronic test equipment, and other optical and electronic stuff. All available at a fraction of the original cost.

SURPLUS SHED
407 U.S. Route 222
Blandon, PA 19510 USA
Phone/fax : 610-926-9226
Phone/fax toll free: 877-7SURPLUS (877-778-7758)
E-Mail: surplushed@aol.com
Web Site: http://www.SurplusShed.com